Модуль рации RDA1846S, 2 шт.лот, 1 Вт, 3,5 км-5 км, УКВ, УВЧ, SA818
G-NiceRF Official Store - Надежность 97%
Более 635 подписчиков, дата открытия магазина 02.01.2014
- Положительные оценки: 98% (179)
- Соответствие описанию: 96%
- Отвечает на сообщения: 98%
- Скорость отправки: 96%
Последнее обновление: 22.09.2024
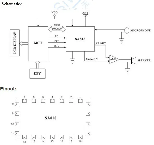
2 шт. SA818 высокоинтегрированный встроенный УКВ UHF walkie talkie модуль
Изображение продукта:
Электронные характеристики:
Параметр Условия тестирования Мин Тип Макс. Блок Источник питания 3,3 4,2 5,5 V Диапазон рабочих температур -30 25 85 Потребление тока Ток сна @ PD = 0 В ≤ 1 МкА Ток RX 60 Ма Ток TX(Высокая мощность) 650 750 Ма Ток TX(Низкая мощность) 450 550 Ма Параметры передачи RF Частотный диапазон УВЧ 400 480 МГц Частотный диапазон УКВ 134 174 МГц Выходная мощность(Высокая мощность) @ VCC = 4,0 V 28 29,5 31 ДБм Выходная мощность(Низкая мощность) 25 26,5 27 ДБм Частота модуляции @ 1,5 кГц/2,5 кГц отклонение частоты 10 МВ Искажение аудио модуляции @ 1,5 кГц/2,5 кГц отклонение частоты 2. 5 % СигналДляШумСоотношение @ 1,5 кГц/2,5 кГц отклонение частоты 38 40 45 ДБ Мощность прилегающего канала @ 12,5 K смещение -60dBc ДБм Частота модуляции CTCSS 0,35 0,5 0,75 КГц Получение радиочастотных параметров Чувствительность приема -124 ДБм Получение SNR @ 1,5 кГц отклонение частоты 45 50 ДБ Амплитуда аудиовыхода 700 МВ Сопротивление аудиовыхода 200 Ом
Особенности:
* Частота: 400 ~ 480 МГц (УВЧ)
* 134 ~ 174 МГц (VHF)
* Частота Tx и Rx, Tx и Rx CTCSS,CDCSS можно установить отдельно.
* Ширина ремешка 12,5/25 кГц
* Выходная мощность до 1 Вт
• Дальность передачи до 3,5 до 5 км (на открытой местности)
* Чувствительность: - 124 дБм
* Маленький размер
* Встроенный EEPROM, данные остаются неизменными даже выключены
* 38 CTCSS
* 166 CDCSS
* 8 уровневый скворч
* 8 регулируемый объем
* Высокая/низкая мощность опционально (500 МВт)-1 Вт
• Широкий диапазон рабочего напряжения 3,3 до 5,5 V
* 1 ppm KDS TCXO кристалл
Применение:
* Маленькая рация
* Невидимая Система внутренней связи
* Спортивные товары
* Строительство системы безопасности
* Аудио система наблюдения
2 штукиУКВМодуль рации SA818
Если вам нужноUHF(400 ~ 480 МГц)Частота, просто оставьте сообщение, пожалуйста! Кроме того, у нас есть DEMO baord в магазине!
Доставка: Бесплатная доставка авиапочтой Почта Китая

-
Band width12.5/25KHz
-
frequency bandVHF / UHF
-
Output powerup to 1 w
-
RX current60mA
-
Sensitivity-124 dBm
-
Transmission distanceup to 3.5 to 5 km in Open area
-
Tx and Rx frequencyTx and Rx CTCSS,CDCSS can be set alone
-
TX current (high power)650~750 mW
-
TX current (low power)450~550mW
-
Working Voltage3.3 ~ 5.5 V
-
Вес логистики0.050
-
Водонепроницаемый/водостойкийНет
-
Выходная мощность (Вт)0,5 Вт-3 Вт
-
Емкость батареи (мА*ч)0
-
Каждая упаковка2
-
Максимальный диапазон3 км-5 км
-
МатериалPCBA
-
Минимальная единица измерения100000015
-
Название брендаG-NiceRF
-
Наличие дисплеяНет
-
Номер моделиSA818
-
Продано Вsell_by_lot
-
ПроисхождениеКитай
-
Размер логистики - высота (см)9
-
Размер логистики - длина (см)13
-
Размер логистики - ширина (см)8
-
Размеры35.6*19*2.6mm
-
СертификацияNONE
-
Тип портативной рацииПортативная
-
Частотный диапазон400 ~ 480 MHz (UHF);134~174MHZ (VHF)
-
Число каналов в памяти38 CTCSS ,166 CDCSS





