Samwha-Dsp FKD-01F цифровое асимметричное реле для сбоя фазы фиксированного перенапряжения и фазы (3*380 В ненейтральное)
SAMWHA-DSP Store - Надежность 96%
Более 955 подписчиков, дата открытия магазина 22.08.2019
- Положительные оценки: 98% (1354)
- Соответствие описанию: 96%
- Отвечает на сообщения: 96%
- Скорость отправки: 94%
Последнее обновление: 15.09.2024
Общий
FKD-01F реле фазового сбоя предназначены для того, чтобы избежать сбоев трехфазных двигателей, вызванных сетью ..
Принцип использования и работы
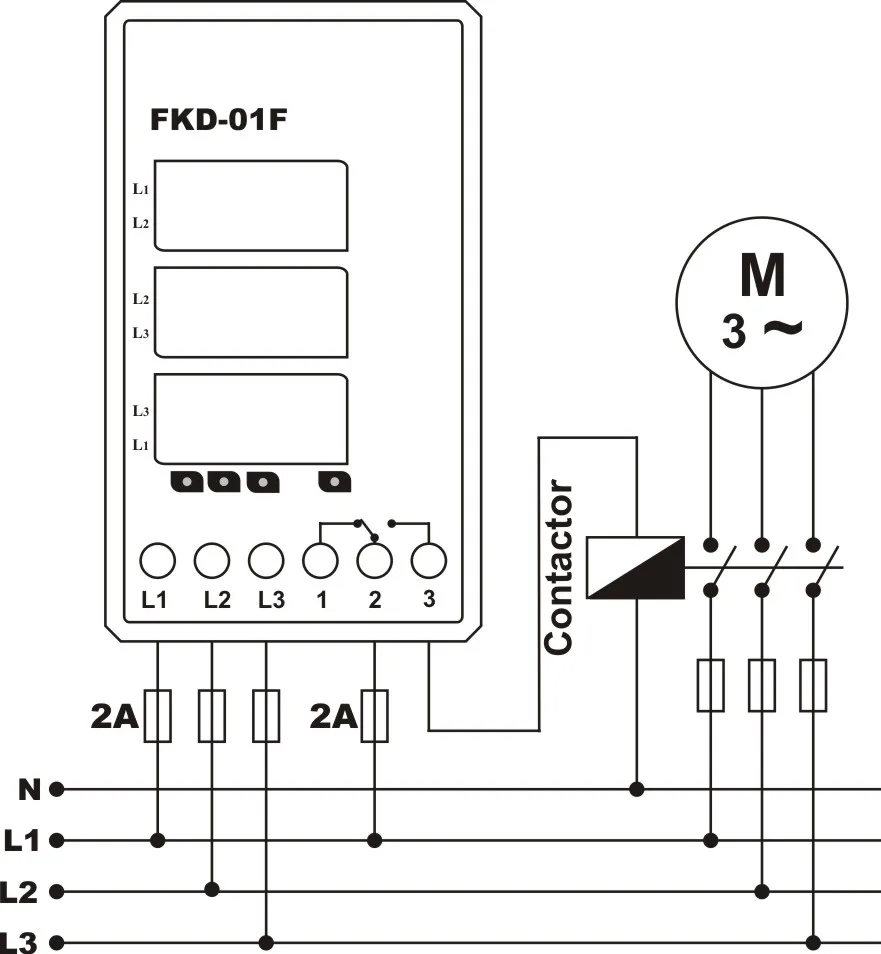
Подключите устройство в соответствии со схемой, как показано на рисунке.Сделайте соединения в соответствии с схемой. Когда питание включено, иФазы находятся в нормальных значениях, реле тянет и реле СИД включается. В этомЧехол, контакт (нет) 3 полюса. Любой из фаз сверх или под, релеРелизов и выключений светодиодов. В этом чехол contact out is (NC) 1 pole. FKD-01F тип имеет функцию фазового секвенирования. Если последовательность фазы неверна, релейные релизы и релейные светодиодные выключены.Напряжение асимметрия соотношение крепится к % 20 (220Vx % 20 = 44). Релейные релизы, когда расстояние самой высокой-самой низкой фазы составляет более % 20, релейные светодиодные выключены и отображает самые высокие и самые низкие фазы начинает мигать. Когда коэффициент асимметрии возвращается к норме, реле тянет и реле led включается.
Техническое обслуживание
Выключите устройство и отпустите его от подключения. Очистите ствол устройства тампоном. Не используйте проводник или химикатМожет повредить устройство. Убедитесь, что устройство работает после очистки
Предупреждения
Используйте устройство в соответствии с руководством пользователя.Не используйте устройство во влажном состоянии.Включите выключатель и выключатель в сборе.Поместите выключатель и выключатель рядом с устройством, оператор можетЛегко доходит.Отметьте выключатель и выключатель как Выходное соединение для устройства.
Технические характеристики
Рабочее напряжение (Un).... : 3x380V ACРабочая частота ....... : 50/60 Гц.Рабочая мощность ............... : <6ваРабочая температура .. : -20 °C ..... + 55 °CВысокое напряжение (U>)........... : 440 В (фиксированный)Низкое напряжение (U<)............ : 270 В (фиксированный)Ассиметричный набор ...............: % 20 (фиксированный)Ожидание (t).......................: ~ 3 сек. (фиксированный)Дисплей. : 3x 3 цифра 9 мм светодиодный дисплей и светодиодыТочность измерения... : ± % 1Тип соединения. : Клеммное соединениеСвяжитесь с…… ..:5A/250 В переменного тока (активных сопротивлений для цепи переменного тока)Диаметр кабеля ................. : 2,5мм ²Вес. : Макс. 220 гр.Размеры отверстия для панели ................ : 91x91ммКрепление ......................... : Вертикальная сборка вПанель или в сборе на din-рейкеРабочая высота .......... : <2000 метров
Размеры

Схема подключения



-
Protection Item 1Phase sequence
-
Protection Item 2Phase Failure
-
Protection Item 3Phase Asymmetry
-
Protection Item 4Overvoltage (Fixed Value)
-
Protection Item 5Undervoltage (Fixed Value)
-
Вес логистики0.250
-
Индивидуальное изготовлениеДа
-
Источник питанияПеременный ток
-
Каждая упаковка1
-
Минимальная единица измерения100000015
-
Нагрузка на контактМалая мощность
-
Название брендаsamwhadsp
-
Напряжение380 В
-
Номер моделиFKD-01F
-
ОсновыРеле напряжения
-
ПрименениеЗащитные
-
Продано Вsell_by_piece
-
ПроисхождениеКитай
-
Размер логистики - высота (см)10
-
Размер логистики - длина (см)8
-
Размер логистики - ширина (см)5
-
СертификацияЕвропейский сертификат соответствия
-
Функция защитыЗакрытое




