Samwha-Dsp DGK-03 3 * 380VAC трехфазное реле защиты от перенапряжения, цифровое защитное реле от перенапряжения
SAMWHA-DSP Store - Надежность 96%
Более 955 подписчиков, дата открытия магазина 22.08.2019
- Положительные оценки: 98% (1354)
- Соответствие описанию: 96%
- Отвечает на сообщения: 96%
- Скорость отправки: 94%
Последнее обновление: 29.09.2024
Общий
DGK-03 реле управления напряжением предназначены для блокирования трехфазных сбоев в нагрузках, связанных с сетью.
Принцип использования и работы
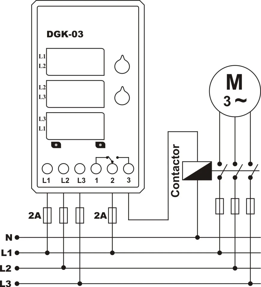
Сделайте соединения устройства в соответствии со схемой подключения.Для регулировки набора высокого напряжения: проверка значения дисплея слева, регулировка желаемого значения кнопки (u>). После того, как вы переместите кнопку, будет отображаться установленное значение.С помощью кнопки, Настройка-это значение дисплея на левом дисплее. Через 4 секунды displayers показывают значения напряжения.После того, как устройство заряжено, сначала отображаются предварительно настроенные значения и через 2 секунды появляются значения напряжения. Когда фазы R, S и T находятся между настроенными значениями напряжения, светодиодный индикатор реле (Out) включен и контакт (2-3) закрыт. Если какая-либо фаза превышает установленное значение высокого напряжения, она удерживает в течение 3 секунд (фиксируется), а затем выключен светодиодный индикатор реле (выход), ошибка высокого напряжения (U>) светодиодный индикатор включен и открывается контакт (2-3). В зависимости от того, какое значение фазового напряжения является высоким, его дисплей мигает, контакт (2-3) открывается. Когда значения напряжения снижают 5 в ниже установленного значения, он удерживает регулируемое (t) время ручки, а затем реле (Out) светодиодный включен, Высоковольтная ошибка (U>) светодиодный выключен и контакт (2-3) закрыт.
Техническое обслуживание
Выключите устройство и отпустите его от подключения. Очистите ствол устройства тампоном. Не используйте проводник или химикатМожет повредить устройство. Убедитесь, что устройство работает после очистки
Предупреждения
Используйте устройство в соответствии с руководством пользователя.Не используйте устройство во влажном состоянии.Включите выключатель и выключатель в сборе.Поместите выключатель и выключатель рядом с устройством, оператор можетЛегко доходит.Отметьте выключатель и выключатель как Выходное соединение для устройства.
Технические характеристики
Рабочее напряжение (Un).... : 3x380V ACРабочая частота ....... : 50/60 Гц.Рабочая мощность ............... : <6ваРабочая температура .. : -20 °C ..... + 55 °CВысокое напряжение (U>)........... : 400 В-460 ВОжидание (t)....................... : 0,1сек-10 сек.Дисплей. : 3x 3 цифра 9 мм светодиодный дисплей и светодиодыТочность измерения... : ± % 1Тип соединения. : Клеммное соединениеСвяжитесь с…… ..:5A/250 В переменного тока (активных сопротивлений для цепи переменного тока)Диаметр кабеля ................. : 2,5мм ²Вес. : Макс. 220 гр.Размеры отверстия для панели ................ : 91x91ммКрепление ......................... : Вертикальная сборка вПанель или в сборе на din-рейкеРабочая высота .......... : <2000 метров
Размеры

Схема подключения



-
Protection Item 1Overvoltage
-
Вес логистики0.250
-
Индивидуальное изготовлениеДа
-
Источник питанияПеременный ток
-
Каждая упаковка1
-
Минимальная единица измерения100000015
-
Нагрузка на контактМалая мощность
-
Название брендаsamwhadsp
-
Напряжение380 В
-
Номер моделиDGK-03
-
ОсновыРеле напряжения
-
ПрименениеЗащитные
-
Продано Вsell_by_piece
-
ПроисхождениеКитай
-
Размер логистики - высота (см)5
-
Размер логистики - длина (см)10
-
Размер логистики - ширина (см)8
-
СертификацияЕвропейский сертификат соответствия
-
Функция защитыЗакрытое




