Устройство Samwha-Dsp DGK-04, цифровое трехфазное реле защиты от перенапряжения и пониженного напряжения (3*380 В, ненейтральное)
SAMWHA-DSP Store - Надежность 96%
Более 955 подписчиков, дата открытия магазина 22.08.2019
- Положительные оценки: 98% (1354)
- Соответствие описанию: 96%
- Отвечает на сообщения: 96%
- Скорость отправки: 94%
Последнее обновление: 18.09.2024
Общий
Реле управления напряжением DGK-04 предназначены для блокировки трехфазных нагрузок неисправностей, возникающих в связи с сетью.
Использование и принцип работы
Сделайте подключения устройства в соответствии со схемой подключения.Для регулировки набора высокого напряжения: значение, проверяющее значение дисплея слева, настройте желаемое значение кнопки (u>). После перемещения кнопки будет отображаться заданное значение.Для регулировки набора низкого напряжения: значение, проверяющее значение дисплея слева, настройте желаемое значение кнопки (u<).С помощью кнопки Регулировка представляет собой значение дисплея на левом дисплее. Через 4 секунды диплейсы показывают значения напряжения.Как только устройство заряжено энергией, сначала отображаются предварительно скорректированные установленные значения и через 2 секунды появляются значения напряжения. Когда фазы R, S и T находятся между отрегулированными значениями напряжения, светодисветодиодный реле (Out) горит и контакт (2-3) закрыт. Если между фазами установлено значение заданного высокого напряжения, он держится в течение 3 секунд (фиксирован), а затем реле (выключен) выключен светодиод, погрешность высокого напряжения (U>) светодиодный горит и контакт (2-3) открывается. Независимо от того, какое фазовое значение напряжения высокое, его дисплей мигает, контакт (2-3) открыт. Когда значения напряжения падают на 5 в ниже установленного значения, он удерживает настройку (t) времени ручки, а затем горисветодиодный реле (Out), погрешность высокого напряжения (U>) светодиодный выключен и контакт (2-3) закрыт.Если фаза падает ниже установленного значения низкого напряжения, она удерживает настройку (t) времени, а затем выключается светодиод реле (Out), погрешность низкого напряжения (U<) включен и открыт контакт (2-3). Независимо от того, что значение фазового напряжения низкое, его дисплей мигает, контакт (2-3) открыт. Когда значения напряжения наклоняются на 5 в выше установленного значения, он удерживает настройку (t) времени ручки, а затем горит светодиод реле (Out), светодиод ошибки низкого напряжения (U<) выключен и контакт (2-3) закрыт.
Обслуживание
Выключите устройство и отпустите от подключений. Очистите ствол устройства тампоном. Не используйте никаких проводников или химических веществМожет повредить устройство. Убедитесь, что устройство работает после очистки
Предупреждения
Используйте устройство в соответствии с руководством.Не используйте устройство во влажном состоянии.Включите выключатель и автоматический выключатель в сборе.Поставьте выключатель и автоматический выключатель рядом с устройством, оператор можетДоставать легко.Отметьте выключатель и автоматический выключатель как отпускающее соединение для устройства.
Технические характеристики
Рабочее напряжение (Un).... : 3x380 В переменного токаРабочая частота ....... : 50/60 Гц.Рабочая мощность... ....... : <6 ваРабочая температура .. : -20 °C ..... + 55 °CВысокое напряжение (U>)... : 400 В-460 ВНизкое напряжение (U<)............ : 230 В-360 вОжидание (t)....................... : 0,1сек-10сек.Дисплей. : 3x 3-значный 9 мм дисплей и светодиодыТочность измерения... : ± % 1Тип соединения. : Клеммное соединениеКонтакт ....................:5A/250V AC (резистивная нагрузка)Диаметр кабеля ................. : 2,5 мм²Вес. : Макс. 220гр.Размеры отверстий панели... : 91x91 ммМонтаж ........................... : В Вертикальном сбореПанель или собрана на din рейкуРабочая высота .......... : <2000 метра
Размеры

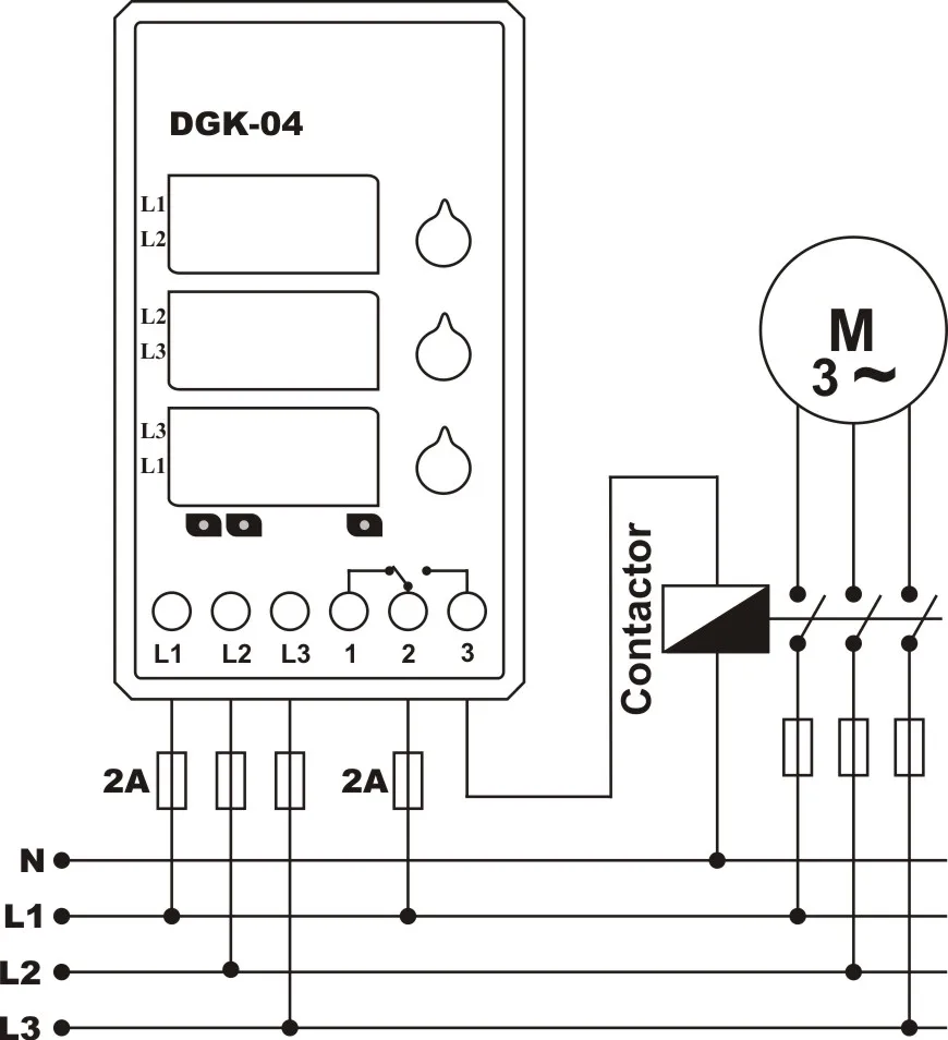
Схема подключения



-
Protection Item 1Overvoltage
-
Protection Item 2undervoltage
-
Вес логистики0.250
-
Индивидуальное изготовлениеДа
-
Источник питанияПеременный ток
-
Каждая упаковка1
-
Минимальная единица измерения100000015
-
Нагрузка на контактМалая мощность
-
Название брендаsamwhadsp
-
Напряжение380 В
-
Номер моделиDGK-04
-
ОсновыРеле напряжения
-
ПрименениеЗащитные
-
Продано Вsell_by_piece
-
ПроисхождениеКитай
-
Размер логистики - высота (см)10
-
Размер логистики - длина (см)8
-
Размер логистики - ширина (см)5
-
СертификацияЕвропейский сертификат соответствия
-
Функция защитыЗакрытое




