Цифровое защитное реле Samwha-Dsp FKD-01, 3 х380 В переменного тока, фиксированная фаза, асимметрия, повышенное напряжение
SAMWHA-DSP Store - Надежность 96%
Более 955 подписчиков, дата открытия магазина 22.08.2019
- Положительные оценки: 98% (1354)
- Соответствие описанию: 96%
- Отвечает на сообщения: 96%
- Скорость отправки: 94%
Последнее обновление: 12.10.2024
Общие
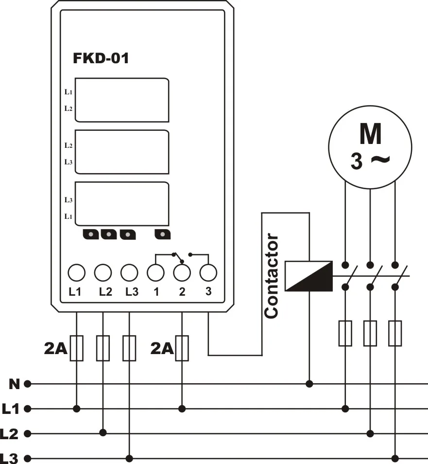
Реле отказа FKD-01 фаз разработаны так, чтобы избежать отказов трехфазных двигателей, вызванных сетью.
Использование и принцип работы
Подключите устройство в соответствии со схемой, как показано на рисунке.Сделайте соединения согласно схеме. Когда питание включено и фазы находятся в нормальных значениях, переключение реле и светодиод реле включается. В этом чехле контакт out (NO) 3-полюсный. Любая из фаз проходит или попадает под нее, релейные релизы и светодиод выключается. В этом чехле контакт out (NC) 1 полюс. Коэффициент асимметрии напряжения фиксирован до % 20 (220 В x % 20 = 44 в). Реле выпускает, когда расстояние между самой высокой и самой низкой фазой составляет более % 20, светодиод реле выключается, и отображение самой высокой и самой низкой фаз начинает мигать. Когда коэффициент асимметрии вернется к норме, реле тянет и реле led включается.
Обслуживание
Выключите устройство и отпустите его. Очистите багажник устройства тампоном. Не используйте проводники или химикатыМожет повредить устройство. Убедитесь, что устройство работает после очистки
Предупреждения
Пожалуйста, используйте устройство в соответствии с руководством.Не используйте устройство во влажном состоянии.Включите переключатель и автоматический выключатель в сборку.Поместите переключатель и автоматический выключатель рядом с устройством, оператор можетЛегко добраться.Отметьте переключатель и автоматический выключатель как отпускающее соединение для устройства.
Характеристики
Рабочее напряжение (Un).... : 3x380 В переменного токаРабочая частота ....... : 50/60 Гц.Рабочая мощность ............... : <6ваРабочая температура .. : -20 °C ..... + 55 °CВысокое напряжение (U>)........... : 440 В (фиксированный)Низкое напряжение (U<)............ : 270 В (фиксированный)Набор асимметрии ...............: % 20 (фиксированный)Ожидание (t).......................: ~ 3 сек. (фиксированный)Дисплей. : 3x 3-значный 9 мм дисплей и светодиодыТочность измерения... : ± % 1Тип соединения. : Клеммное соединениеКонтакт ....................:5A/250V AC (резистивная нагрузка)Диаметр кабеля ................. : 2,5 мм ²Вес. : Макс. 220гр.Размеры отверстий панели ................ : 91x91 ммМонтаж ........................... : Вертикальная сборкаПанель или в сборе на din рейкуРабочая высота .......... : <2000 метра
Размеры

Схема подключения



-
Protection Item 1Overvoltage (Fixed Value)
-
Protection Item 2Undervoltage (Fixed Value)
-
Protection Item 3Phase Asymmetry
-
Вес логистики0.250
-
Индивидуальное изготовлениеДа
-
Источник питанияПеременный ток
-
Каждая упаковка1
-
Минимальная единица измерения100000015
-
Нагрузка на контактМалая мощность
-
Название брендаsamwhadsp
-
Напряжение380 В
-
Номер моделиFKD-01
-
ОсновыРеле напряжения
-
ПрименениеЗащитные
-
Продано Вsell_by_piece
-
ПроисхождениеКитай
-
Размер логистики - высота (см)5
-
Размер логистики - длина (см)10
-
Размер логистики - ширина (см)8
-
СертификацияЕвропейский сертификат соответствия
Отзывы покупателей
Страна: RU Доставка: Standard Shipping 28.08.2022
.




