7-дюймовый 1024*600 HDMI экран, ЖК-дисплей с платой управления монитором для Raspberry Pi BananaOrange Pi Mini компьютера
Shop4049095 Store - Надежность 90%
Более 637 подписчиков, дата открытия магазина 03.05.2018
- Положительные оценки: 90% (201)
- Соответствие описанию: 90%
- Отвечает на сообщения: 90%
- Скорость отправки: 90%
Последнее обновление: 20.09.2024
7 дюймов 1024*600 HDMI экран ЖК-дисплей с монитором платы драйвера для Raspberry Pi Banana/Orange Pi мини-компьютера
Может питаться только от источника питания 5 В
Может быть непосредственно с usb-порта компьютера или внешнего аккумулятора!










Технические характеристики
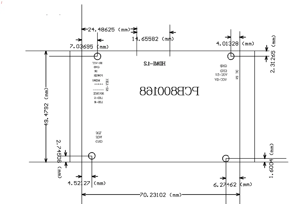
PCB-800168Driver доска
1. Описание товара:
Эта плата драйвера использует SIXTHHD-HD1 IC Главного управления
Источник питания принимает AMS1117-3.3V, AMS1117-1.8V
Эта плата драйвера может
1,1 HDMI вход сигнала, и этот IC поддерживает HDMI1.2
2, поддержка входного напряжения постоянного тока 5 В, вы также можете использовать USB или мобильный источник питания, но положительные и отрицательные полюсы не могут быть изменены во избежание повреждения печатной платы
3, драйвер интегрированный ЖК-экран драйвер светодиодной подсветки
4. Стандартный интерфейс кнопочной платы и двухцветный СВЕТОДИОДНЫЙ дисплей
5, поддержка TTL сигнала
Совместимый с общим 50PIN 1024*600 разрешение интерфейс TTL ЖК-экран
6. Эта плата привода имеет четыре отверстия для позиционирования
Описание функции интерфейса
Бирка
Описание функции
Примечания
HDMI
HDMI вход
HDMI стандарт 1,2
J3
Вход питания
J7
Светодиодный чехол с подсветкой
CON1
TTL-50PIN выход сигнала
J6
Кнопки, пульт дистанционного управления, Светодиодный интерфейс индикатора
J5
Интерфейс программы обновления
Для обновления фабрики
J6 клавишная плата, входной интерфейс дистанционного управления
Серийный номер
Определение
Объяснение
1.
5 В
Пульт дистанционного управления источника питания, на самом деле, 3,3 V
2.
GND
GND
3.
ИК
Удаленный вход
4.
Мощность
Функция переключения
5
Меню
Функция отображения меню
6
+
Плюс
7
_
Меньше
8
Источник
Преобразование источника
9
LED-R
Светодиодный индикатор
10
LED-G
Светодиодный индикатор
J3-DCIN разъем питания
1.
+ 5 В
Положительный вход питания
2.
+ 5 В
Положительный вход питания
3.
GND
GND
4.
GND
GND
Интерфейс HDMI
1.
Стандартный интерфейс HDMI
Стандартный провод в наличии
J5, интерфейс обновления
1.
SCL
Порт обновления SCL
2.
SDA
Порт обновления SDA
3.
GND
GND
4.
NC
NC
-
Вес логистики0.500
-
Встроенный динамикНет
-
Каждая упаковка1
-
Минимальная единица измерения100000015
-
Название брендаHeyman
-
Продано Вsell_by_piece
-
ПроисхождениеКитай
-
Размер логистики - высота (см)5
-
Размер логистики - длина (см)25
-
Размер логистики - ширина (см)15
-
Размер экрана7
-
Разрешение1024x600
-
СертификацияNONE
-
Соотношение сторон16:9
-
Состояние продуктаНа складе
-
Тип интерфейсаHDMI
-
Тип панелиНа тонкопленочных транзисторах на тонкоплёночных транзисторах
-
Тип экранаЖК-дисплей





