Экран 10,1 дюйма, 1024*600, ЖК-монитор TFT с платой управления драйверами HDMI-совместимый для Lattepanda,Raspberry Pi Banana Pi
wellcome Store - Надежность 92.25%
Более 1338 подписчиков, дата открытия магазина 15.09.2017
- Положительные оценки: 93% (384)
- Соответствие описанию: 92%
- Отвечает на сообщения: 92%
- Скорость отправки: 92%
Последнее обновление: 08.09.2024
10,1 дюймовый экран 1024*600 ЖК-дисплей TFT монитор с пультом управления драйвером HDMI-совместим с Lattepanda,Raspberry Pi Banana Pi
Размер экрана: 10,1 дюйма
Длина: 235 мм Ширина: 145 мм
(Без сенсорного экрана)
Может питаться только от источника питания 5 В









Характеристики
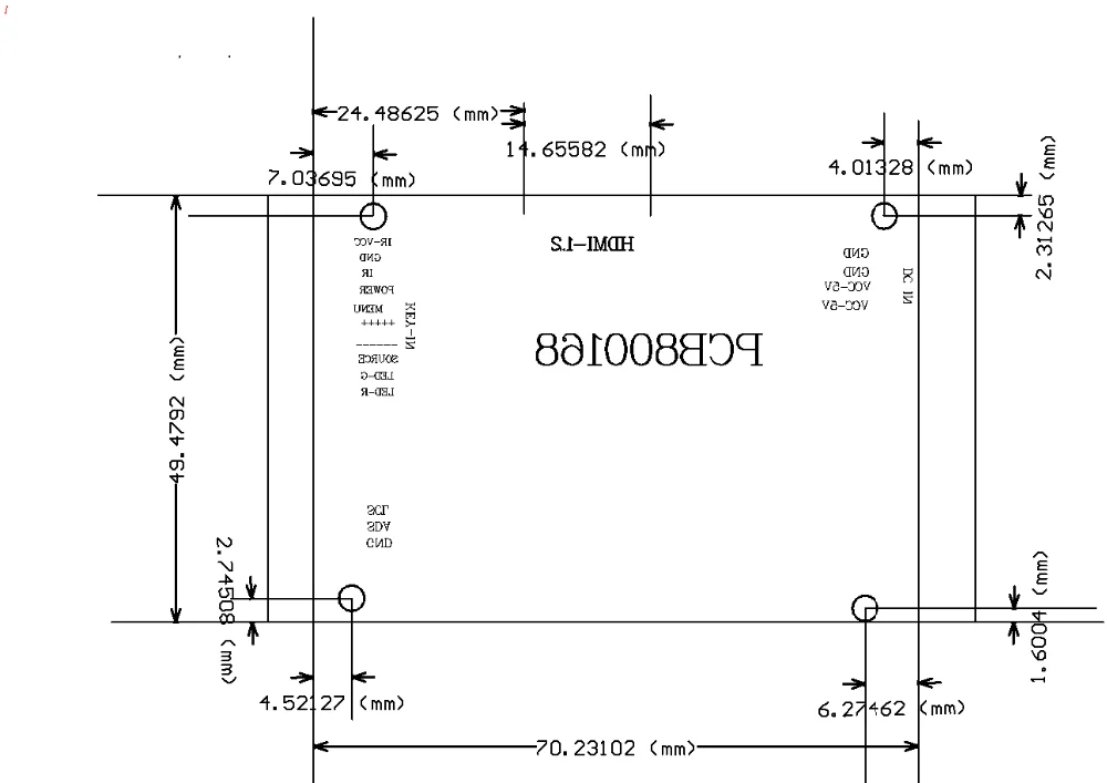
Плата PCB-800168Driver
1. Описание продукта:
Эта плата драйвера использует основную управляющую микросхему SIXTHHD-HD1
Блок питания AMS1117-3.3V, AMS1117-1.8V
Эта плата драйвера может
Вход сигнала 1,1 HDMI, и эта IC поддерживает HDMI1.2
2. Поддерживает входное напряжение постоянного тока 5 В, вы также можете использовать источник питания USB или мобильного телефона, но положительный и отрицательный полюса Нельзя отменить, чтобы избежать повреждения печатной платы
3, плата драйвера со встроенным ЖК-экраном драйвер светодиодной подсветки
4. Стандартный интерфейс кнопочной платы и поддержка двухцветного светодиодного индикатора
5. Поддержка выходного сигнала TTL
Совместимый общий 50-контактный интерфейс разрешения 1024*600 TTL жк-экран
6. Эта плата привода имеет четыре отверстия для позиционирования
Описание функции интерфейса
Тег
Описание функции
Примечания
HDMI
Вход HDMI
Стандарт HDMI 1,2
J3
Вход питания
J7
Сиденье светодиодный Ной подсветкой
CON1
Выход сигнала TTL-50PIN
J6
Кнопки, пульт дистанционного управления, светодиодный индикатор
J5
Интерфейс программы обновления
Для обновления завода
Плата ключа J6, входной интерфейс дистанционного управления
Серийный номер
Определение
Объяснение
1
5В
Источник питания дистанционного управления, фактически 3,3 В
2
GND
GND
3
ИК
Удаленный вход
4
Мощность
Функция переключения
5
Меню
Функция отображения меню
6
+
Плюс
7
_
Меньше
8
Источник
Преобразование источника
9
LED-R
Светодиодный индикатор
10
LED-G
Светодиодный индикатор
Разъем питания J3-DCIN
1
+ 5В
Положительный вход питания
2
+ 5В
Положительный вход питания
3
GND
GND
4
GND
GND
Интерфейс HDMI
1
Стандартный интерфейс HDMI
Стандартный провод в наличии
J5, обновленный интерфейс
1
SCL
Порт обновления SCL
2
SDA
Порт обновления SDA
3
GND
GND
4
NC
NC
-
Screen Resolution1024*600
-
screen size10.1
-
Вес логистики0.500
-
Каждая упаковка1
-
Минимальная единица измерения100000015
-
Название брендаHeyman
-
Номер модели1024*600
-
Продано Вsell_by_piece
-
ПроисхождениеКитай
-
Размер логистики - высота (см)5
-
Размер логистики - длина (см)35
-
Размер логистики - ширина (см)15
-
Размер экрана10 ~ 13 Дюймов
-
СертификацияЕвропейский сертификат соответствия
-
Совместимая маркаУниверсальный
-
Тип продуктаTFT
-
Тип экранаЕмкостный экран
Отзывы покупателей
Страна: ES Color: Only LCD display Доставка: Standard Shipping 30.11.2020
Горит до месяца использования




