Плата управления драйвера для ЖК-дисплея 10,1 дюйма 1024*600, HDMI-совместима с Lattepanda Raspberry Pi Banana Pi
wellcome Store - Надежность 92.25%
Более 1338 подписчиков, дата открытия магазина 15.09.2017
- Положительные оценки: 93% (384)
- Соответствие описанию: 92%
- Отвечает на сообщения: 92%
- Скорость отправки: 92%
Последнее обновление: 14.09.2024
10,1 дюймов ЖК-дисплей Дисплей 1024x60 0 Экран высокое Разрешение для контроля уровня сахара в крови с дистанционным драйвер Управление доска, совместимому с HDMI для Raspberry Pi 3 2 (не включает в себя сенсорный экран Экран)
Может питаться только от источника питания 5 В
10,1 дюйм (ов)ЖК-дисплей X1
Плата ЖК-драйвера X1
Пульт дистанционного управления X1
Клавиатура X1
Кабель для подключения Платы кнопки X1
Кабель интерфейса питания X1
USB шнур питания X1
Только ЖК-дисплей:
ЖК-дисплейX1
Только плата управления:
Совместимое разрешение: 1024*600. Интерфейс: 50pin ЖК-экран
Плата ЖК-драйвера X1
Пульт дистанционного управления X1
Клавиатура X1
Кабель для подключения Платы кнопки X1
Кабель интерфейса питания X1
USB шнур питания X1
USB шнур питания:
USB шнур питания X1
Описание товараОбщие характеристики-ЖК-дисплей Размер: 10,1 дюймов (диагональ)-Элемент драйвера: активная матрица a-Si TFT-Разрешение: 1024*3(RGB)* 600-Режим отображения: Обычно Белый, трансмиссионный-Шаг точки: 0,05 (Ш) х 0,15 (H) мм









Технические характеристики
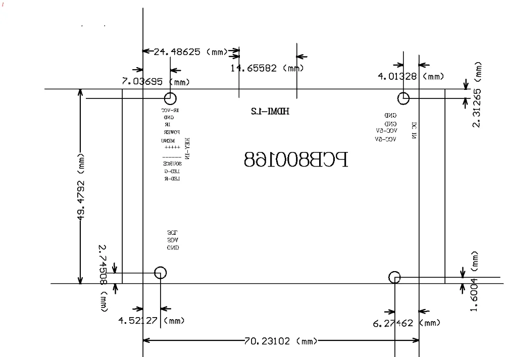
PCB-800168Driver доска
1. Описание товара:
Эта плата драйвера использует SIXTHHD-HD1 IC Главного управления
Источник питания принимает AMS1117-3.3V, AMS1117-1.8V
Эта плата драйвера может
1,1 HDMI вход сигнала, и этот IC поддерживает HDMI1.2
2, поддержка входного напряжения постоянного тока 5 В, вы также можете использовать USB или мобильный источник питания, но положительные и отрицательные полюсы не могут быть изменены во избежание повреждения печатной платы
3, драйвер интегрированный ЖК-экран драйвер светодиодной подсветки
4. Стандартный интерфейс кнопочной платы и двухцветный СВЕТОДИОДНЫЙ дисплей
5, поддержка TTL сигнала
Совместимый с общим 50PIN 1024*600 разрешение интерфейс TTL ЖК-экран
6. Эта плата привода имеет четыре отверстия для позиционирования
Описание функции интерфейса
Бирка
Описание функции
Примечания
HDMI
HDMI вход
HDMI стандарт 1,2
J3
Вход питания
J7
Светодиодный чехол с подсветкой
CON1
TTL-50PIN выход сигнала
J6
Кнопки, пульт дистанционного управления, Светодиодный интерфейс индикатора
J5
Интерфейс программы обновления
Для обновления фабрики
J6 клавишная плата, входной интерфейс дистанционного управления
Серийный номер
Определение
Объяснение
1.
5 В
Пульт дистанционного управления источника питания, на самом деле, 3,3 V
2.
GND
GND
3.
ИК
Удаленный вход
4.
Мощность
Функция переключения
5
Меню
Функция отображения меню
6
+
Плюс
7
_
Меньше
8
Источник
Преобразование источника
9
LED-R
Светодиодный индикатор
10
LED-G
Светодиодный индикатор
J3-DCIN разъем питания
1.
+ 5 В
Положительный вход питания
2.
+ 5 В
Положительный вход питания
3.
GND
GND
4.
GND
GND
Интерфейс HDMI
1.
Стандартный интерфейс HDMI
Стандартный провод в наличии
J5, интерфейс обновления
1.
SCL
Порт обновления SCL
2.
SDA
Порт обновления SDA
3.
GND
GND
4.
NC
NC
-
Display modeNormally white, Trans-missive
-
Driver elementa-Si TFT active matrix
-
LCD size10.1 inches(Diagonal)
-
Resolution1024*(RGB)*600
-
Вес логистики0.500
-
Каждая упаковка1
-
Минимальная единица измерения100000015
-
Название брендаHeyman
-
Номер модели1024x600
-
Продано Вsell_by_piece
-
ПроисхождениеКитай
-
Размер логистики - высота (см)5
-
Размер логистики - длина (см)25
-
Размер логистики - ширина (см)15
-
Размер экрана10 ~ 13 Дюймов
-
СертификацияЕвропейский сертификат соответствия
-
Совместимая маркаУниверсальный
-
Тип продуктаПланшетный ЖК-дисплей
-
Тип экранаЕмкостный экран
Отзывы покупателей
Страна: IL Color: full set Доставка: Standard Shipping 08.04.2021
Комплект aliexpress, который я получил, но на самом деле его нет!





