Комплект системы управления с ЧПУ, 1 красная плата летающего орла + 4 драйвера двигателя TB6560A + 4 шт. 42 шагового двигателя
Foinnc Industry Accessories Store - Надежность 90%
Более 153 подписчиков, дата открытия магазина 04.03.2021
- Положительные оценки: 90% (161)
- Соответствие описанию: 90%
- Отвечает на сообщения: 90%
- Скорость отправки: 90%
Последнее обновление: 09.10.2024
Упаковочный лист
1 шт. красная доска + 4 шт. драйвер TB6560 + 4 шт. 42 шаговый двигатель, включая некоторые аксессуары

Плата соединителя MD430


Техническая спецификация
● Одноступенчатый двигатель для синусоидального микрошагового управления шаговыми двигателями ● Включение в индикацию светодиода ● 3 ампс-34 вольт (Напряжение питания: 12-34DC) ● Полный шаг, половина шага, восемь шагов и шестнадцатый шаг (выбор с переключателями) ● Крутящий момент (100%, 75%,50%, 20%) ● Рабочий ток (выбор 0-3 А с SW1/SW2/SW3) ● Можно использовать 4 провода, 6 проводов, 8 шаговых моторов ● Двухфазный биполярный драйвер ● Простая проводка со стандартными винтовыми клеммами ● Частота шага до 100 кГц ● Предохранение от предохранителя на рельсе электропитания (защищает доску, но также ваш источник питания и двигатель)
Электрические, механические и экологические характеристики


4 оси красный цвет размер доски



Компьютерная операционная система XP, WIN7, WIN8,WIN10. 32-битные системы ОК, также вы можете прикрепить ее к 64-битной системе. Для первых пользователей необходимо сделать некоторые настройки. Во-первых, установите программное обеспечение 3. Скопируйте «RnRMotion.dll» в папку плагинов Mach3

Установка:
Подключение карты управления и компьютера. Этот продукт использует бесплатный дизайн драйвера, система Windows может автоматически обнаруживать контрольную карту, пользователям не нужно устанавливать драйверы устройства. Если система Win7, система Win7 запросит следующую информацию:

Если пользователь является Windows XP, без запроса Затем запустите программное обеспечение Mach3. При запуске программного обеспечения Mach3 появится экран выбора. Как показано ниже:


Если вы видите это, удостоверьтесь, что вышеуказанная операция верна. Нажмите на RnRMotion

Если вы можете открыть это, карта подключается вправо.
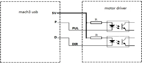
Выходная Настройка







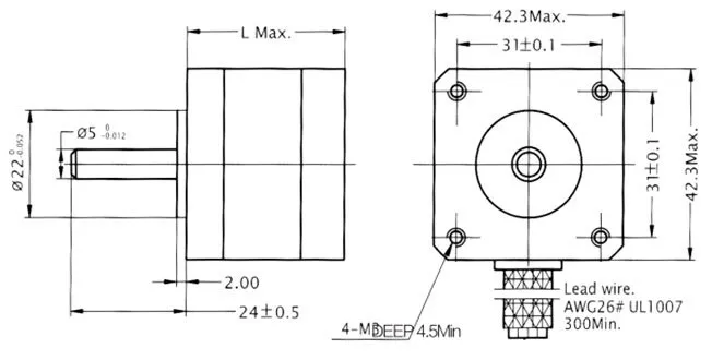
42 шаговый двигатель


Спецификация

Проводное соединение


Свяжитесь с нами
Если у вас есть какие-либо вопросы, пожалуйста, свяжитесь с нами, спасибо!

Оплата
Мы принимаем paypal ,Escrow, кредитные карты, T/T,Western Union,WebMoney Qiwi wallet и Brazil Boleto. Мы отправляем товары в течение 1-5 рабочих дней после получения оплаты. Заказы будут отменены, если оплата не будет получена в течение 10 дней с момента покупки.

Возврат
-Если вы получили неправильный или бракованный товар, пожалуйста, напишите нам в течение 7 дней с даты получения товара. -В течение 7 дней товар не может быть принят к возврату. -Если заказ неисправен, мы отправим вам запасные части после получения доказательства дефектных фотографий товаров, которые вы получили, и без дополнительной платы. Доставка и обработка не подлежат возврату. -Все возвраты должны включать в себя все оригинальные предметы, не поврежденные, в перепродажном состоянии, все Упаковка, включая руководства, гарантийные формы и т. Д.
Доставка
-Пожалуйста, убедитесь, что указанный вами адрес верен. Если адрес неверный, посылка не может быть доставлена и отправлена обратно продавцу, покупатель должен оплатить первую и возвратную стоимость доставки.

-
Board colorRed
-
Driver item no.DM430
-
Stepper Motor item no.42 series
-
Вес логистики4.500
-
Каждая упаковка1
-
Минимальная единица измерения100000015
-
Название брендаНет
-
Номер моделиRed color board+TB6560 driver+42 Stepper motor kit
-
ПрименениеТокарный станок
-
Продано Вsell_by_piece
-
ПроисхождениеКитай
-
Размер логистики - высота (см)6
-
Размер логистики - длина (см)30
-
Размер логистики - ширина (см)25
-
СертификацияЕвропейский сертификат соответствия
-
Это умное устройствоno





