Комплект системы управления с ЧПУ, 1 красная плата летающего орла + 4 микрошаговых драйвера DM556 комплект
Foinnc Industry Accessories Store - Надежность 90%
Более 153 подписчиков, дата открытия магазина 04.03.2021
- Положительные оценки: 90% (161)
- Соответствие описанию: 90%
- Отвечает на сообщения: 90%
- Скорость отправки: 90%
Последнее обновление: 18.09.2024
Упаковочный лист
1 шт. красная доска + 4 шт. DM556 драйвер, включая некоторые аксессуары


DM556 Особенности:
1. Напряжение питания может достигать 48 В 2. Пиковое значение выходного тока может достигать 5.6Az 3. Оптическая изоляция, максимальная частота отклика пульса составляет 200 кГц 4. Низкая скорость нулевой вибрации с минимальным шумом 5. Сильная способность анти-помех, в суровых условиях электросети, может достичь высокоточного позиционирования
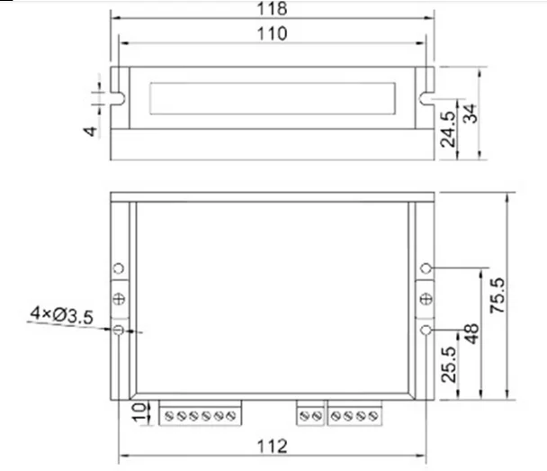
Внешний вид и размер



Электрические характеристики


Экологические требования

Таблица настройки выходного тока

Расписание делений



4 оси красный цвет размер доски



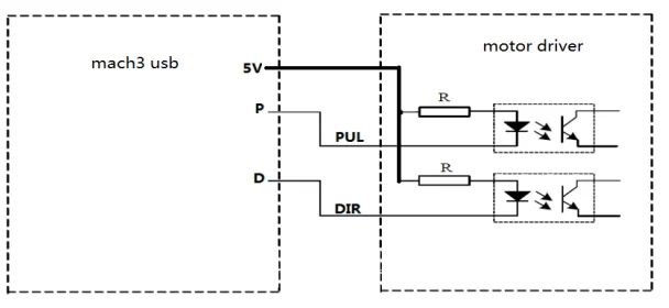
Компьютерная операционная система XP, WIN7, WIN8,WIN10. 32-битные системы ОК, также вы можете прикрепить ее к 64-битной системе. Для первых пользователей необходимо сделать некоторые настройки. Во-первых, установите программное обеспечение 3. Скопируйте «RnRMotion.dll» в папку плагинов Mach3

Установка:
Подключение карты управления и компьютера. Этот продукт использует бесплатный дизайн драйвера, система Windows может автоматически обнаруживать контрольную карту, пользователям не нужно устанавливать драйверы устройства. Если система Win7, система Win7 запросит следующую информацию:

Если пользователь является Windows XP, без запроса Затем запустите программное обеспечение Mach3. При запуске программного обеспечения Mach3 появится экран выбора. Как показано ниже:


Если вы видите это, удостоверьтесь, что вышеуказанная операция верна Нажмите на RnRMotion

Если вы можете открыть это, карта подключается вправо.
Выходная Настройка



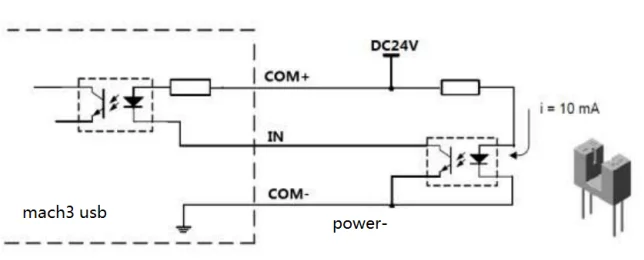
Входная Настройка (механическая, NPN, фотоэлектрическая)








Свяжитесь с нами
Если у вас есть какие-либо вопросы, пожалуйста, свяжитесь с нами, спасибо!

Оплата
Мы принимаем paypal ,Escrow, кредитные карты, T/T,Western Union,WebMoney Qiwi wallet и Brazil Boleto. Мы отправляем товары в течение 1-5 рабочих дней после получения оплаты. Заказы будут отменены, если оплата не будет получена в течение 10 дней с момента покупки.

Возврат
-Если вы получили неправильный или бракованный товар, пожалуйста, напишите нам в течение 7 дней с даты получения товара. -В течение 7 дней товар не может быть принят к возврату. -Если заказ неисправен, мы отправим вам запасные части после получения доказательства дефектных фотографий товаров, которые вы получили, и без дополнительной платы. Доставка и обработка не подлежат возврату. -Все возвраты должны включать в себя все оригинальные предметы, не поврежденные, в состоянии перепродажи, все упаковки, включая руководства, гарантийные формы и т. Д.
Доставка
-Пожалуйста, убедитесь, что указанный вами адрес верен. Если адрес неверный, посылка не может быть доставлена и отправлена обратно продавцу, покупатель должен оплатить первую и возвратную стоимость доставки.

-
Board colorRed
-
Вес логистики1.200
-
Каждая упаковка1
-
Минимальная единица измерения100000015
-
Название брендаНет
-
Номер моделиRed board DM556 kit
-
ПрименениеТокарный станок
-
Продано Вsell_by_piece
-
ПроисхождениеКитай
-
Размер логистики - высота (см)6
-
Размер логистики - длина (см)30
-
Размер логистики - ширина (см)25
-
СертификацияЕвропейский сертификат соответствия
-
Это умное устройствоno
Отзывы покупателей
Страна: FR Voltage: DM556 kit Доставка: Standard Shipping 07.07.2021
На данный момент это идеально, быстро!... спасибо и до скорой встречи
C***o
Страна: BR Voltage: DM556 kit Доставка: Standard Shipping 20.08.2021
produto muito bom





