ЧПУ USB MACH3 100 кГц коммутационная плата 4 оси интерфейс драйвер motion контроллер драйвер платы
openlink Store - Надежность 92.75%
Более 139 подписчиков, дата открытия магазина 15.04.2021
- Положительные оценки: 95% (190)
- Соответствие описанию: 94%
- Отвечает на сообщения: 92%
- Скорость отправки: 90%
Последнее обновление: 06.05.2022
Посылка товара:
Карта контроллера-1 шт. 1 контроллер Jog Handler 1 х USB кабель 1 х линия платы ручного управления 1 x CD

Введение продукта:
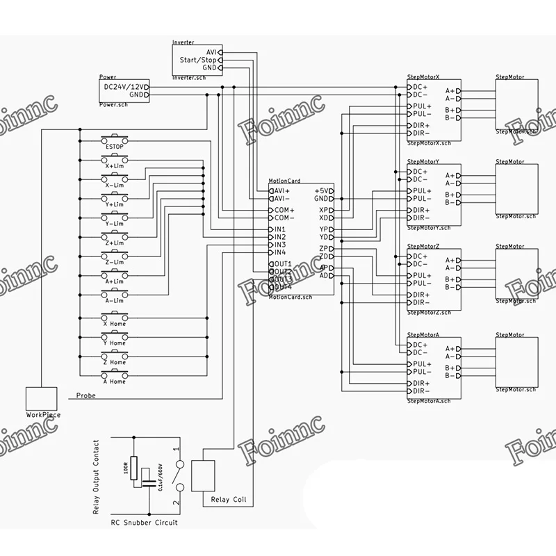
1. Поддержка для 4-осевого связь, вы можете подключить четыре привод шагового двигателя или; Сервоприводы 2. Максимальная частота импульса 100 кГц, которая подходит для сервопривода или шагового двигателя; 3. Поддержка автоматического зонда 4. Поддержка аварийного ввода 5. Поддержка концевого выключателя 6. Поддержка подключения электронного маховика 7. Необходимо использовать внешний источник питания постоянного тока 24 В для изоляции USB и внешнего порта и сделать систему более стабильной 8. Есть выходной порт 0-10 В, вы можете использовать программное обеспечение mach3 для управления скоростью двигателя шпинделя. 9. 4 входы общего назначения, вы можете подключить концевой выключатель, переключатель estop, переключатель зонда, обратно к нулю и другому устройству 10. 4 изолированный выходной интерфейс релейного привода общего назначения, может управлять четырьмя реле для управления запуском шпинделя, вращением вперед и обратным вращением, насосами и другим устройством 11. 1 светодиодный статус, укажите Статус подключения на плате


Размер продукта:

-
Вес логистики0.300
-
Каждая упаковка1
-
Минимальная единица измерения100000015
-
Название брендаНет
-
Номер моделиMACH3
-
ПрименениеФрезерный станок
-
Продано Вsell_by_piece
-
ПроисхождениеКитай
-
Размер логистики - высота (см)10
-
Размер логистики - длина (см)15
-
Размер логистики - ширина (см)10
-
СертификацияNONE
-
Это умное устройствоno





