Набор контроллеров для станков с ЧПУ, 1 плата March3 Red Flying Eagle + 4 драйвера двигателя 2DM542 для станков с ЧПУ и фрезерных станков
Foinnc Industry Accessories Store - Надежность 90%
Более 153 подписчиков, дата открытия магазина 04.03.2021
- Положительные оценки: 90% (161)
- Соответствие описанию: 90%
- Отвечает на сообщения: 90%
- Скорость отправки: 90%
Последнее обновление: 29.05.2022
Упаковочный лист
1 красная плата + 4 драйвера 2DM542, включая некоторые аксессуары


Размер 4-осевой Красной платы


Компьютерная операционная система XP, WIN7, WIN8, win10. 32-битные системы в порядке, это также может быть 64-битная система. Впервые пользователям необходимо сделать некоторые настройки. Сначала установите программное обеспечение Mach3. Скопируйте файл RnRMotion.dll в папку с плагинами Mach3

Установка:
Подключение карты управления и компьютера. В этом продукте используется Бесплатная конструкция драйвера, система Windows может автоматически определить карту управления, пользователям не нужно устанавливать драйверы устройств. Если система Win7, система Win7 будет запросить следующую информацию:

Если пользователь является Windows XP, без запроса Далее запустите программное обеспечение Mach3. При запуске программного обеспечения Mach3 появится экран выбора. Как показано ниже:


Если вы видите это, убедитесь, что вышеуказанная операция верна. Нажмите на RnRMotion

Если вы можете открыть его, карта соединится правильно.
Настройка вывода








Характеристики драйвера 2DM542:
1. Драйвер интегрирует защиту от перенапряжения и перегрузки по току. 2. Оптическая изоляция входного сигнала 3. Метод измельчения биполярного постоянного тока 4. Источник питания постоянного тока 20-50 В постоянного тока (рекомендуется Работа 24-48 В постоянного тока) 5. Максимальный ток привода А 6. Переключатель выходного тока регулируется 7. Низкая скорость, отсутствие вибрации и низкий уровень шума 8. Высокое подразделение: 2,4,8,16,32,64,128,5,10,20,25,40, 50100125 9. Сильная защита от помех, высокоточное позиционирование в суровых условиях работы электросети 10. Высокая надежность: Мощные устройства имеют достаточный запас, и они были строго протестированы перед отправкой с завода.

Электрические характеристики


Настройка тока
Используйте три циферблатных переключателя SW1, SW2, SW3 для установки рабочего тока. Следующая таблица:


Настройка подразделения
Используйте Четырехпозиционный dip-переключатель SW5, SW6, SW7, SW8 для установки деления/импульса. Следующая таблица:

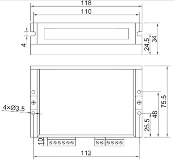
Внешний вид и размер:



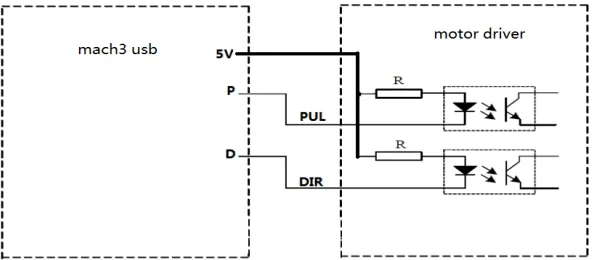
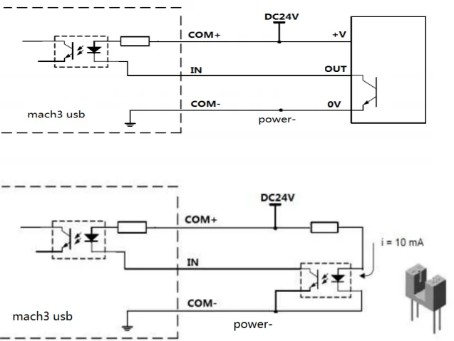
Типичная схема подключения

Свяжитесь с нами
Если у вас есть какие-либо вопросы, пожалуйста, свяжитесь с нами, спасибо!

Оплата
Мы принимаем paypal ,Escrow, кредитные карты, T/T,Western Union, кошелек WebMoney Qiwi и бразильский Boleto. Мы отправляем товары в течение 1-5 рабочих дней после получения оплаты. Заказы будут отменены, если оплата не будет получена в течение 10 дней с момента покупки.

Возврат
-Если вы получили неправильный или дефектный товар, пожалуйста, напишите нам в течение 7 дней с даты получения товара. -В течение 7 дней товар не может быть возвращен. -Если заказ неисправен, мы отправим вам запасные части после получения подтверждения дефектных фотографий полученных вами товаров без дополнительной оплаты. Доставка и обработка не подлежат возврату. -Все возвраты должны включать в себя все оригинальные товары без повреждений, в повторно продаваемом состоянии, все упаковки, включая руководства, гарантийные формы и т. д.
Доставка
-Пожалуйста, убедитесь, что вы указали правильный адрес. Если адрес указан неверно, посылка не была доставлена и отправлена обратно продавцу, покупатель должен оплатить первую и обратную доставку.

-
Board colorRed
-
Driver item number2DM542
-
Вес логистики1.500
-
Каждая упаковка1
-
Минимальная единица измерения100000015
-
Название брендаНет
-
Номер моделиRed Flying Eagle board kit
-
ПрименениеТокарный станок
-
Продано Вsell_by_piece
-
ПроисхождениеКитай
-
Размер логистики - высота (см)10
-
Размер логистики - длина (см)30
-
Размер логистики - ширина (см)25
-
СертификацияЕвропейский сертификат соответствия
-
Это умное устройствоno





