Комплект управления системой ЧПУ, 1 плата Red Flying Eagle + 4 микрошаговых драйвера DIV268 + 4 шаговых двигателя + 1 блок питания 360 Вт
Foinnc Industry Accessories Store - Надежность 90%
Более 153 подписчиков, дата открытия магазина 04.03.2021
- Положительные оценки: 90% (161)
- Соответствие описанию: 90%
- Отвечает на сообщения: 90%
- Скорость отправки: 90%
Последнее обновление: 06.10.2024
Упаковочный лист
1 красная плата + 4 драйвера + 4 шаговых двигателя + 1 блок питания 360 Вт, включая некоторые аксессуары


Размер 4-осевой Красной платы



Компьютерная операционная система XP, WIN7, WIN8, win10. 32-битные системы в порядке, это также может быть 64-битная система. Впервые пользователям необходимо сделать некоторые настройки. Сначала установите программное обеспечение Mach3. Скопируйте файл RnRMotion.dll в папку с плагинами Mach3

Установка:
Подключение карты управления и компьютера. В этом продукте используется Бесплатная конструкция драйвера, система Windows может автоматически определить карту управления, пользователям не нужно устанавливать драйверы устройств. Если система Win7, система Win7 будет запросить следующую информацию:

Если пользователь является Windows XP, без запроса Далее запустите программное обеспечение Mach3. При запуске программного обеспечения Mach3 появится экран выбора. Как показано ниже:


Если вы видите это, убедитесь, что вышеуказанная операция верна Нажмите на RnRMotion

Если вы можете открыть его, карта соединится правильно.
Настройка вывода








Шаговый двигатель



Электрические характеристики

Монтажные схемы


HY-DIV268N-5A внешний вид драйвера

Характеристики Товара:
Двухфазный гибридный шаговый двигатель с динамическим напряжением от 12 до 48 В, ток менее 5 А, внешний диаметр от 35 до 86 мм. В этом приводе используется управление делением цикла тока, Пульсация крутящего момента двигателя очень маленькая, низкая скорость работы очень плавная, почти нет вибрации и шума. Высокоскоростной Крутящий момент намного выше, чем у других двухфазных приводов, высокая точность позиционирования. Широко используется в гравировальных станках, станках с ЧПУ, упаковочных машинах и других требованиях к устройству с высоким разрешением. Основные характеристики 1. Управление средним током, выход двухфазного синусоидального тока 2. Источник питания постоянного тока 12 ~ 48 В, внутренняя интеграция регулятора 12 В и 5 В 3. Оптически изолированный вход/выход сигнала 4. Защита от перенапряжения, пониженного напряжения, перегрузки по току и короткого замыкания белого цвета 5. Входное напряжение DC 12 ~ 48V вход 6. При входном токе от 1 до 5 А выберите привод шагового двигателя. 7. Выходной ток 0,2 ~ 5 А 8. Рабочая температура от-10 до 45 ℃; Температура хранения от-40 ℃ до 70 ℃ 9. Влажность не конденсируется, не падает 10. Газ запрещает горючий газ и проводящую пыль

Интерфейс управляющего сигнала
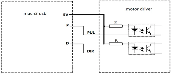
-Рис. 1-схема подключения привода -1. Определение сигналов управления PUL +: ступенчатый импульсный сигнал-это Входная сторона или положительная импульсная клемма входного сигнала PUL-: отрицательный вход отрицательного импульсного сигнала или положительного импульсного сигнала DIR +: вход сигнала направления шага на положительную клемму или вход отрицательного импульсного сигнала на положительную клемму DIR -: входной сигнал направления шага с отрицательной стороны или импульсный сигнал обратного шага, входной отрицательный терминал EN +: автономная сторона входного сигнала может сбросить RU-: автономный режим может сбросить отрицательную клемму входного сигнала Активен автономный сигнал включения, сброс привода, чтобы запретить импульс, выход привода Силовой компонент отключен, удерживающий момент двигателя. -Контроль сигнальных соединений -Сигнал управления ПК может быть высоким, а также низким эффективным. При высокой активности управляющий сигнал -Отрицательная сторона вместе как сигнал к активной низкой, положительной стороне всех управляющих сигналов вместе как общий сигнал. -Например, схема схемы выходного интерфейса с открытым коллектором и PNP выглядит следующим образом:

Рис. 2. Схема входного интерфейса (соединение с общим катодом) -Примечание: VCC на 5 В, R короткий; -Значение VCC 12 В, R 1K, резистор более Вт; -Значение VCC 24 В, R 2K, резистор более Вт;
Выбор функций
-Установите двигатель на шаг вращения Привод для установки количества шагов на вращение двигателя-200 (весь шаг), 400 (2 сегмента), 1600 (8 сегментов), 3200 шагов (16 сегментов). Пользователь может управлять DIP-переключателем на передней панели SW3-это бита SW4 привода, чтобы установить количество шагов (например, таблица 1): Таблица 1 -Установите выходной фазовый ток -Для привода шагового двигателя с крутящим моментом пользователь может управлять переключателем DIP панели -SW1, SW2 устанавливает амперы выходного фазного тока (RMS) привода, положение переключателя -Соответствует выходному току, значению выходного тока, соответствующему разным типам привода. Бетон показан в таблице 2. -Выходной ток (А Таблица 2 Настройка тока -Полу-поток функционала -Функция полупотока представляет собой шаговый импульс 200 мс, выходной ток драйвера автоматически снижается до номинального выходного тока, используется для предотвращения нагрева двигателя. В-четвертых, интерфейс питания -1, DC +, DC-: для подключения питания привода -DC +: уровень мощности постоянного тока, напряжение источника питания от 12 до 48 В постоянного тока. Максимальный ток 5а. DC-: отрицательный уровень источника питания постоянного тока. 2, A + A-B + B-: для подключения двухфазного гибридного шагового двигателя Двухфазное соединение гибридного шагового двигателя с четырехпроводной системой, Параллельное и последовательное соединение двигателя, а также метод подключения, высокая скорость работы, но ток привода большой (для тока обмотки двигателя 1,73 раз), подключен последовательно, когда ток привода равен току обмотки двигателя. Пять, установка -Около 20 мм места, нельзя разместить рядом с другим нагревательным оборудованием, чтобы избежать пыли, масляного тумана, Агрессивные газы, повышенная влажность, сильная вибрация +. Рис. 3. Шесть диагностики неисправностей 1. Светильник состояния указывает Запуск: Зеленый светильник при нормальной работе. ERR: Красный светильник, питание светильник, индикатор питания
Спецификация источника питания 360 Вт:
1. Входное напряжение: 240 В переменного тока 2. Выходное напряжение: 24 В постоянного тока 3. Выходной ток: 15а 4. Материал корпуса: металлический чехол/Алюминиевый чехол 5. Соответствие безопасности: CCC / Rohs /CE 6. Рабочая температура: 0 ~ 40 °C 7. Температура хранения: -20 ~ 60 °C 8. Влажность окружающей среды: 0 ~ 95% без конденсации

Сертификация

Свяжитесь с нами
Если у вас есть какие-либо вопросы, пожалуйста, свяжитесь с нами, спасибо!

Оплата
Мы принимаем paypal ,Escrow, кредитные карты, T/T,Western Union, кошелек WebMoney Qiwi и бразильский Boleto. Мы отправляем товары в течение 1-5 рабочих дней после получения оплаты. Заказы будут отменены, если оплата не будет получена в течение 10 дней с момента покупки.

Возврат
-Если вы получили неправильный или дефектный товар, пожалуйста, напишите нам в течение 7 дней с даты получения товара. -В течение 7 дней товар не может быть возвращен. -Если заказ неисправен, мы отправим вам запасные части после получения подтверждения дефектных фотографий полученных вами товаров без дополнительной оплаты. Доставка и обработка не подлежат возврату. -Все возвраты должны включать в себя все оригинальные товары без повреждений, в повторно продаваемом состоянии, все упаковки, включая руководства, гарантийные формы и т. д.
Доставка
-Пожалуйста, убедитесь, что вы указали правильный адрес. Если адрес указан неверно, посылка не была доставлена и отправлена обратно продавцу, покупатель должен оплатить первую и обратную доставку.

-
Board colorRed
-
Power supply watts360W
-
Stepper Motor colorBlack
-
Вес логистики5.200
-
Каждая упаковка1
-
Минимальная единица измерения100000015
-
Название брендаНет
-
Номер моделиRed Board steper motor power suppliy kit
-
ПрименениеТокарный станок
-
Продано Вsell_by_piece
-
ПроисхождениеКитай
-
Размер логистики - высота (см)8
-
Размер логистики - длина (см)35
-
Размер логистики - ширина (см)30
-
СертификацияЕвропейский сертификат соответствия
-
Это умное устройствоno





