7-дюймовый ЖК-экран для мини-компьютера Raspberry Pi BananaOrange Pi, монитор с совместимой с HDMI платой управления драйверами
wellcome Store - Надежность 92.25%
Более 1338 подписчиков, дата открытия магазина 15.09.2017
- Положительные оценки: 93% (384)
- Соответствие описанию: 92%
- Отвечает на сообщения: 92%
- Скорость отправки: 92%
Последнее обновление: 05.03.2022
7 дюймов для Raspberry Pi Banana/Orange Pi мини компьютер ЖК-экран дисплей монитор с дистанционным HDMI-совместимая плата управления драйвером
(Без сенсорного экрана)

1-интерфейс HDMI
2-4-контактный интерфейс питания
3-Светодиодный источник питания с подсветкой
4-50pin TTL дисплей интерфейс
5-4-контактный Интерфейс записи драйвера
6-Интерфейс кнопочной платы
Адаптация к источнику питания 5 в 2 А(Может быть непосредственно с usb-порта компьютера или внешнего аккумулятора!)







Технические характеристики
PCB-800168Driver доска
1. Описание товара:
Эта плата драйвера использует SIXTHHD-HD1 IC Главного управления
Источник питания принимает AMS1117-3.3V, AMS1117-1.8V
Эта плата драйвера может
1,1 HDMI вход сигнала, и этот IC поддерживает HDMI1.2
2, поддержка входного напряжения постоянного тока 5 В, вы также можете использовать USB или мобильный источник питания, но положительные и отрицательные полюсы не могут быть изменены во избежание повреждения печатной платы
3, драйвер интегрированный ЖК-экран драйвер светодиодной подсветки
4. Стандартный интерфейс кнопочной платы и двухцветный СВЕТОДИОДНЫЙ дисплей
5, поддержка TTL сигнала
Совместимый AT070TN92
AT065TN14
AT080TN52
AT090TN12
AT090TN10
AT070TN90
AT070TN93
AT070TN94 общий 50PIN 800*480 разрешение интерфейс TTL ЖК-экран
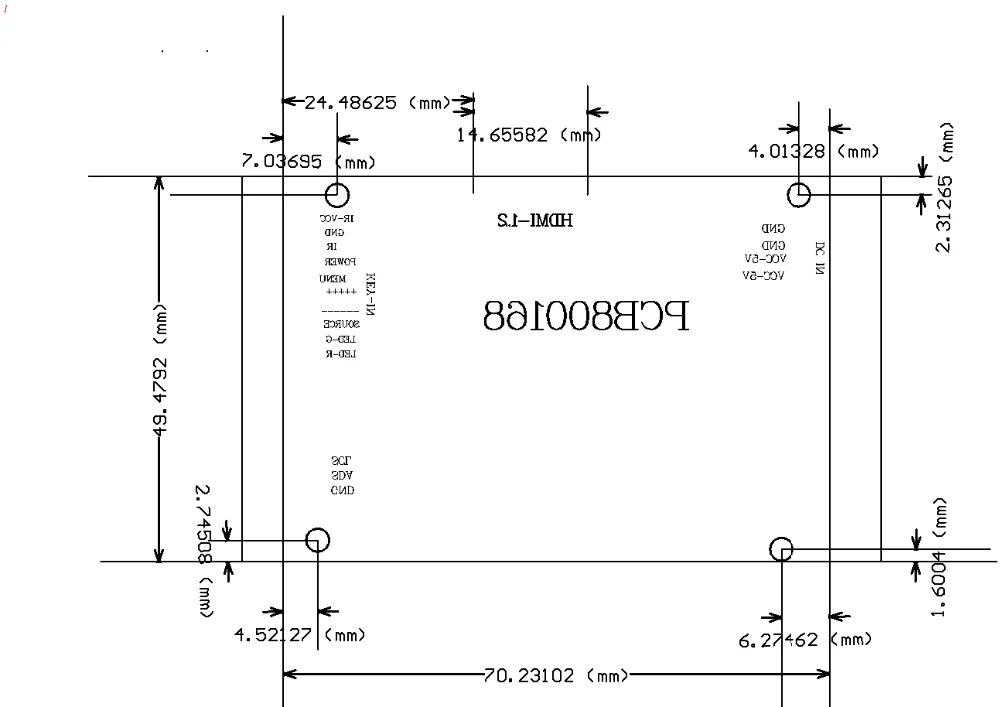
6. Эта плата привода имеет четыре отверстия для позиционирования
Описание функции интерфейса
Бирка
Описание функции
Примечания
HDMI
HDMI вход
HDMI стандарт 1,2
J3
Вход питания
J7
Светодиодный чехол с подсветкой
CON1
TTL-50PIN выход сигнала
J6
Кнопки, пульт дистанционного управления, Светодиодный интерфейс индикатора
J5
Интерфейс программы обновления
Для обновления фабрики
J6 клавишная плата, входной интерфейс дистанционного управления
Серийный номер
Определение
Объяснение
1
5 В
Пульт дистанционного управления источника питания, на самом деле, 3,3 V
2
GND
GND
3
ИК
Удаленный вход
4
Мощность
Функция переключения
5
Меню
Функция отображения меню
6
+
Плюс
7
_
Меньше
8
Источник
Преобразование источника
9
LED-R
Светодиодный индикатор
10
LED-G
Светодиодный индикатор
J3-DCIN разъем питания
1
+ 5 В
Положительный вход питания
2
+ 5 В
Положительный вход питания
3
GND
GND
4
GND
GND
Интерфейс HDMI
1
Стандартный интерфейс HDMI
Стандартный провод в наличии
J5, интерфейс обновления
1
SCL
Порт обновления SCL
2
SDA
Порт обновления SDA
3
GND
GND
4
NC
NC
-
Screen Resolution800*480
-
Вес логистики0.500
-
Каждая упаковка1
-
Минимальная единица измерения100000015
-
Название брендаHeyman
-
Продано Вsell_by_piece
-
ПроисхождениеКитай
-
Размер логистики - высота (см)5
-
Размер логистики - длина (см)25
-
Размер логистики - ширина (см)15
-
Размер экрана7 ~ 10 Дюймов
-
СертификацияЕвропейский сертификат соответствия
-
Совместимая маркаУниверсальный
-
Тип продуктаTFT
-
Тип экранаЕмкостный экран




