7-дюймовый HD-экран ЖК TFT монитор с пультом дистанционного управления драйвером 2AV HDMI VGA для Lattepanda,Raspberry Pi Banana Pi
Shop4049095 Store - Надежность 90%
Более 637 подписчиков, дата открытия магазина 03.05.2018
- Положительные оценки: 90% (201)
- Соответствие описанию: 90%
- Отвечает на сообщения: 90%
- Скорость отправки: 90%
Последнее обновление: 17.09.2024
7HD ЖК-экран монитор высокого разрешения пульт управления плата 2AV HDMI VGA для компьютера Raspberry Pi Mini
(Без сенсорного экрана)











Технические характеристики
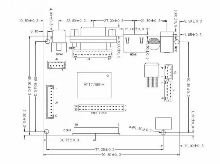
PCB-800099 плата драйвера
1. Описание продукта:
Эта плата драйвера использует основную микросхему управления SIXTHHD-HD1
Данная плата драйвера может
Вход сигнала VGA 1,1
2,2 входов AV сигнала
3,1 входной сигнал HDMI, и этот IC поддерживает HDMI1.2
4,1 вход дорожного сигнала заднего хода
5,Поддержка широкого входного напряжения и может нормально работать в диапазоне 4,5-20 в
6, стандартная подсветка 6PIN, интерфейс, может быть подключен к высоковольтной плате
7, плата драйвера со встроенным ЖК-экраном драйвер светодиодной подсветки
8, стандартный выход сигнала LVDS, может поддерживать один 6, один 8, двойной 6, двойной 8 и другой стандартный ЖК-экран сигнала LVDS, но поддерживает только ЖК-экран с источником питания 3,3 В
9. Стандартный интерфейс кнопочной платы и поддержка двухцветного светодиодный одного индикатора
10, поддержка вывода сигнала TTL
ЖК-экран TTL совместимый с интерфейсом общего разрешения 50PIN 1024*600
11, Поддержка обратного управления и отображения на AV2, Поддержка обратного напряжения с входным напряжением в пределах 50 в
12, эта приводная плата имеет четыре позиционирующих отверстия
Описание функции интерфейса
Тег
Описание функций
Примечания
RCA1
Вход AV
TP1
AV
J4
Вход VGA
DB15
Вход VGA
HDMI
Вход HDMI
Стандарт HDMI-1,1
DCIN
Вход питания
J3
Вход питания
J1
Внешнее Высокое напряжение порт платы
J7
Сиденье светодиодный Ной подсветкой
Кон1
Выход сигнала TTL-50PIN
CN1
Выход сигнала LVDS
J6
Кнопки, пульт дистанционного управления, светодиодный индикатор интерфейса
Симуляция AV
NTSC
Поддержка
PAL
Поддержка
Клавиатура, входной интерфейс дистанционного управления
Серийный номер
Определение
Пояснение
1
5 В
Источник питания дистанционного управления, фактически 3,3 В
2
GND
GND
3
ИК
Удаленный вход
4
Мощность
Функция переключения
5
Меню
Функция отображения меню
6
+
Плюс
7
_
Меньше
8
Источник питания
Преобразование сигнала
9
LED-R
Светильник индикатор
10
LED-G
Светильник индикатор
Интерфейс ввода сигнала VGA
Серийный номер
Определение
Пояснение
Высоковольтный интерфейс платы
1
+ 12 В
Положительная Входная мощность
2
+ 12 В
Положительная Входная мощность
3
EN
Плата высокого напряжения Переключатель Сигнала
5
GND
GND
6
GND
GND
Интерфейс экрана LVDS
Серийный номер
Определение
Пояснение
1
VCC
Блок питания LCD
2
VCC
Блок питания LCD
3
VCC
Блок питания LCD
4
GND
GND
5
GND
GND
6
GND
GND
7
LAX0 +
Сигнал LVDS
8
LAX0-
Сигнал LVDS
9
LAX1 +
Сигнал LVDS
10
Лакс1-
Сигнал LVDS
11
LAX2 +
Сигнал LVDS
12
LAX2-
Сигнал LVDS
13
GND
14
GND
15
LACK +
Сигнал LVDS
16 дюймов
Отсутствие-
Сигнал LVDS
17
LAX3 +
Сигнал LVDS
18
LAX3-
Сигнал LVDS
19
LBX0 +
Сигнал LVDS
20
LBX0-
Сигнал LVDS
21
LBX1 +
Сигнал LVDS
22
LBX1-
Сигнал LVDS
23
LBX2 +
Сигнал LVDS
24
LBX2-
Сигнал LVDS
25
GND
26
GND
27
LBCK +
Сигнал LVDS
28
LBCK-
Сигнал LVDS
29
LBX3 +
Сигнал LVDS
30
LBX3-
Сигнал LVDS
Интерфейс питания DCIN
1
+ 12 В
Положительная Входная мощность
2
+ 12 В
Положительная Входная мощность
3
GND
GND
4
GND
GND
Интерфейс HDMI
1
Стандартный интерфейс HDMI
Стандартный провод в наличии
Интерфейс питания AV-сигнала и управления задним ходом
1
ACC
Входное напряжение заднего хода, вынужденный AV2 после входа 12 В
2
Ав1
Вход AV1
3
GND
GND
4
АВ2
Вход AV2
5
GND
GND
Вход VGA
1
GND
GND
2
В
В
3
Ч
Ч
4
GND
GND
5
Р
Р
6
GND
GND
7
Г
Г
8
GND
GND
9
В
В
10
GND
GND
11
ПДД
Для модернизации
12
SCL
Для модернизации
-
Вес логистики0.500
-
Встроенный динамикНет
-
Каждая упаковка1
-
Минимальная единица измерения100000015
-
Название брендаHeyman
-
Продано Вsell_by_piece
-
ПроисхождениеКитай
-
Размер логистики - высота (см)5
-
Размер логистики - длина (см)25
-
Размер логистики - ширина (см)15
-
Размер экрана7
-
Разрешение1024x600
-
СертификацияNONE
-
Соотношение сторон16:9
-
Состояние продуктаНа складе
-
Тип интерфейсаHDMI
Отзывы покупателей
Страна: RU Color: full set Доставка: Standard Shipping 28.12.2020
Матрицы разные, у одной очень сильно отдаёт в фиолетовый цвет
I***a
Страна: ES Color: full set Доставка: Standard Shipping 27.04.2021
Внимание не покупайте в этом магазине Это афера уход заказал не получил





