Коммутационная плата CNC USB MACH3 100 кГц 4-осевая плата драйвера интерфейса контроллера движения
NC Girl Store - Надежность 95.5%
Более 117 подписчиков, дата открытия магазина 22.06.2021
- Положительные оценки: 96% (152)
- Соответствие описанию: 96%
- Отвечает на сообщения: 96%
- Скорость отправки: 94%
Последнее обновление: 23.03.2022
Посылка продукта
Плата управления-1 шт. контроллер-1 шт. usb-кабель-1 шт. линия управления-1 шт. CD-диск-1 шт.

Описание
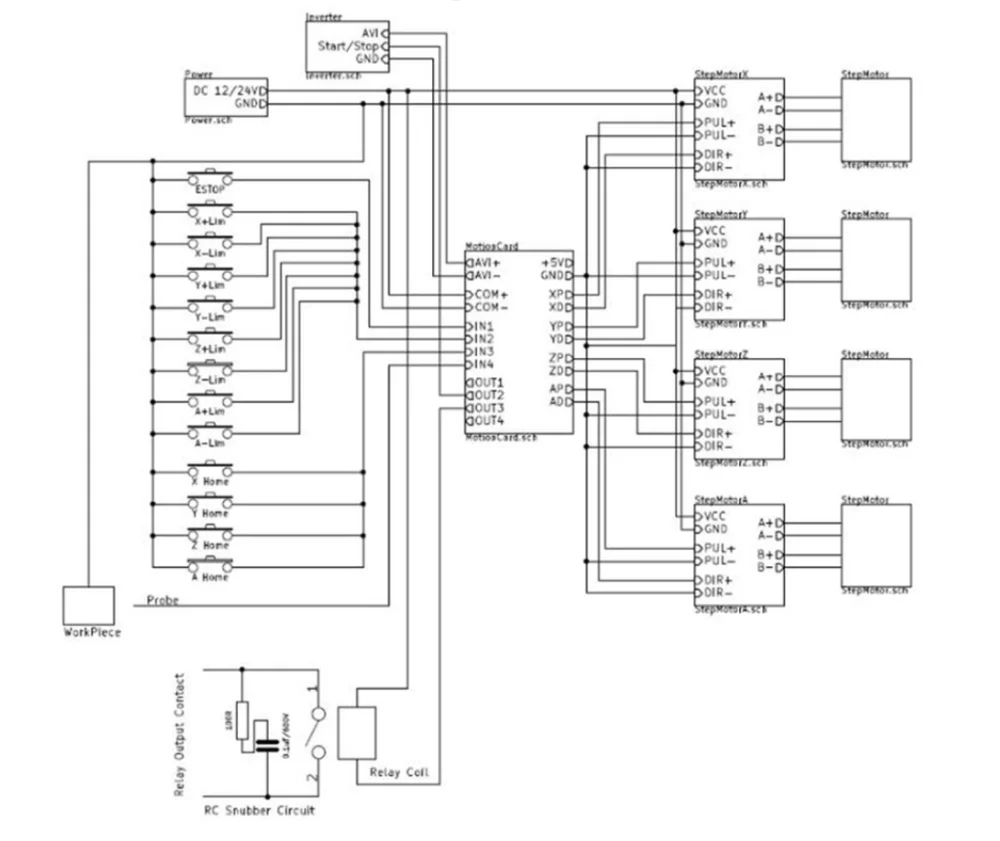
2. Определение и метод подключения продукта
1. Особенности 1) Поддержка для 4-осевого связь, вы можете подключить четыре привод шагового двигателя или сервоприводы; 2) Максимальный шаг-частота импульсов составляет 100 кГц, который подходит для сервопривода или шаговый двигатель; 3) Поддержка автоматического зонда 4) Поддержка аварийного ввода 5) Поддержка концевого выключателя 6) Поддержка подключения электронного маховика 7) необходимо использовать внешний источник питания постоянного тока 24 В для изоляции USB и внешнего порта и сделать систему более стабильной. 8) есть выходной порт 0-10 В, вы можете использовать программное обеспечение mach3 для управления скоростью двигателя шпинделя. 9) 4 входа общего назначения, вы можете подключить концевой выключатель, эстоп переключатель, зонд переключатель, обратно к нулю и другие устройства 10)4 общего назначения изолированный релейный привод выходной интерфейс, может управлять четырьмя реле для управления запуском шпинделя, вращением вперед и обратным вращением, насосами и другим устройством; 11)1 светодиодный статус, Укажите Статус подключения на плате.

3. Чертеж конструкционных размеров




-
Вес логистики1.000
-
Каждая упаковка1
-
Минимальная единица измерения100000015
-
Название брендаНет
-
ПрименениеФрезерный станок
-
Продано Вsell_by_piece
-
ПроисхождениеКитай
-
Размер логистики - высота (см)8
-
Размер логистики - длина (см)8
-
Размер логистики - ширина (см)8
-
СертификацияNONE





