4-осевой Комплект для ЧПУ mach3 usb, 4-осевой Драйвер Двигателя DM556 + 4-осевой USB-контроллер для шагового двигателя с ЧПУ mach3 100 кГц
Shenzhen Zhicheng Electromechanics Co.,Ltd - Надежность 92.25%
Более 699 подписчиков, дата открытия магазина 09.08.2015
- Положительные оценки: 93% (29)
- Соответствие описанию: 90%
- Отвечает на сообщения: 92%
- Скорость отправки: 94%
Последнее обновление: 03.10.2024
Комплектация:
1 x mach3 4 Axis USB CNC контроллер карты 100 кГц 4 x DM556 Драйвер шагового двигателя USB кабель (1 шт.); 1 CD (включая руководство пользователя на английском языке и программное обеспечение mach3)

Описание продукта:

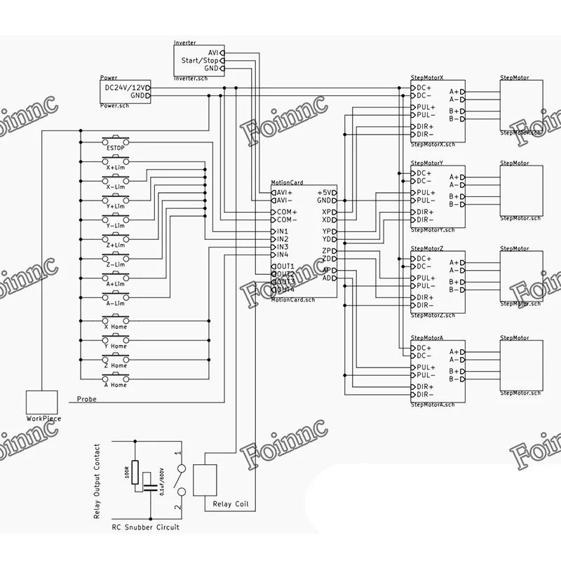
Коммутационная плата Описание:
1. Поддержка для 4-осевого связь, вы можете подключить четыре привод шагового двигателя или; Сервоприводы 2. Максимальная частота импульса 100 кГц, которая подходит для сервопривода или шагового двигателя; 3. Поддержка автоматического зонда 4. Поддержка аварийного ввода 5. Поддержка концевого выключателя 6. Поддержка подключения электронного маховика 7. Необходимо использовать внешний источник питания постоянного тока 24 В для изоляции USB и внешнего порта и сделать систему более стабильной. 8. Есть выходной порт 0-10 В, вы можете использовать программное обеспечение mach3 для управления скоростью двигателя шпинделя. 9. 4 входы общего назначения, вы можете подключить концевой выключатель, переключатель estop, переключатель зонда, обратно к нулю и другому устройству 10. 4 изолированный выходной интерфейс релейного привода общего назначения, может управлять четырьмя реле для управления запуском шпинделя, вращением вперед и обратным вращением, насосами и другими устройствами; 11. 1 светодиодный статус, укажите Статус подключения на плате.



DM556 Драйвер шагового двигателя Описание






-
is_customizedYes
-
Model NumberCNC TB6600 3 axis kit
-
Motor TypeStepper Motor
-
Вес логистики1.700
-
Каждая упаковка1
-
Минимальная единица измерения100000017
-
Название брендаНет
-
ПитаниеDC
-
Продано Вsell_by_piece
-
Размер логистики - высота (см)10
-
Размер логистики - длина (см)25
-
Размер логистики - ширина (см)10
-
Тип двигателяШаговый двигатель
Отзывы покупателей
Страна: LV Доставка: Cainiao Standard For Special Goods 15.01.2022
Провод был не тот как на картинке, с двум сторон был вход в уэзби





