Однофазный инвертор, 2203804 кВт1500 В, вход VFD, 3-фазный выход, в, преобразователь частоты, инвертор с регулируемой скоростью Вт
CNWeiKen Official Store - Надежность 96.75%
Более 1456 подписчиков, дата открытия магазина 23.08.2019
- Положительные оценки: 97% (218)
- Соответствие описанию: 96%
- Отвечает на сообщения: 96%
- Скорость отправки: 98%
Последнее обновление: 08.03.2022
Размер 220В в Размер 380В Размер 0,75 кВт / 1,5 кВт / 2,2 кВт
Описание товара:
1. Пожалуйста, внимательно изучите описание товара в зависимости от типа фуксии и мостовых повреждений.
2. Этот преобразователь частоты не может управлять нагрузкой других типов, кроме индуктивной, например, двигателя. Если вы хотите купить товар, Пожалуйста, свяжитесь с нами.
3. Доставка товара; 220 В - 380 В невелика. Если вы хотите купить товар, Пожалуйста, свяжитесь с нами. Пожалуйста, выберите размер (например, гидравлический насос с гидравлическим насосом)
4. Если это вы не знаете, как выбрать тип, вы также можете связаться с нами, чтобы увидеть цену дать вам несколько советов.
Преобразователь мощности 220 В в 380 В предназначен для измерения температуры, работающий в томе, работающий от механического электрического оборудования, входное напряжение 380 В а также информация о товаре 220 В. Если вы хотите заказать одежду, пожалуйста, свяжитесь с нами:
О. Если трехфазный двигатель 380 В является звездообразным, его можно заменить на треугольное. В это время двигатель превращается в трехфазный двигатель 220 В, используя наш преобразователь 220 В для преобразования однофазного 220 В в трехфазное 220 В, такой же уровень мощности может решить проблему (покупку преобразователя 220 В можно перейти по этой ссылке);
B. Если трехфазный двигатель 380 В имеет треугольное соединение, это не может быть решено путем изменения способа подключения. Вы можете купить товар 220В в 380В, можно купить товар и его заказать.
C. Идентификация соединений двигателя может быть фотографией обозначена на следующем рисунке:
Рисунок 1 - двигатель о зведой.
К 2-к 2-к 2
Товарная накладная:
Машина * 1, Заводская доставка * 1 (включая проволока), дополнительная линза * 1 (ВКЛ с клавиатуры, вкл. Выкл.), дополнительная линза * 1 (вкл. с клавиатуры, вкл.
Дополнительное примечание:
О. Если вам нужна подробная версия руководства по продукту, вы можете связаться с нами, чтобы отправить его вам бесплатно.
B. Если в упаковочном ящике нет руководства по работе с бумагой, то Вы можете купить этот из-за изменений или модернизации продукта. Пожалуйста, свяжитесь с нами для получения последней и точной электронной инструкции по продукту.
I. Продукты и технологии встречного
• Мы можем решить проблему:
• Товары для детей;
• Наши товары помогут вам решить проблему.
Например, если вы хотите заказать одежду, пожалуйста, сообщите нам, пожалуйста, сообщите нам напряжение, Д.
• Детали нашей продукции
5-разрядный дисплей Компоненты высокого качества Съемная внешняя панель Изолированная алюминиевая основа для отвода тепла
• Наша технология продукта
A. Чехол для мобильного телефона
B. Детская одежда для детей
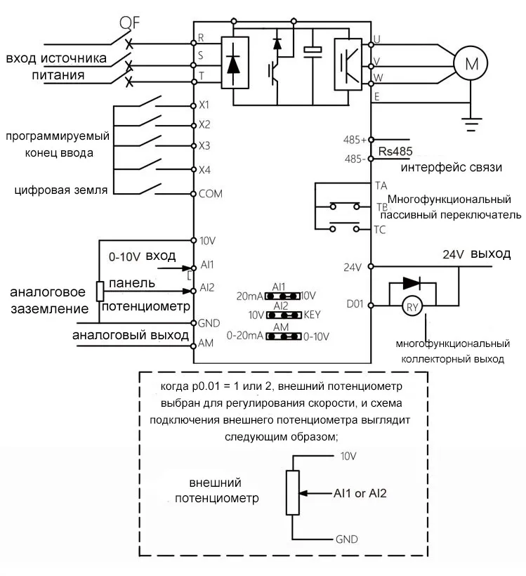
● Ходные и выходные характеристы
● Особенности периферийного интерфейса
● Технические характеристики
● Особенности
II. Компания и Услуги компании;
• Строгое управление производством
Описание 5S, станитартизация
• Награды нашей компании
Основная патентная технология Предприятия формального производства CE сертификация ЕС Шэньчжэнь высокотехнологичных предприятий
Если вы хотите купить товар, пожалуйста, свяжитесь с нами!
Оплата
Доставка
A. Вся упаковка стандартная бумажная коробка или деревянная упаковка для большого заказа.
Обратная связь
Свяжитесь с нами
-
10V Output VoltageYes
-
24V Output VoltageYes
-
CommunicationRS485
-
Control ModeOpen loop vector control(SVC) V/F control
-
Input VoltageSingle phase 220V
-
Output VoltageThree-phase 380V
-
Relay outputNormally open/normally close
-
Вес1.2
-
Вес логистики2.000
-
Выходная мощность0.75KW/1.5KW/2.2KW
-
Выходной ток2.5A/3.7A/5A
-
Индивидуальное изготовлениеДа
-
Каждая упаковка1
-
Минимальная единица измерения100000015
-
Название брендаCNWeiKen
-
Номер моделиWK310
-
Продано Вsell_by_piece
-
Размер156*80*130
-
Размер логистики - высота (см)23
-
Размер логистики - длина (см)22
-
Размер логистики - ширина (см)15
-
ТипDC/AC Inverters
-
Тип выходаTriple
-
Частота на выходе0-650Hz





