Преобразователь частоты Регулируемая скорость VFD инвертор 1,5 кВт2,2 кВт4 кВт фотоинвертор 3P 220 В выход для двигателя низкочастотный инвертор
CNWeiKen Official Store - Надежность 96.75%
Более 1456 подписчиков, дата открытия магазина 23.08.2019
- Положительные оценки: 97% (218)
- Соответствие описанию: 96%
- Отвечает на сообщения: 96%
- Скорость отправки: 98%
Последнее обновление: 03.03.2022


Инструкции по выбору типа:
А. Пожалуйста, внимательно прочитайте инструкции по продукту, выберите тип в соответствии с функциями и мощностью, которые вам нужны, и избегайте повреждений, вызванных неправильной проводкой;
B. Этот преобразователь частоты не поддерживает Однофазное регулирование скорости двигателя с емкостью.
C. Регулирование скорости трехфазных двигателей переменного тока с шестью или более этапами. Пожалуйста, приобретите конвертер с более высокой мощностью, чем двигатель;
D. Если вы не знаете, как выбрать тип, вы также можете связаться с нами, чтобы дать вам несколько предложений.
Е. Частотные преобразователи серии WK310 по умолчанию не имеют функции связи RS485 и не имеют встроенных тормозных устройств. Если вам нужна функция связи RS485 преобразователя частоты или вам нужно использовать с тормозным сопротивлением, пожалуйста, купите наш преобразователь частоты серии WK600.
• Наши продукты обладают отличной производительностью.
А. 0,5 Гц может обеспечить 150% пусковой крутящий момент;
B. Емкость перегрузки: 150% Номинальный ток 60s; 180% Номинальный ток 10s;
C. Несущая частота: 0,5 k ~ 15,0 кГц.
• Наши продукты имеют мощные функции.
А.Функция управления PID-Технология автоматического управления замкнутым контуром;
B.Многофункциональная функция контроля скорости-8-контроль скорости;
C.Множественная защита двигателя-Короткого замыкания, фазового отсутствия, перегрузки по току, перенапряжения, низкого напряжения, перегрева, защиты от перегрузки и т. Д.
• Наши продукты имеют комплексную конфигурацию.
А.17 функциональных терминалов-Сотни функций могут быть реализованы через различные комбинации
B.Релейный выход-Более сложные функции управления связью могут быть реализованы.
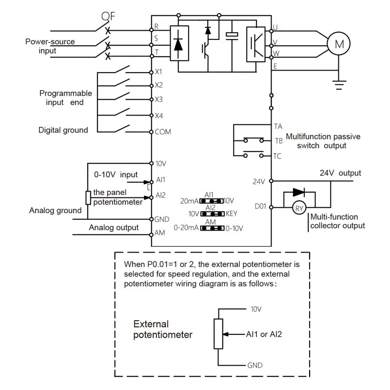
S, T являются входными клеммами однофазного источника питания преобразователя частоты
U, V, W являются выходными клеммами преобразователя частоты и подключен трехфазный асинхронный двигатель.


Наша технология продукции
А. Схема проводки терминала нашей продукции

B. Техническая спецификация для наших продуктов
● Входные и выходные характеристики
Вход Диапазон напряжения: 220V/380V ± 15%
Диапазон входных частот: 47 ~ 63 Гц
Диапазон выходного напряжения: 0 ~ Номинальное входное напряжение
Диапазон выходной частоты: 0 ~ 650 Гц
● Особенности периферийного интерфейса
Программируемый цифровой вход: 4 входа
Программируемый аналоговый вход: AI1: 0 ~ 10 в вход, AI2: 0 ~ + 5 В или панель потенциометра вход
Выход открытого коллектора: 1 выход
Релейный выход: 1 выход
Аналоговый выход: 1 выход, опционально 4 ~ 20 мА или 0 ~ 10 в
● Технические характеристики
Управление: pg-бесплатный Векторный контроль, V/F контроль
Пусковой крутящий момент: без векторное управление: 0,5 Гц/150% (SVC)
Соотношение скорости: без PG векторное управление: 1: 100
Точность контроля скорости: векторное управление PG: ± 0.5% от максимальной скорости
Несущая частота: 0,5 k ~ 15,0 кГц
● Особенности
Режим настройки частоты: Цифровая настройка, аналоговая Настройка, серийная Настройка связи, многоскоростная, PID Настройка.
Функция управления PID
Мульти-функция контроля скорости: 8-Управление скоростью
Функция управления частотой качания
Мгновенное отключение питания без функции остановки
Функция клавиш REV / JOG: пользовательские многофункциональные клавиши быстрого доступа
Функция автоматической регулировки напряжения: Когда напряжение сети изменяется, выходное напряжение может автоматически поддерживаться постоянно
Обеспечивает до 25 видов защиты от неисправностей: перегрузки по току, перенапряжения, перенапряжения, перегрева, потери фаз, перегрузки и другой защиты.
• Строгое управление производством
Управление 5S, стандартизированное производство и строгие испытания

• Честь нашей компании
Основные патентные технологии
Официальные производственные предприятия
Сертификация CE ЕС
Шэньчжэнь высокотехнологичные предприятия

• Чехлы для использования клиентами

Обратите внимание: Мы не несем ответственности за любые таможенные пошлины или налог на импорт!
Оплата
А. Пожалуйста, сделайте оплату путем безопасной оплаты заранее и чтобы мы могли организовать доставку вовремя.
B. Пожалуйста, напишите свой подробный адрес доставки, контактную информацию и номер телефона при оплате. Очень важно успешно доставить посылка. Перед оплатой убедитесь, что ваш адрес в Aliexpress совпадает с вашим адресом доставки. В частности, для российских покупателей необходимо указать полное имя (имя, среднее имя, фамилию). Большое спасибо.
C. Мы не несем ответственности за любые таможенные пошлины или налог на импорт. Пожалуйста, свяжитесь с таможней вашей страны, чтобы определить, какие дополнительные расходы будут понесены до торгов/покупки.
Упаковочный лист:
Машина * 1, обтекаемая Версия руководства продукта * 1 (включая гарантийный талон), линия расширения * 1 (введение клавиатуры, необходимо приобрести отдельно), сертификат сертификации продукта * 1
Дополнительное Примечание:
А.Если вам нужна подробная Версия руководства по продукту, вы можете связаться с нами, чтобы отправить его вам бесплатно.
B. Если нет бумажной продукции по эксплуатации во время упаковки чехол, это может быть из-за изменений продукта или обновлений. Пожалуйста, свяжитесь с нами для получения новейшего и точного электронного руководства.
Доставка
А. Вся посылка является стандартной упаковкой бумажной коробки или деревянной упаковкой для большого заказа.
B. Пожалуйста, обратите внимание на дату доставки с использованием другой экспресс-доставки, поэтому, пожалуйста, выберите правильную доставку в соответствии с вашими потребностями.
C. Если Вы готовитесь к большому заказу, пожалуйста, свяжитесь с нами, если хотите доставку любым другим способом.
D. Все пакеты будут отправлены с номером отслеживания.
Отзывы
Ваши положительные отзывы высоко ценятся. Мы гарантируем качество нашей продукции. Каждый товар тщательно проверяется перед отправкой. Пожалуйста, немедленно свяжитесь с нами, если есть какие-либо причины. Мы сделаем все возможное, чтобы удовлетворить вас.
Если вы удовлетворены нашими продуктами и обслуживанием, пожалуйста, оставьте положительный отзыв (★★★★★) Отзывы для нас. Это очень важно для нас. Большое спасибо заранее.
Свяжитесь с нами
Мы ответим на ваши запросы как можно скорее. Однако обратите внимание, что у нас есть разница во времени 12-16 часов с Западной Европой и разница во времени 8 часов с США, поэтому мы обещаем, что постараемся ответить в течение 24 часов.
Для оптовых заказов, пожалуйста, свяжитесь с нами для получения подробной информации. Мы можем предоставить вам соответствующую скидку.
-
10V Output VoltageYes
-
24V Output VoltageYes
-
Control ModeOpen loop vector control(SVC) V/F control
-
Input VoltageSingle phase 220V
-
Output VoltageThree-phase 220V
-
Relay outputNormally open and normally close
-
Вес2KG
-
Вес логистики2.000
-
Выходная мощность0.4kw/0.75kw/1.5kw/2.2kw/4kw/5.5kw/7.5kw
-
Выходной ток2.5A/4A/7A/10A/16A/20A/30A
-
Индивидуальное изготовлениеДа
-
Каждая упаковка1
-
Минимальная единица измерения100000015
-
Название брендаCNWeiKen
-
Номер моделиWK310/WK600
-
Продано Вsell_by_piece
-
ПроисхождениеКитай
-
Размер160*80*135
-
Размер логистики - высота (см)13
-
Размер логистики - длина (см)22
-
Размер логистики - ширина (см)15
-
СертификацияЕвропейский сертификат соответствия
-
ТипDC/AC Inverters
-
Тип выходаTriple
-
Частота на выходе0-650Hz





