5-осевой комплект с ЧПУ 5-осевой аварийный стоп электронный маховик MPG + 5-осевой Автономный контроллер с ЧПУ M350 1 МГц g-код
Shenzhen Zhicheng Electromechanics Co.,Ltd - Надежность 92.25%
Более 699 подписчиков, дата открытия магазина 09.08.2015
- Положительные оценки: 93% (29)
- Соответствие описанию: 90%
- Отвечает на сообщения: 92%
- Скорость отправки: 94%
Последнее обновление: 26.03.2022
Упаковка товара:
1 х контроллер с ЧПУ M3xx1 х USB удлинитель1 х 4 Гб USB флэш-дискСетевой кабель-1 шт.1 х MPG Маховик1 х маховик крюк

Описание продукта:

M350 Описание
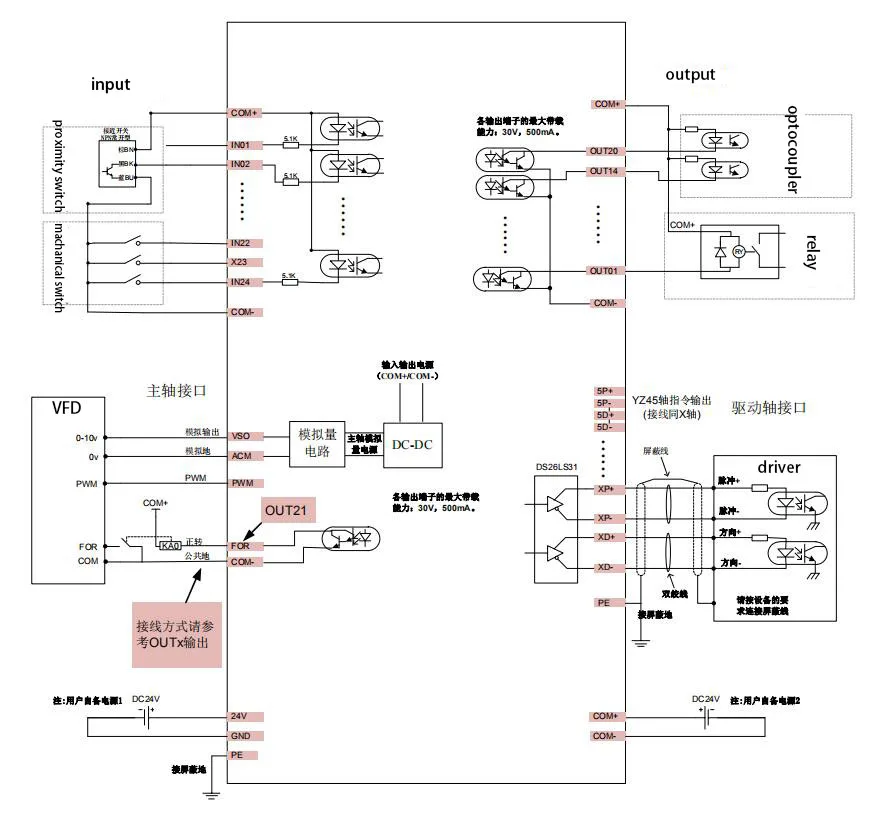
Эта система M3xx / M6xx является профессиональным 3-5 осевым контроллером движения на основе встроенной платформы, с 7/10,2 дюймовым полноцветным экраном,Полный ввод клавиатуры, Настраиваемые Функциональные клавиши, делают работу пользователя более удобной, поддержка мульти-процесса, прямой инструмент журнал, диск инструмент журнал функцииИнтерфейс и структура используют основной метод на рынке, с простой операцией, легко узнать и понять, и удобной установкой. Система принимает расширенную адаптивную скоростьПерспективный алгоритм управления имеет характеристики высокой эффективности обработки и хорошего качества поверхности. Удовлетворить потребности различных гравировальных машин, гравировальных и фрезерных машин, режущих машин.Контроллер датчика топлива внешней антенны GSM GPS рабочие параметры: Максимальное количество осей управления: M3xx Пять осей, M6xx четыре оси, 2-5 оси линейной интерполяции, произвольная 2 оси круговой интерполяции;Operation режим работы: основная работа гравировальной машины; Размер дисплея: 7/10,2 дюйм (ов) Разрешение дисплея: 1024*600; I / O: M6xx standard IO 20/21, M3xx standard IO 24/21; Analog Аналоговое Выходное напряжение: 0-10 В; PWM выход: только M3xxzTool Тип инструмента: мульти-процесс, прямой ряд, диск; Режим настройки инструмента: поддерживает автоматическую и ручную настройку инструмента; Тип настройки инструмента: фиксированная Настройка инструмента, плавающая Настройка инструмента, первая Настройка инструмента/вторая Настройка инструмента; Compensation методы компенсации: компенсация зазора направления, компенсация радиуса, компенсация длины;Algorithm алгоритм интерполяции: Тип S, дуговой жесткий алгоритм, дуговой мягкий алгоритм; Язык: поддержка китайского и английского языков; Сигнализация программного обеспечения с ЧПУ: ошибка программы, ошибка работы, ошибка перегрузки, сигнализация сервопривода и т. д. network Сеть: Поддержка обмена данными и Удаленная обработка файлов в режиме онлайн; Выход открытого коллектора, максимальный выходной ток 500мА, может непосредственно управлять реле; Направление импульса принимает дифференциальный выход, максимальная интерполяционная частота импульса составляет 1 МГц; Spindle режим управления шпинделем: многоступенчатая скорость (4 шага и 16 скоростей), аналоговый (0-10 В), сервошпиндель; Совместим со стандартными g-кодами. Поддержка основных CAD / CAM программного обеспечения, таких как ArtCam, MasterCam, ProE и т. д. Users пользователи могут общаться с внешними файлами через U диск и работать в автономном режиме; Многоступенчатая предварительная обработка, адаптивный контроль скорости вперед траектории обработки, быстрая скорость обработки, высокая точность и хорошая непрерывность обработки;Continuous непрерывная высокоскоростная обработка небольших линейных сегментов, автоматически выбирает наиболее эффективный алгоритм среди различных малых линейных сегментов управления; Поддержка обработки файлов сверхбольшой емкости; С памятью точки останова, функцией автоматической защиты отключения питания, функцией обработки близкой точки и выделенной линией обработки; Support Поддержка функции блокировки времени; Поддерживает четыре вида разрешения на работу (Гость, оператор, админ, супер админ); с автоматическим хомингом, хомингом, сохранением происхождения заготовки и загрузкой;

Определение и метод:




Размер:

Маховик Описание

Характеристики маховик:
Новый внешний вид, анти-помех, сильная грузоподъемность.Высокоинтенсивный полностью пластиковый корпус и высокая диэлектрическая прочность.Он снабжен трехуровневыми увеличениями, которые соответственно X1,X10 и X100.Он широко используется в станке с ЧПУ, с соотношением разрешения 100
Размер:

Область применения:




-
Вес логистики2.800
-
Каждая упаковка1
-
Минимальная единица измерения100000015
-
Название брендаНет
-
Номер моделиM350
-
ПрименениеФрезерный станок
-
Продано Вsell_by_piece
-
ПроисхождениеКитай
-
Размер логистики - высота (см)20
-
Размер логистики - длина (см)35
-
Размер логистики - ширина (см)30
-
СертификацияЕвропейский сертификат соответствия
-
Это умное устройствоno





