Новый обновленный Автономный контроллер ЧПУ M350, 5 осей + 5 шт., котенок 1 МГц, G-код, U-диск для обработки ЧПУ, гравировального или фрезерного станка
Foinnc Industry Accessories Store - Надежность 90%
Более 153 подписчиков, дата открытия магазина 04.03.2021
- Положительные оценки: 90% (161)
- Соответствие описанию: 90%
- Отвечает на сообщения: 90%
- Скорость отправки: 90%
Последнее обновление: 30.09.2024
Упаковочный лист
1 шт. контроллер M350 + 5 шт. 2DM542 включая некоторые аксессуары

Описание товара
Эта система M3xx / M6xx является профессиональным 3-5 оси движения контроллер на базе Платформа со встроенной, с 7/10,2 дюймовый полноцветный светодиодный экран, Полный ввод клавиатуры, Настраиваемые Функциональные клавиши, делают работу пользователя более удобной, поддерживает мульти-процесс, прямой журнал инструментов, дисковый инструмент Интерфейс и структура используют основной метод на рынке, с простой работой, легко научиться и понять, и удобная установка. Система использует передовую адаптивную скорость Перспективный алгоритм управления имеет характеристики высокой эффективности обработки и хорошего качества поверхности. Удовлетворить потребности различных гравировальных станков, гравировальных и фрезерных станков, режущих машин.

Спецификация
1. Режим работы: основной гравировальный станок; 2. Дисплей Размер: 7/10,2 дюйм (ов) 3. Разрешение дисплея: 1024*600; 4.O: M6xx стандарт IO 20/21, M3xx стандарт IO 24/21; Аналоговый Выходное напряжение: 0-10 В; PWM выход: только M3xxz 5. Тип журнала: мульти-процесс, прямой ряд, диск; 6. Режим настройки инструмента: поддерживает автоматическую и ручную настройку инструмента; Тип установки инструмента: фиксированная Настройка инструмента, плавающая Настройка инструмента, первая Настройка инструмента/вторая Настройка инструмента; Способы компенсации: Компенсация зазора направления, радиус Компенсация, компенсация длины; 7. Алгоритм интерполяции: Тип S, алгоритм arc hard, алгоритм arc soft; 8. Язык: поддержка китайского и английского языков; 9. Программная сигнализация с ЧПУ: ошибка программы, ошибка в работе, ошибка при переходе, будильник с сервоприводом и т. д. Сеть: Поддержка обмена файлами и Удаленная обработка файлов онлайн; 10. Выход открытого коллектора, максимальный выходной ток 500 мА, может непосредственно управлять реле; 11. Импульсное направление принимает дифференциальный выход, максимальная интерполяция импульсной выходной частоты-1 МГц; Режим управления шпинделем: многоступенчатая скорость (4 шага и 16 скоростей), аналог (0-10 В), серво шпиндель; 12. Совместимость со стандартными кодами G. Поддержка основного программного обеспечения CAD / CAM, такого как ArtCam, MasterCam, ProE и т. д. пользователи могут взаимодействовать с внешними файлами через u-диск и работать в автономном режиме; 13. Многоступенчатая предварительная обработка, Адаптивная скорость прямого контроля траектории обработки, быстрая скорость обработки, высокая точность и хорошая непрерывность обработки; 14. Непрерывная высокоскоростная обработка небольших линейных сегментов, автоматически выбирает наиболее эффективный алгоритм среди различных алгоритмов управления небольшими линейными сегментами; 15. Поддержка сверхбольшой емкости обработки файлов; 16. С памятью о поломке, функцией автоматической защиты от отключения питания, функцией обработки вблизи точки и назначенной обработкой линии; Функция блокирования времени с автоматическим отключением; 17. Поддерживает четыре вида разрешений на работу (гость, оператор, управляющий, супер-управляющий); С автоматическим размещением, размещением на дому, сохранением и загрузкой заготовки;

Внешний вид, структура и размер продукта
M350-это маленькая коробка, которая может поместиться в окно небольшого блока управления или управления Шкаф. Четыре фиксирующих крючка фиксируют этот контроллер от рамки. Размеры, которые вы найдете на рисунке 1-1 и рис. 1-2. Передняя панель 268 мм * 172,5 мм * 5,2 мм; Основной корпус 268 мм * 172,5 мм * 70 мм; Чтобы установить устройство в шкаф оборудования, Вырежьте отверстие 258,4 мм * 109 мм






Объяснение аббревиатуры
При использовании DDCS пользователи получат некоторые английские аббревиатуры. Здесь a FRO: контроль скорости подачи SRO: контроль скорости вращения шпинделя SJR: настройка скорости бега F: скорость подачи, единица измерения мм/мин S: Скорость вращения шпинделя, единица оборотов/мин. X: код координат оси X. Y: код координат оси Y. Z: код координат оси Z. О: код координат оси а B: код координат оси B Занят: система занята. Вы все еще можете настроить FRO и SRO Готов: готовый режим, любая операция может быть выполнена Сброс: режим сброса, контроллер находится в режиме «выключения», операция не может быть выполнена CONT: непрерывный режим, Каждая ось может быть вручную подключена с помощью клавиш со стрелками Шаг: ручной пошаговый режим, Каждая ось может быть подключена в определенные шаги MPG: режим MPG. Управляйте машиной с помощью MPG (ручной импульсный генератор) Занят: запуск кода G. Авто показывает, когда файл обрабатывается
Панель контроллера и управление (M350 и DDCS-EXPERT имеют одну и ту же клавишу панели, только разница в цвете)




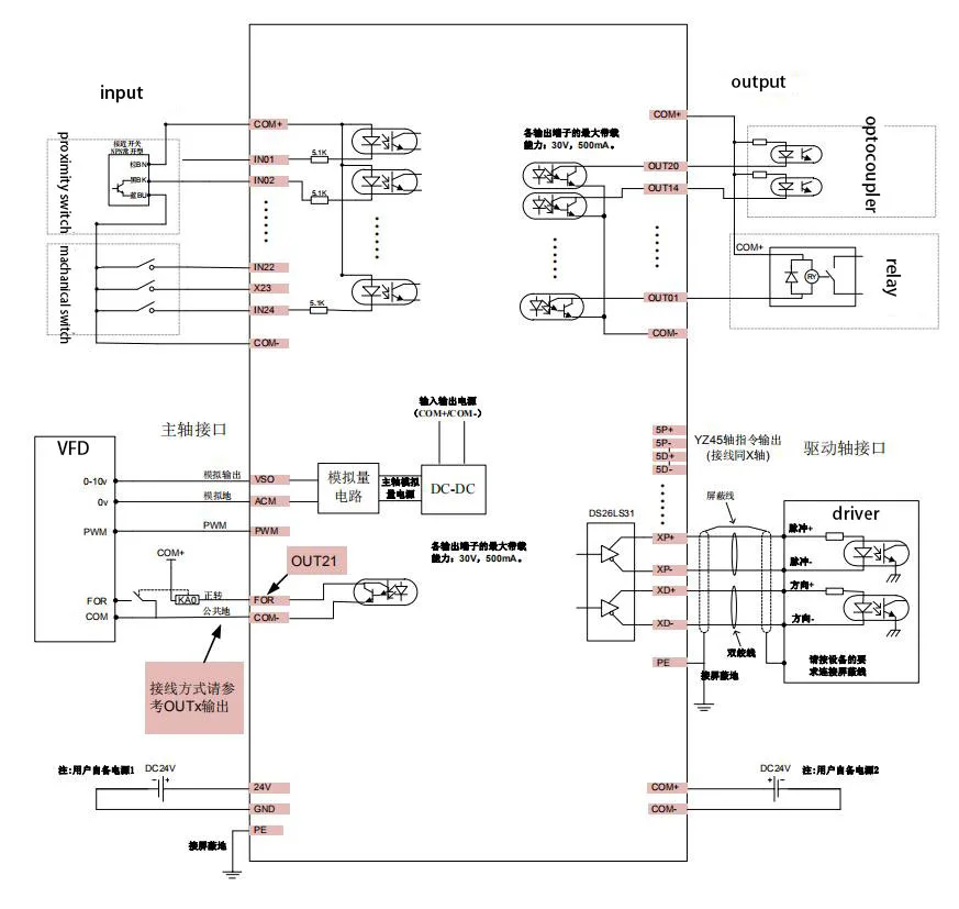
Входные и Внешние порты
Контроллер M350 создает самостоятельный метод портов IO. В соответствии с Любимый, пользователи могут определить входные и выходные порты, как они хотят. На странице IO пользователи могут определить входной порт и выходной порт, а также включить Входной/выходной порт и статус MPG. Питание на контроллере M350, система появится на главной странице и нажмите клавишу F4 для перехода На страницу порта IO:

На странице ввода-вывода, как показано ниже. На странице, вы можете использовать стрелку вверх/вниз, вправо/влево прибытие и ручку, чтобы выбрать и изменить настройки.

Проводка


Вход источника питания
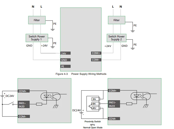
M350 нуждается в двух источниках питания, основная мощность для системы контроллера, мощность порта IO Для входа и выхода и MPG портов. Оба источника питания 24VDC, ток 3A. В системе Входной порт питания, отмеченные 24 В и GND являются основными входными портами питания; В IO вход питания Порт s, COM + и COM-это входной порт s для входного/выходного порта и MPG. Имейте в виду, только когда два источника питания подключены правильно, контроллер может работать должным образом. Многие новые пользователи дают только системную мощность, затем ограниченные переключатели, реле и MPG и Шпиндель вообще не работает, затем перейдите, чтобы проверить, предоставляете ли вы питание портам IO. IO power предоставляет питание для всех портов IO, включая ограниченный переключатель, реле, MPG,Etop и все другие входные и выходные порты, без него, шпиндель, MPG, порты ввода и вывода не могут работать. Поставки. Во избежание электрического шума настоятельно рекомендуется использовать два отдельных источника питания 24 В Для того, чтобы избежать высокочастотного электрического шума от кабеля источника питания, он сильно восстанавливается для инталла шумового фильтра на входе питания к источнику питания переключателя.


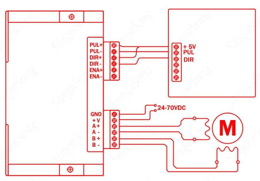
2DM542 Stepter двигатель Dirver

Основные характеристики:
1. Новая 32-битная технология DSP 2. Оптически изолированные дифференциальные входы (26LS32) 3. Ультра-низкий уровень шума и вибрации 4. Диапазон микро-шагов 2-128 5. Встроенный в 500 раз высокочастотный микрошаг 6. Драйвер 2-фазный шаговый двигатель с 4 проводами, 6, и 8 проводов 7. Настройки тока являются необязательными между рейтингами Ток будет автоматически уменьшен в два раза при остановке 8. Импульсная частотная характеристика до 200 кГц 9. Перенапряжение, низкое напряжение, короткое Защита цепи 10. Функция вывода сигнала тревоги I / O порты

Введение:
JMC 2DM542 представляет собой новый цифровой Драйвер шагового двигателя, который использует новейшую 32-бит DSP технология управления и встроенный микро-шаги технологии. Пользователи могут установить микро-шаги в пределах 25600 шагов/оборотов., и любое текущее значение в диапазоне номинального тока. 2DM542 драйвер значительно улучшает стабильность и уменьшает шум при низком делении. Автоматическая настройка параметров интегрирована внутри этого драйвера, может помочь водителю автоматически настроить лучшие рабочие параметры, чтобы максимизировать производительность различных шаговых двигателей.



Настройка разрешения микрошага:

Соединение размеров:




Свяжитесь с нами
Если у вас есть какие-либо вопросы, пожалуйста, свяжитесь с нами!

Оплата
Мы принимаем paypal ,Escrow, кредитные карты, T/T,Western Union,WebMoney Qiwi wallet и Brazil Boleto. Мы отправляем товары в течение 1-5 рабочих дней после получения оплаты. Заказы будут отменены, если оплата не будет получена в течение 10 дней с момента покупки.

Возврат
-Если вы получили неправильный или бракованный товар, пожалуйста, напишите нам в течение 7 дней с даты получения товара. -В течение 7 дней товар не может быть принят к возврату. -Если заказ неисправен, мы отправим вам запасные части после получения доказательства дефектных фотографий товаров, которые вы получили, и без дополнительной платы. Доставка и обработка не подлежат возврату. -Все возвраты должны включать в себя все оригинальные предметы, не поврежденные, в состоянии перепродажи, все упаковки, включая руководства, гарантийные формы и т. Д.
Доставка
-Пожалуйста, убедитесь, что указанный вами адрес верен. Если адрес неверный, посылка не может быть доставлена и отправлена обратно продавцу, покупатель должен оплатить первую и возвратную стоимость доставки.

-
Вес логистики3.000
-
Каждая упаковка1
-
Минимальная единица измерения100000015
-
Название брендаНет
-
Номер моделиM350 kit
-
ПрименениеТокарный станок
-
Продано Вsell_by_piece
-
ПроисхождениеКитай
-
Размер логистики - высота (см)15
-
Размер логистики - длина (см)30
-
Размер логистики - ширина (см)25
-
СертификацияЕвропейский сертификат соответствия
-
Это умное устройствоno





