Комплект фрезерного станка с ЧПУ, 5-осевой Автономный контроллер с ЧПУ M350, 1 МГц, G-код + 5-осевой маховик аварийной остановки, электронный маховик MPG
Shop5435195 Store - Надежность 84.75%
Более 245 подписчиков, дата открытия магазина 06.11.2019
- Положительные оценки: 85% (100)
- Соответствие описанию: 86%
- Отвечает на сообщения: 84%
- Скорость отправки: 84%
Последнее обновление: 10.10.2024
Посылка товара
1 х ЧПУ контроллер M3xx 1 Удлинительный USB-кабель 1 х 4 Гб USB флэш-диск 1 х сетевой кабель 1 х маховик MPG 1 х крюк для маховика

Описание товара

Описание M350
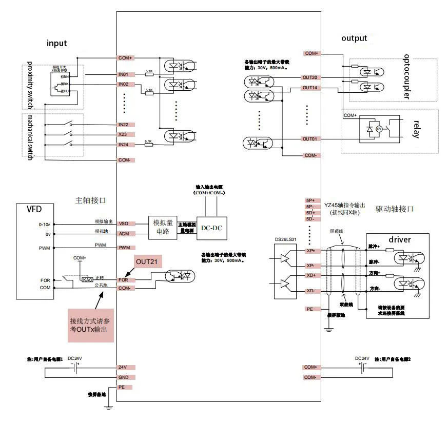
Эта система M3xx / M6xx является профессиональным контроллером движения 3-5 осей на основе встроенной платформы, с полноцветным экраном 7/10,2 дюймов, Полный ввод клавиатуры, Настраиваемые Функциональные клавиши, делает работу пользователя более удобной, поддержка многопроцессорного, прямого журнала инструментов, дисковый инструмент функций журнала Интерфейс и структура используют основной метод на рынке, простота в эксплуатации, простота обучения и понимания, а также удобная установка. Система использует расширенную адаптивную скорость Перспективный алгоритм управления обладает характеристиками высокой эффективности обработки и хорошего качества поверхности. Отвечает потребностям различных гравировальных станков, гравировальных и фрезерных станков, режущих станков. Параметры производительности контроллера: Встроенное максимальное количество осей управления: M3xx Пять осей, M6xx четыре оси, 2-5 оси линейной интерполяции, произвольная 2 оси круглой интерполяции; Встроенный режим работы: работа с системой гравировального Станка; Встроенный Размер дисплея: 7/10,2 дюймов; Высокое Разрешение дисплея: 1024*600; Встроенный вход/выход: M6xx стандарт IO 20/21, M3xx стандарт IO 24/21; Встроенный аналоговый выход напряжения: 0-10 В; Встроенный Выход PWM: только M3xxz Встроенный инструмент Тип журнала: многопроцессорный, прямой ряд, диск; Встроенный режим настройки инструмента: поддерживает автоматическую и ручную настройку инструмента; Встроенный тип настройки инструмента: фиксированная Настройка инструмента, настройка плавающего инструмента, первая Настройка инструмента/вторая Настройка инструмента; Встроенные методы компенсации: компенсация зазора направления, компенсация радиуса, компенсация длины; Встроенный алгоритм интерполяции: Тип S, алгоритм arc hard, алгоритм arc soft; Встроенный язык: поддержка китайского и английского языков; Встроенное программное обеспечение ЧПУ: ошибка программы, ошибка работы, ошибка передвижения, сервопривод и т. д. Встроенная Сеть: Поддержка обмена файлами и удаленной обработки файлов онлайн; Встроенный выход открытого коллектора, максимальный выходной ток 500 мА, может напрямую управлять реле; Когда направление импульса принимает дифференциальный выход, максимальная выходная частота импульса интерполяции составляет 1 МГц; Встроенный режим управления шпинделем: многошаговая скорость (4 шага и 16 скоростей), аналог (0-10 В), серво шпиндель; Встроенная Совместимость со стандартными G-кодами. Поддержка основного программного обеспечения CAD / CAM, такого как ArtCam, MasterCam, ProE и т. д. встроенные пользователи могут взаимодействовать с внешними файлами через U-диск и работать в автономном режиме; Высококачественная многоступенчатая предварительная обработка, Адаптивная скорость прямого управления траекторией обработки, быстрая скорость обработки, высокая точность и хорошая непрерывность обработки; Встроенная непрерывная высокоскоростная обработка мелких линейных сегментов, автоматический выбор наиболее эффективного алгоритма среди различных алгоритмов управления мелкими линейными сегментами; Встроенная поддержка обработки файлов большой емкости; Встроенная память точки останова, функция автоматической защиты от отключения питания, функция обработки близости к точке и обработка выделенной линии; Встроенная функция блокировки времени; Встроенная поддержка четырех видов разрешений работы (гостевой, оператор, администратор, супер администратор); Встроенная автоматическая настройка, настройка, сохранение и загрузка заготовки;

Определение и метод:




Размер:

Описание маховика

Особенности маховика:
Новинка, защита от помех, высокая грузоподъемность. Высокоинтенсивный полностью пластиковый корпус и высокая диэлектрическая прочность. Он оснащен трехуровневым увеличением, которые соответственно X1,X10 и X100. Широко используется в станке с числовым управлением с коэффициентом разрешения 100
Размер:

Область применения:



-
Вес логистики2.800
-
Каждая упаковка1
-
Минимальная единица измерения100000015
-
Название брендаНет
-
ПрименениеФрезерный станок
-
Продано Вsell_by_piece
-
ПроисхождениеКитай
-
Размер логистики - высота (см)30
-
Размер логистики - длина (см)30
-
Размер логистики - ширина (см)25
-
Это умное устройствоno





