Сертификат качества фрезерный станок с ЧПУ, одна ось 4.5A TB6660 Драйвер шагового двигателя 12-48 В, Заводские розетки
HYONGC Hongbang Motor Store - Надежность 97.75%
Более 3070 подписчиков, дата открытия магазина 15.10.2012
- Положительные оценки: 99% (362)
- Соответствие описанию: 98%
- Отвечает на сообщения: 98%
- Скорость отправки: 96%
Последнее обновление: 15.09.2024
1 шт. Драйвер шагового двигателя с ЧПУ TB6600 4.5A
В этом драйвере используется новый оригинальный чип Toshiba TB6600, стабильный, блокируется без шумов, встроенное колесо, защита от обратной полярности. Корпус радиатора изготовлен из того же размера, что и алюминиевый корпус 2M542, эффект охлаждения очень хороший! Некоторые маленькие драйверы радиатора, продаваемые другими продавцами, не на том же уровне, чтобы сравнить их с нашими драйверами, приветствуем каждого клиента в отличии!
1. Тип входного сигнала постоянного тока: 12 В ~48V (Типичные е-байка 36В);
2. Выход ток: 0,6 ~ 4.5A;
3. Микс: 1,2,4,8,16;
4. Форма защиты: защита от перегрева, защита от перегрузки по току, защита от перенапряжения;
5. Максимальная частота пульса 200 кГц;
6. Размеры: 118 мм * 87 мм * 35 мм;
7. Вес нетто: 253 г;
8. Рабочая зона: температура-15 ~ 50 градусов, влажность <90%.
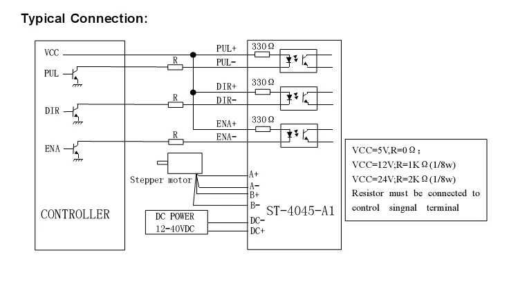
1: постоянный ток +: постоянный ток, положительное напряжение
Примечание: необходимо предохранять от превышения 45 в,
Таким образом, чтобы не повредить, не используйте модуль для зарядки аккумулятора.
2: постоянный ток-: постоянный ток, катод питания
3:A + A-: шаговый двигатель, одна намотка
4:B + B-: шаговый двигатель, другая намотка
5:PUL + PUL -: Импульсный ввод + 5 В (эффективный, увеличивающий край, длительность роста> 10 мкс)
6:DIR + DIR-: Входное направление двигателя, уровень напряжения выключен, высокий уровень вперед, низкий уровень назад
7:ENA + ENA-: без двигателя





-
Вес логистики0.4
-
Каждая упаковка1
-
Минимальная единица измерения100000015
-
Название брендаHYONGC
-
Номер моделиTB6600
-
ПитаниеDC
-
Продано Вsell_by_piece
-
Размер логистики - высота (см)5
-
Размер логистики - длина (см)10
-
Размер логистики - ширина (см)10
-
Тип двигателяШаговый двигатель
Отзывы покупателей
Страна: RU Доставка: Standard Shipping 30.10.2021
Товар соответсвует описанию.Рекомендую.Драйвера в России нет отправляют с китая.



