Радиочастотный пульт дистанционного управления 433 МГц с передатчиком и релейным приемником 433 МГц
Xiaohua's Digital Store - Надежность 82.5%
Более 1574 подписчиков, дата открытия магазина 02.04.2020
- Положительные оценки: 82% (1899)
- Соответствие описанию: 82%
- Отвечает на сообщения: 84%
- Скорость отправки: 82%
Последнее обновление: 15.04.2022
Описание:
Передатчик поддерживает обучающий код (1527) общая микросхема, например, PT1527, EV1527 и т. д. Совместимость с большинством 1527 пульт дистанционного управления релейная панель приемника.
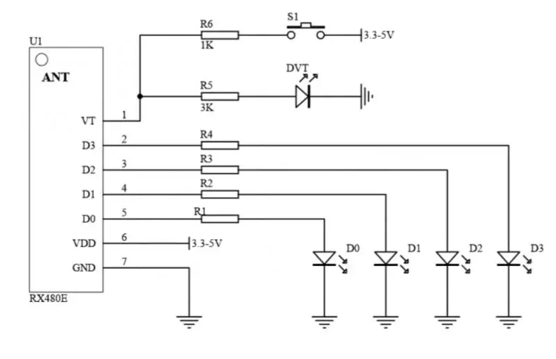
4-канальный Универсальное декодирование модуль: RX480E-4
Максимальное количество различных пультов дистанционного управления можно узнать и сохранить: 24.
До семи функций:
1. Пробежка
2. Самоблокирующийся
3. Блокировка
4. Двусторонняя самоблокировка + двухходовая пробежка.
5. Двусторонняя самоблокировка + Двусторонняя блокировка.
6. Двусторонняя пробежка + Двусторонняя блокировка.
7. Двусторонняя Блокировка + Двусторонняя блокировка.
Особенности:
Последняя функция самоизвлечения кода с защитой от потери решает проблему потери кода.
Новейшее программное обеспечение против помех позволяет избежать случайного запуска
Широко совместим, PT2262, PT2260, EV1527, PT2240 и т. Д.
Ультра-широкий диапазон ширины импульса: сопротивление колебания от 105 до 515 доступен
В режиме jog: Поддержка комбинированного кода
В режиме самофиксации: Поддержка комбинированного кода
В режиме блокировки: 4 независимых открытия и закрытия, комбинированный код всех замыканий
В комбинированном режиме два канала являются независимыми и не влияют друг на друга.
Ясно:
Нажмите кнопку learn code 8 раз, и светодиодный индикатор выключается. Примерно через 3 секунды светодиодный индикатор мигает 3 раза, очистка ок.
Узнайте Код:
Нажмите кнопку обучения на плате, светодиодный светильник включится и отпустите кнопку обучения, чтобы войти в режим соответствия кода обучения.
Нажмите любую клавишу на пульте дистанционного управления, светодиодный индикатор мигает 3 раза, процесс обучения в порядке, и система автоматически выходит из режима обучения.
Если после входа в режим соответствия кода обучения нет сигнала дистанционного управления, он автоматически покинет режим соответствия кода обучения через 10 секунд.
1. Самоблокировка:
Нажмите ту же кнопку дистанционного управления, нажмите его один раз, реле включается, и нажмите его снова, реле выключается.
2. Блокировка:
Нажмите кнопку дистанционного управления «A», реле откроется,
Нажмите кнопку «B» на пульте дистанционного управления, чтобы выключить реле.
3. Пробежка:
Нажмите кнопку «A» на пульте дистанционного управления, чтобы включить реле, и отпустите кнопку «A», чтобы выключить реле.
Если вы продолжите нажимать кнопку «A» на пульте дистанционного управления, реле всегда будет включено. Когда вы отпустите пульт дистанционного управления, реле будет выключено.
Объяснение цели выходного сигнала Светодиодный:
При нажатии любой кнопки пульта дистанционного управления конец приема декодируется, и после правильного декодирования светодиодный индикатор Выводит сигнал высокого уровня
1. Когда кнопка дистанционного управления выпущена, светодиодный выход становится 0. То есть, только когда прием действителен и правильно декодирован, он будет выводиться.
Характеристики:
Материал: металл и ПВХ.
Тип товара: Обучающий код (1527) Пульт дистанционного управления брелок.
Частота RF: 433 МГц.
Поддерживаемый канал: Четыре канала.
Тип кодирования: Обучающий код (1527).
Система модуляции: ASK.
Рабочее напряжение: 12 В постоянного тока.
Рабочий ток: <25 мА.
Мощность передачи: + 13 дБм.
Частота горизонтали: + 0,2 МГц или 0,2 МГц.
Расстояние передачи: 50 м (свободное пространство).
Посылка включает в себя:
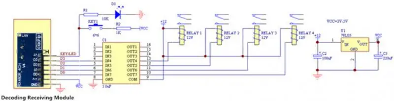
1 * релейный модуль выключателя приемника
Примечания:
Он не для клона! Используется для связывания получателя.
1. Этот пульт дистанционного управления поддерживает только код обучения (1527) приемника
2. Этот пульт не может быть запрограммирован.
3. Он не будет работать, если у вас есть только передатчик. Это части системы дистанционного управления, она должна работать с модулем релейного приемника дистанционного управления для достижения контроля.










-
Channel SupportedFour Channel.
-
Encoding TypeLearning Code(1527).
-
FansExtra coupon
-
Frequency Windage+0.2MHz or -0.2MHz.
-
MaterialMetal and PVC.
-
Modulation SystemASK.
-
Operating Current<25mA.
-
Operating VoltageDC 12V.
-
Product TypeLearning Code (1527) Remote Control Key Fob.
-
RF Frequency433 MHz.
-
SupportDropshipping
-
Transmission Distance50m (Free Space).
-
Transmitting Power+13dbm.
-
Беспроводная связьРФ
-
Вес логистики0.027
-
Каждая упаковка1
-
Минимальная единица измерения100000015
-
Название брендаНет
-
НазначениеУниверсальный
-
Номер моделиRelay Receiver Switches Module
-
Продано Вsell_by_piece
-
ПроисхождениеКитай
-
Размер логистики - высота (см)1
-
Размер логистики - длина (см)5
-
Размер логистики - ширина (см)4
-
СертификацияNONE
-
УпаковкаДа
-
Частота433 МГц





