Новейший беспроводной 4-канальный выход, кнопка обучения, 433 МГц, Радиочастотный пульт дистанционного управления, передатчик и 433 МГц, радиочастотный релейный приемник модуль выключателя
Very Luck Store - Надежность 76.75%
Более 207 подписчиков, дата открытия магазина 21.07.2021
- Положительные оценки: 75% (1195)
- Соответствие описанию: 78%
- Отвечает на сообщения: 78%
- Скорость отправки: 76%
Последнее обновление: 04.03.2022
Описание:
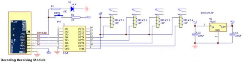
Передатчик поддерживает обучающий код (1527) общая микросхема, например, PT1527, EV1527 и т. д. совместим с большинством реле дистанционного управления 1527 панель приемника.
4-канальный модуль Универсальное декодирование: RX480E-4
Максимальное количество различных пультов дистанционного управления можно изучить и хранить: 24.
До семи вариантов функций:
1. Пробежка
2. Самоблокировка
3. Блокировка
4. Двусторонняя самоблокировка + Двусторонняя пробежка.
5. Двусторонняя самоблокировка + Двусторонняя блокировка.
6. Двусторонняя пробежка + Двусторонняя блокировка.
7. Двусторонний Блокировка + двусторонний блокировка.
Особенности:
Новейшая функция самовосстановления с защитой от потери кода решает проблему потери кода.
Новейшее программное обеспечение против помех вмешивается, чтобы предотвратить случайный запуск
Широкая совместимость, PT2262, PT2260, EV1527, PT2240 и т. д.
Сверхширокий диапазон ширины импульсов: Доступно сопротивление колебаний от 105 до 515
В режиме бега: поддерживает комбинированный код
В режиме самоблокировки: поддерживает комбинированный код
В режиме блокировки: 4 независимых открытия и закрытия, комбинированный код закрытия
В комбинированном режиме два канала независимы и не влияют друг на друга.
Очистка:
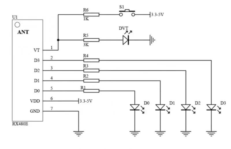
Нажмите кнопку изучения кода 8 раз, светодиодный погаснет. Примерно через 3 секунды светодиодный мигнет 3 раза, очистка ок.
Научитесь кодировать:
Нажмите кнопку обучения на плате, засветильник светодиод и отпустите кнопку обучения, чтобы войти в режим сопоставления обучающего кода.
Нажмите любую кнопку на пульте дистанционного управления, светодиодный мигнет 3 раза, процесс обучения в порядке, и система автоматически выходит из режима обучения.
Если после входа в режим сопоставления обучающего кода не появится сигнала дистанционного управления, он автоматически выйдет из режима сопоставления обучающего кода через 10 секунд.
1. Самоблокировка:
Нажмите ту же кнопку дистанционного управления, нажмите один раз, реле включается, и нажмите снова, реле выключается.
2. Блокировка:
Нажмите кнопку «A» на пульте дистанционного управления, реле откроется,
Нажмите кнопку «B» на пульте, чтобы выключить реле.
3. Пробежка:
Нажмите кнопку «A» на пульте, чтобы включить реле, и отпустите кнопку «A» на пульте, чтобы выключить реле.
Если вы продолжите нажимать кнопку «A» на пульте дистанционного управления, реле всегда будет включаться. Когда вы отпустите пульт дистанционного управления, реле выключится.
Объяснение цели выходного сигнала Светодиодный да:
При нажатии любой кнопки пульта дистанционного управления принимающий конец декодирует, а после корректного декодирования светодиод будет выводить сигнал высокого уровня
1. Когда кнопка дистанционного управления отпущена, светодиодный выход становится 0. То есть: только когда прием действителен и декодирован правильно, он будет выведен.
Характеристики:
Материал: металл и ПВХ.
Тип продукта: Обучающий код (1527) Брелок дистанционного управления.
Частота RF: 433 МГц.
Поддерживаемый канал: Четыре канала.
Тип кодирования: Обучающий код (1527).
Система модуляции: ASK.
Рабочее напряжение: 12 В постоянного тока.
Рабочий ток: <25 мА.
Мощность передачи: + 13 дБм.
Частота Windage: + 0,2 МГц или-0,2 МГц.
Дальность передачи: 50 м (свободное пространство).
Посылка
1 * релейный приемник модуль выключателя
Примечания:
Он не для клона! Используется для подключения приемника.
1. Этот пульт дистанционного управления поддерживает только обучающий код (1527) приемника.
2. Этот пульт не может быть запрограммирован.
3. Он не будет работать, если у вас только передатчик. Это часть системы дистанционного управления, для достижения управления требуется работа с модулем релейного приемника дистанционного управления.









-
FansExtra coupon
-
SupportDropshipping
-
Беспроводная связьРФ
-
Вес логистики0.015
-
Каждая упаковка1
-
Минимальная единица измерения100000015
-
Название брендаcentechia
-
НазначениеУниверсальный
-
Продано Вsell_by_piece
-
ПроисхождениеКитай
-
Размер логистики - высота (см)1
-
Размер логистики - длина (см)3
-
Размер логистики - ширина (см)3
-
СертификацияNONE
-
УпаковкаДа
-
Частота433 МГц





