1. Установите предохранитель 1 а для входящей линии переменного тока 220 В
2. Пожалуйста, сварите осторожно, и полярность компонентов не должна быть изменена, особенно при большом электролизе!
При первом включении постарайтесь держаться подальше от материнской платы! Предотвращение инцидентов с электрическим пистолетом, вызванных различными ошибками сварки!
Потенциометры напряжения и тока должны быть сварены и плотно соединены!
Если потенциометр отключен во время использования, будет Напряжение 30 в и выходной ток 5 А!
Параметры компонентов цепи имеют дизайн 30 в, 5 А, пожалуйста, не изменяйте выходное напряжение и ток по желанию!
3. В комплект не нужно брать с собой:
(1) трансформатор 150 Вт-180 Вт (ток 5 а)
Может быть настроен, чтобы указать требуемые 3 значения выходного напряжения 15 в 23 в 31 В (5 а)
Добавьте двойной ток 12 В в двойной ток 15 в, обмотка 1 А на трансформатор,
Наиболее подходит для разборки машины с плохим источником питания.
Или усилитель мощности разбирает ток 5A dual 12V to dual 15V. Добавьте небольшой трансформатор мощностью 15 Вт.
(2) измеритель напряжения и тока (3) 2 радиатора TIP3055,
(4) 12V0.2A Вентилятор охлаждения (5) чехол и красный и черный терминал
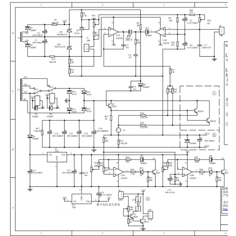
Простое описание схемы:
L1-дополнительный источник питания управления,
Используйте Центрально-резьбовой двойной трансформатор напряжения 12 в-15 А
Обмотка L1 предпочтительно наматывается на трансформатор с основным источником питания. Трансформатор под рукой не имеет таких обмоток
Вы также можете использовать независимый небольшой трансформатор,
Но для управления включением-выключением необходимо использовать тот же переключатель, что и главный трансформатор L2.
L2-это основное выходное напряжение, требующее большой мощности. 150 Вт-180 Вт
Если выход 30 в, подходящее напряжение крана составляет 0 в-15 в-23 в-31 в. Ток 5А
(Обратите внимание, что напряжение после исправления должно быть в пределах 50 в! Желательно в пределах 40 в!)
Основной трансформатор напряжения также может выбрать наиболее используемый центральный резьбовой двойной 13 в двойной 14 двойной 15 с током 5 А.
3 проводных конца такого двойного выхода 5A по очереди подключены к первым 3 клеммным колодкам,
Четвертая Клеммная колодка пуста. В настоящее время реле RL2 не установлено,
А также короткое замыкание 2 нормально замкнутых контакта RL2. Изображение ниже.
Вспомогательный контроль поддерживающий электролиз 25V2200*2 или 3300*2
7,5 K для 2K 3 Вт в схеме цепи резистора главного напряжения * 2
50V2200UF * 3 для фильтрации основного напряжения (Общая емкость не должна превышать 6600 мкФ)
2 внешних потенциометра для регулировки напряжения и тока могут быть заменены на стабильные и надежные многооборотные регулируемые самостоятельно!
(Объяснение изменения: Когда нагрузка открыта или светильник, напряжение будет иметь относительно большое превышение, когда исходная цепь отключена.
1. Чтобы снизить сопротивление размыкания конденсатора Главного Фильтра, уменьшите 7,5 K до 2k.
2. C1 и c2 следует увеличить до 2200 мкФ или 3300 мкФ. Цель состоит в том, чтобы контролировать время сохранения мощности конденсатор в цепи, чтобы быть дольше, чем время сохранения мощности конденсатора Главного Фильтра, чтобы предотвратить цепь управления (вспомогательная цепь) от потери мощности и потери управления выходным напряжением главной цепи)
3. Потенциометр напряжения выводит максимальное напряжение после плохого контакта или отключения. Попробуйте заменить потенциометр более высокого качества.
Принцип постоянного напряжения и постоянного тока:
Согласно U = IR, R = U/I:
Если R>(U/I), источник питания работает нормально.
Если R<(U/I), Я постоянный, часть постоянного тока источника питания защищена, и выходное напряжение падает до тех пор, пока условие R =(U/I) встречается.
Характеристика:
Так называемое постоянное напряжение означает, что напряжение может быть постоянным до значения, а постоянное напряжение регулируется, то есть постоянное значение напряжения регулируется.
Так называемый постоянный ток, то есть ток может быть постоянным до значения, регулируемый постоянный ток, то есть постоянное значение регулируется.
Использование:
Перед использованием регулируемого источника питания постоянного напряжения и постоянного тока необходимо сначала установить значение защиты постоянного тока, затем установить выходное напряжение, а затем начать работу.
Сначала Отрегулируйте выходное напряжение источника питания примерно на 5 В, выход от короткого замыкания, Отрегулируйте регулятор выходного тока, чтобы установить ток защиты до нужного вам значения, отмените короткое замыкание, отрегулируйте напряжение до необходимого значения, подключите экспериментальное оборудование и начните работу.
Например: Рабочее напряжение цепи составляет 12 В, а требуемый ток составляет около 0,3 а. Операция следующая.
Отрегулируйте выходное напряжение источника питания примерно на 5 В, выход от короткого замыкания, отрегулируйте выходную ручку тока, чтобы установить защитный ток 0,5 А (немного больше рабочего тока), отмените короткое замыкание, отрегулируйте напряжение до 12 В, Подключите цепь, чтобы начать эксперимент.
Если печатная плата будет помещена на металлическую часть цепи во время тестирования, ток резко увеличится. Когда ток поднимается до 0,5 А, защитная часть источника питания постоянного тока будет работать, даже если выходное напряжение падает для защиты испытательного оборудования.
Понимание здравого смысла:
После того, как напряжение переменного тока Отфильтровано на полную волну выпрямительный конденсатор, напряжение постоянного тока примерно в 1,414 раза превышает напряжение переменного тока.
Например, напряжение переменного тока 10 в примерно равно 14 в после фильтрации полной волной выпрямительный конденсатор. Выбор точки переключения реле:
Входное напряжение переменного тока минус 5 в соответствует напряжению переключения.
Например, трансформаторный кран 0-15V-25V-35
Затем напряжение переключения первого этапа составляет 15-5 в = 10 В, то есть он переключается на 25 в при 10 В.
Напряжение переключения второго этапа составляет 25-5 В = 20 в, то есть он переключается на кран 35 в при 20 в.
О том, включено ли реле или нет, можно судить по измерению напряжения в R17. Напряжение R17 (DC), разделенное на 1,414, примерно равно напряжению тока крана (AC).
Подготовка перед вводом в эксплуатацию:
После проверки и коррекции установки (должны быть установлены конденсаторы и диоды на выходе; TIP3055 должен быть установлен на большом радиаторе), если вы не подключаете амперметр, пожалуйста, короткое замыкание контакта амперметра «А», а затем включите питание.
Пожалуйста, обратитесь к схеме:
Измерьте напряжение C1 и C2, как обычно должно быть 12-25 В.
Измерьте напряжение С11, это нормально, если оно меньше 30 В.
Измерение напряжения С15, 12 В нормально.
Если указанное выше напряжение является ненормальным, проверьте, подает ли трансформатор питание, правильно ли подключены краны и установлены ли компоненты неправильно. Повторите вышеуказанные шаги до тех пор, пока напряжение не станет нормальным.
Процесс отладки:
Отрегулируйте VR3 и VR4, чтобы установить напряжение чипа U2 2 и 6 контактов выше 10 в
(Возьмите 4 фута U2 в качестве ориентира).
Напряжение в R17 должно быть выпрямленным и отфильтрованным напряжением первого этапа нажатия трансформатора.
Поверните ручку тока A-RP к середине, и в это время индикатор постоянного тока LED1 должен быть выключен.
Отрегулируйте V-RP, напряжение можно отрегулировать около 0-18 в (напряжение R17), это нормально.
Выходное напряжение настроено на напряжение точки переключения реле первого этапа
(Если вы не понимаете, перейдите в раздел «Выбор точки переключения реле»). Отрегулируйте VR3, чтобы rl1. RL2 не должен втягиваться в это время. В это время напряжение R17 должно быть выпрямленным напряжением второго этапа крана.
Отрегулируйте выходное напряжение до напряжения точки переключения реле второго этапа (если вы не понимаете, перейдите к «выбору точки переключения реле»), отрегулируйте VR4, чтобы rl2. В это время напряжение R17 должно быть выпрямленным третьим этапом.
Отрегулируйте выходное напряжение, чтобы увидеть, будут ли оба реле закрыты возле точки переключения. Нельзя всасывать и повторять вышеуказанные шаги, можно всасывать и продолжать.
Отрегулируйте на V-RP, чтобы увидеть Диапазон выходного напряжения. Отрегулируйте на V-RP для максимального выходного напряжения. Если максимальное напряжение не 30 в, отрегулируйте VR2, чтобы установить максимальное напряжение 30 в.
Регулировка постоянного тока:
Сначала убедитесь, что в регулирующей трубке достаточно большой радиатор и хорошая теплоотдача.
Отрегулируйте напряжение до 5 В, используйте Амперметр для проверки выхода короткого замыкания и проверьте, включен ли индикатор постоянного тока LED1?
Если он не светильник, возможна проблема с цепью постоянного тока. Проверьте, установлены ли компоненты неправильно и установлен ли LED1.
Если он включен, то короткое замыкание. Отрегулируйте A-RP до максимального тока короткого замыкания. Если максимальный ток не 5A, отрегулируйте VR1, чтобы сделать ток 5A.
Что касается вентилятора VR5 с контролем температуры, когда радиатор нагревается до определенного уровня, вы считаете, что Вентилятор охлаждения должен работать, просто Отрегулируйте VR5, чтобы вентилятор работал.
На этом этапе ваш блок питания можно использовать.
Желаю вам успехов в творчестве!
Посылка входит только эта деталь!




