Suq CD4017 вращающийся светодиодный SMD NE555 паяльная доска DIY Kit Fanny Skill тренировочный электронный костюм
SUQ Official Store - Надежность 96.5%
Более 8309 подписчиков, дата открытия магазина 17.08.2016
- Положительные оценки: 98% (4251)
- Соответствие описанию: 96%
- Отвечает на сообщения: 96%
- Скорость отправки: 96%
Последнее обновление: 11.09.2024
Старт
WAVGAT 1x5 матричный массив 5Key мембранный переключатель Keypa...US $2,10
Новый 10 шт. тип A Женский USB 4 контактный разъем Конн ..US $1,36
3G 4G LTE антенна TS9 патч-антенна 3dbi с exte...US $4,28
DIY наборы AT89C2051 электронные часы цифровые трубки L...US $2,78
4 в 1 700 точка положения SYB-500 Tiepoint PCB Sol...US $11,85
1 шт. датчик расхода воды расходомер Датчик Холла...US $2,58
10 шт танталовый конденсатор AVX 7343 Тип D 106 мкФ...US $1,80
Премиум черный Чехол-коробка Raspberry Pi 2 B чехол Cov...US $1,68
WAVGAT W25Q64FVSSIG W25Q64FVSIG 25Q64FVSSIG 25Q64F...US $5,80
40 шт./лот 10 см 2,54 мм 1pin папа-папа Перемычка...US $0,62
Конец
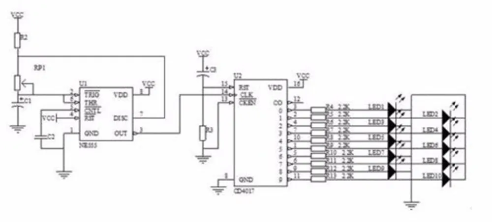
Введение продукта:
1. Размер платы; 90*60 мм
2. Толщина платы: 1,6 мм
3. Схема подачи воды: CD4017,NE888, светодиодный; После правильного коннекция, он будет работать
4. Рабочее напряжение: 3-12 В
Материал платы: Международный стандартный лист, все жестяные пластины, высокопрочный огнестойкий материал, может быть повторена разборка. 6. Конструкция платы PCB является разумной, обычно используются в компонентах SMD. 7. Левый и правый из трех компонентов используются для тренировки сварки, каждый столб с тестовой точкой. 8. Середина круговой цепи для цепи водяного фонаря, CD4017, NE555, светильник, мощность сварки может работать. 9. Цепь также используется на задней части, линейка для облегчения измерения компонентов. Есть примеры проводников PCB для облегчения использования дизайна PCB. Количество компонентов: 125 Количество паяльных соединений: 274 Длина припоя: 35 см (диаметр: 0,6 мм) Время пайки образца: 35 минут
Примечание:
Допускается погрешность в 0,5-1 см из-за ручного измерения
Цвет товара, отображаемый на фотографиях, может немного отличаться на мониторе вашего компьютера, так как мониторы не откалиброваны так же
Упаковочный лист:

-
Вес логистики0.023
-
Индивидуальное изготовлениеДа
-
Каждая упаковка1
-
Минимальная единица измерения100000015
-
Мощность рассеивания..
-
Название брендаSUQ
-
Напряжение электропитания...
-
Номер моделиCD4017
-
ПрименениеOther
-
Продано Вsell_by_piece
-
ПроисхождениеКитай
-
Рабочая температура...
-
Размер логистики - высота (см)5
-
Размер логистики - длина (см)5
-
Размер логистики - ширина (см)55
-
СостояниеНовый
-
ТипOther
Отзывы покупателей
Страна: RU Доставка: Cainiao Saver Shipping For Special Goods 06.10.2020
Ок
Страна: RU Доставка: Cainiao Saver Shipping For Special Goods 16.10.2020
Ок хб
R***r
Страна: RU Доставка: Cainiao Super Economy 12.10.2020
Продавец не положил в посылку два товара из заказа и всячески выгоражевается. Я спор открывать не стал, хрен на него. Этот магазин и этого продавца НЕ РЕКОМЕНДУЮ.





