Последнее обновление: 01.10.2024
8DI / 4RO цифровой вход и выход удаленный IO модуль Modbus RTU связь RS485 изолированное приобретение

Описание товара
Модуль MBSL8DI4RO представляет собой 8-канальный цифровой изолированный вход, 4-Канальный Релейный изолированный выход, выход через интерфейс RS485. Модуль использует стандартную связь Modbus RTU, адаптирует множество видов программного обеспечения, PLC, DCS и так далее. Блок питания модуля, электрические сигналы связи RS485 изолированы друг от друга, эффективно подавляют последовательный режим и помехи в общем режиме.
Используя стандартную связь RS485 MODBUS RTU, конфигурационное программное обеспечение, ПЛК и промышленный сенсорный экран могут образовывать сеть.
Контроль сигнала, источник питания, электрические сигналы связи RS485, изолированные друг от друга.
Схема связи с защитой от молний, защитой от помех, полярностью питания.
Защита Цепи связи от молнии, помех.
Интерфейс выхода сигнала связи RS485 с двойной защитой от перенапряжения и перегрузки по току
Приобретение сигнала и контроль могут широко использоваться в промышленных полевых устройствах.
Формат связи может быть установлен с помощью программного обеспечения
Этот модуль имеет аппаратный сторож и механизм защиты вывода для защиты вашего оборудования.Микроконтроллер будет сброшен в 2 случаях. Во-первых, когда микроконтроллер мертв. Другая заключается в том, что основная станция не отправляет данные в ведомый модуль, модуль сбросит микроконтроллер через 6 секунд.Очень необходим механизм защиты выхода.
Например, когда цифровой выходной модуль управляет двигателем, Главная станция поддерживает работу двигателя. Если шина 485 отключена, когда мастер хочет отправить сигнал для отключения двигателя, ведомый модуль не будет получать данные, тогда двигатель будет работать, существует риск безопасности.
С этой функцией модуль постоянно проверяет себя. При сбое сети 485 модуль автоматически отключает выход. Это позволяет избежать аварий.
Посылка
1 * 8DI / 4RO цифровой вход и выход RS485 модуль

Основные характеристики:
Товар
Характеристики
Вход/выход сигнала
A. Входной канал: 8-канальный цифровой вход
B. Выходной канал: 4-канальный Релейный выход
C. Грузоподъемность: резистивная нагрузка 250 В/2 А, Индуктивная нагрузка 250 В/1 А
D. Катушка реле и напряжение изоляции контакта: 2000 В
Выход связи
А. Протокол связи: MODBUS-RTU
Б. Тип интерфейса: Изолированная связь RS485, выходной интерфейс с двойной защитой от перенапряжения и перегрузки по току
C. Скорость передачи: бит/с, бит/с
Д. Паритет: без паритета, четного паритета, нечетного паритета
Е. Режим установки: адрес модуля, скорость передачи данных, четность можно установить через программное обеспечение
Ф. Расстояние связи: 1200 бит/с, метров
Размер модуля и установка
А. Установка: стандартное Крепление на DIN-рейку или винтовое крепление
Б. Размеры: 125 × 73 × 35 мм
Рабочая среда
Температура: -10 ~ + 60 ℃
Влажность: 35 ~ 85% (без конденсации)
Рабочая мощность
А. Напряжение источника питания: 10 В ~ 30 В, широкий диапазон источника питания с защитой полярности питания
Б. Потребляемая мощность: менее 3 Вт
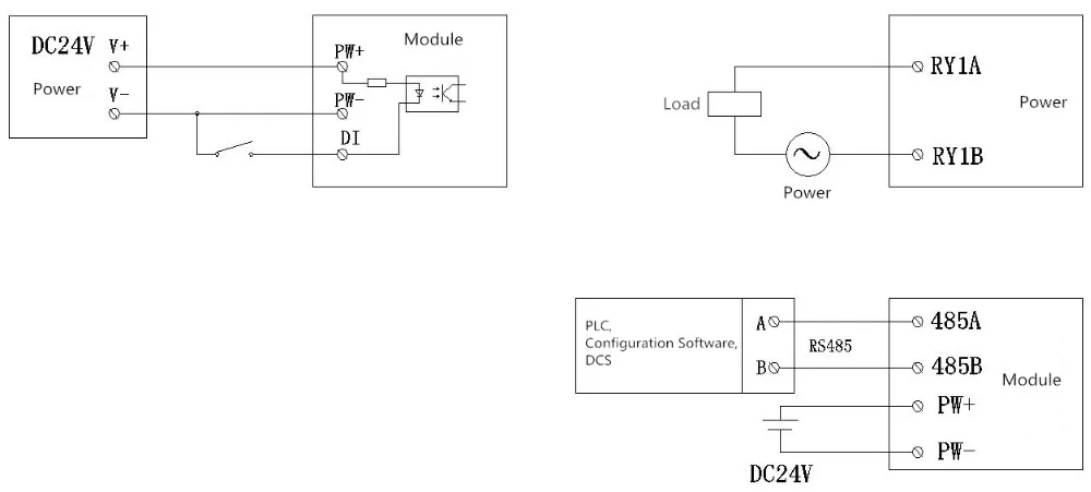
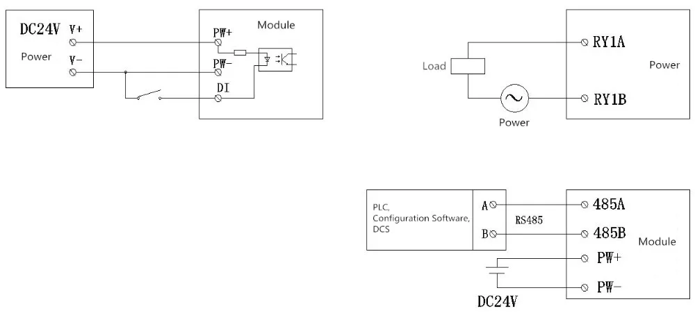
Определение интерфейса:Название терминала
Описание
Название терминала
Описание
PW +
Положительная клемма внешнего входа питания
485A
Сигнал RS485 A +
PW-
Отрицательная клемма внешнего входа питания
485B
Сигнал RS485 B-
BDI1
Цифровой входной канал 1
RY1A
Релейный выходной канал 1
BDI2
Цифровой входной канал 2
RY1B
BDI3
Цифровой входной канал 3
RY2A
Релейный выходной канал 2
BDI4
Цифровой входной канал 4
RY2B
BDI5
Цифровой входной канал 5
RY3A
Релейный выходной канал 3
BDI6
Цифровой входной канал 6
RY3B
BDI7
Цифровой входной канал 7
RY4A
Релейный выходной канал 4
BDI8
Цифровой входной канал 8
RY4B
Схема подключения модуля:

Параметры связи (заводские настройки): 9600, N, 8,1
Параметр
Описание
9600
Скорость передачи
N (без паритета)
Проверить цифру
8
Бит данных
1
Стоп-бит
Описание реестра Modbus и протокола связи:
1. Код функции MODBUS и диапазон адресовТип регистра
Диапазон адресов
Код функции
Описание кода функции
Эксплуатация
Выходная катушка
Регистрация
00001-00004
0x01h
Считывание нескольких регистров катушек
Считывает значение одного или нескольких регистров катушек
0x05h
Записать регистр катушек
Запишите зарегистрированное значение катушки
0x0FH
Запишите один или несколько регистров катушек
Запишите значение одного или нескольких регистров катушек
Регистрация
40001-40016
0x 03H
Чтение нескольких регистров хранения
Считывает значение одного или нескольких холдинговых регистров
0x 06H
Записать единый Холдинг
Запись данных в реестр холдинга
0x 10H
Запись нескольких регистров хранения
Одна или несколько данных записываются в реестр холдинга
Цифровой вход
10001-10008
0x02h
Считывание входного дискретного
Дискретный регистр ввода
2. Зарегистрируйте описание определения(1) регистр выходной катушки (код функции: 0x01H, 0x05H, 0x0FH)
Адрес
Параметр
Длина
Р/б
Мин
Макс
Описание
00001
DO1
1
Р/б
0
1
Релейный выходной канал 1
00002
DO2
1
Р/б
0
1
Релейный выходной канал 2
00003
DO3
1
Р/б
0
1
Релейный выходной канал 3
00004
DO4
1
Р/б
0
1
Релейный выходной канал 4
(2) регистрация (код функции: 0x03H, 0x06H, 0x10H)
Адрес
Параметр
Длина
Р/б
Мин
Макс
Описание
40001
DI(1 ~ 8)
2
Р
0
0xff
Считывает состояние 8-битного цифрового входа
40002
DO(1 ~ 8)
2
Р/б
0
0x0f
Управляет состоянием 8-битного цифрового выхода
40003
Адрес устройства
2
Р/б
1
247
1 (по умолчанию)
40004
Скорость передачи
2
Р/б
1
5
1(4800)
2(9600) по умолчанию
3(19200)
4(38400)
5(57600)
40005
Проверить цифру
2
Р/б
1
3
1 (без четности) по умолчанию
2 (нечетный паритет)
3 (равномерный паритет)
40006
Выбор кода функции
2
Р/б
0
1
1 удерживающий регистр управляет выходным портом
40007
Версия продукта
2
Р
0
-
Год + месяц + день
(3) дискретный регистр ввода (код функции: 0x02H)
Адрес
Параметр
Длина
Р/б
Мин
Макс
Описание
10001
DI1
1
Р
0
1
Состояние цифрового входа бит 1
10002
DI2
1
Р
0
1
Состояние цифрового входа bit 2
10003
DI3
1
Р
0
1
Состояние цифрового входа bit 3
10004
DI4
1
Р
0
1
Цифровой входной бит 4 состояния
10005
DI5
1
Р
0
1
Состояние цифровой входной бит 5
10006
DI6
1
Р
0
1
Цифровой вход bit 6 status
10007
DI7
1
Р
0
1
Цифровой вход bit 7 status
10008
DI8
1
Р
0
1
Цифровой вход bit 8 status
Конфигурация продукта 1. Настройки связи(1) Заводские параметры связи по умолчанию
Товар
Зарегистрированный адрес
Описание
Значение по умолчанию
Адрес
40003
1 по умолчанию
1
Скорость передачи
40004
1(4800)
2(9600) по умолчанию
3(19200)
4(38400)
5(57600)
2
Проверить цифру
40005
1 (без четности) по умолчанию
2 (нечетный паритет)
3 (равномерный паритет)
1
Бит данных
--
Не регулируется
8 бит
Стоп-бит
--
Не регулируется
1 бит





