USB MACH3 100 кГц, 4-осевая плата, Драйвер интерфейса, контроллер движения для фрезерного станка с ЧПУ
1 159,90₽
В наличии!
C NC Equipment Manufactory Store - Надежность 90%
Более 765 подписчиков, дата открытия магазина 15.09.2015
- Положительные оценки: 90% (191)
- Соответствие описанию: 90%
- Отвечает на сообщения: 90%
- Скорость отправки: 90%
Последнее обновление: 03.09.2024
Фрезерный станок с ЧПУ MACH3, 4-осевой 100 кГц, USB, гладкий степпе...
1 517,15₽
Последнее обновление: 14.09.2024
4-осевой USB-контроллер шагового движения с ЧПУ, 100 кГц, 12-24 В
1 299,98₽
Последнее обновление: 01.05.2022
USB-контроллер Mach3 100 кГц, коммутационная плата, 4-осевой интерф...
1 940,04₽
Последнее обновление: 01.03.2022
CNC mach3 контроллер 4 оси usb motion карты 100 кГц коммутационная ...
1 602,82₽
Последнее обновление: 24.04.2022
4-осевой ЧПУ-роутер MACH3 100 кГц USB фрезерный контроллер движения...
1 699,35₽
Последнее обновление: 29.05.2022
MACH3 USB контроллер движения карты breakout доска для ЧПУ гравировки 4 оси 100 кГц
Примечание: Если клиенты не получили cd, пожалуйста, свяжитесь с продавцом, чтобы получить ссылку для загрузки файлов данных, включая usb-драйвер.
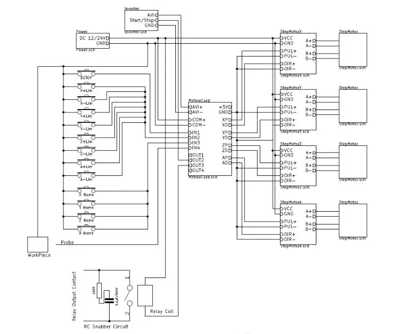
Спецификация:
1. Поддержка для 4-осевого связь, вы можете подключить четыре привод шагового двигателя или; Сервоприводы
2. Максимальная частота импульса 100 кГц, которая подходит для сервопривода или шагового двигателя;
3. Поддержка автоматического зонда
4. Поддержка аварийного ввода
5. Поддержка концевого выключателя
6. Поддержка подключения электронного маховика
7. Необходимо использовать внешний источник питания постоянного тока 24 В для изоляции USB и внешнего порта и сделать систему более стабильной
8. Есть выходной порт 0-10 В, вы можете использовать программное обеспечение mach3 для управления скоростью двигателя шпинделя.
9. 4 входы общего назначения, вы можете подключить концевой выключатель, переключатель estop, переключатель зонда, обратно к нулю и другому устройству
10. 4 изолированный выходной интерфейс релейного привода общего назначения, может управлять четырьмя реле для управления запуском шпинделя, вращением вперед и обратным вращением, насосами и другим устройством
11. 1 светодиодный статус, укажите Статус подключения на плате
Размер: 8x7, 7 см/3.15x3.03 дюйма
Посылка включает в себя:
1 x карта контроллера USB CNC
1 х USB кабель
1 x CD
Я установил Vista без проблем
Я не знаю. У меня Win10
Не покупай плата плохая
Нет проблем
Отлично работает!
Нет проблем
-
Вес логистики0.200
-
Каждая упаковка1
-
Минимальная единица измерения100000015
-
Название брендаНет
-
Номер моделиUSB Mach3 driver board
-
ПитаниеDC
-
Продано Вsell_by_piece
-
ПроисхождениеКитай
-
Размер логистики - высота (см)10
-
Размер логистики - длина (см)10
-
Размер логистики - ширина (см)10
-
СертификацияЕвропейский сертификат соответствия
-
Тип двигателяШаговый двигатель
Отзывы покупателей
R***r
Страна: RU Доставка: Standard Shipping 27.10.2021
Не пришёл диск.





