CNC mach3 контроллер 4 оси usb motion карты 100 кГц коммутационная плата интерфейс драйвер motion контроллер для ЧПУ 3040 Маршрутизатор Машина
BGA-CNC-Factory Store - Надежность 93.5%
Более 1844 подписчиков, дата открытия магазина 13.01.2015
- Положительные оценки: 94% (215)
- Соответствие описанию: 94%
- Отвечает на сообщения: 94%
- Скорость отправки: 92%
Последнее обновление: 24.04.2022
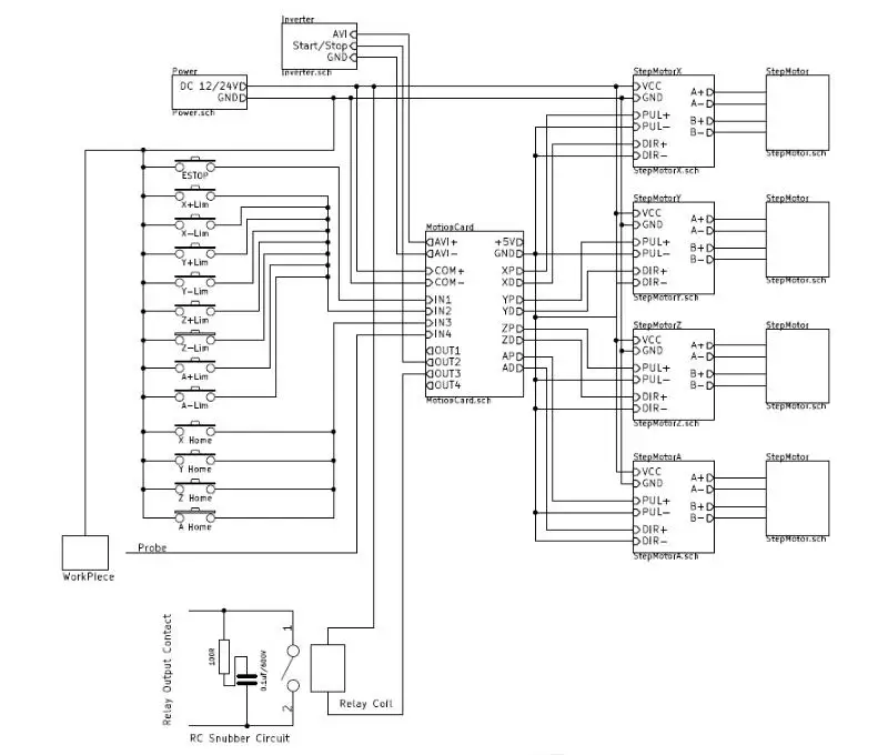
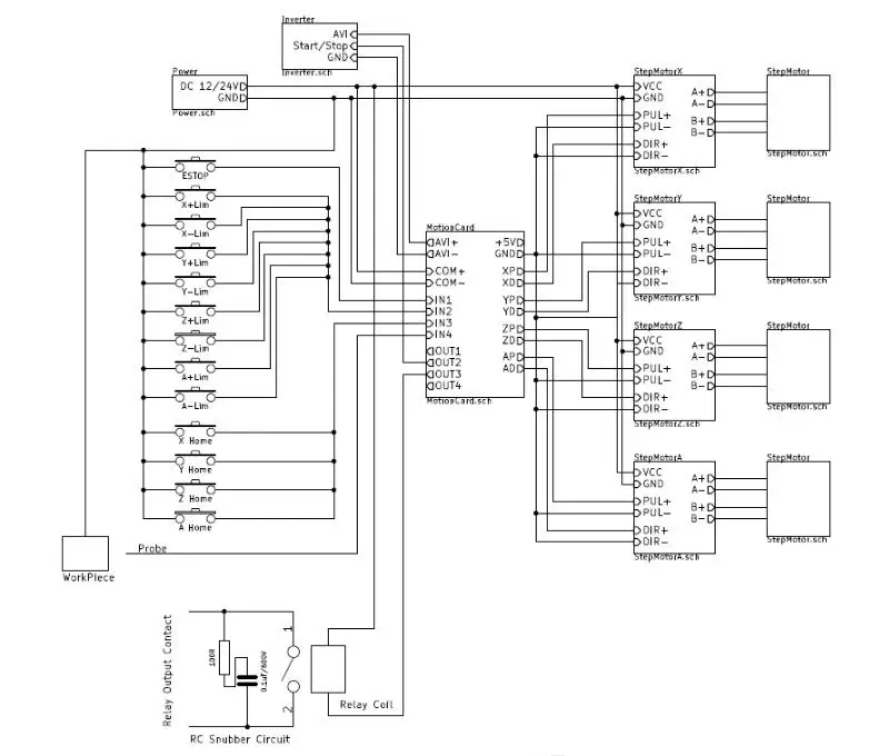
1. Поддержка для 4-осевого связь, вы можете подключить четыре привод шагового двигателя или; Сервоприводы
2. Максимальная частота импульса 100 кГц, которая подходит для сервопривода или шагового двигателя;
3. Поддержка автоматического зонда
4. Поддержка аварийного ввода
5. Поддержка концевого выключателя
6. Поддержка подключения электронного маховика
7. Необходимо использовать внешний источник питания постоянного тока 24 В для изоляции USB и внешнего порта и сделать систему более стабильной
8. Есть выходной порт 0-10 В, вы можете использовать программное обеспечение mach3 для управления скоростью двигателя шпинделя.
9. 4 входы общего назначения, вы можете подключить концевой выключатель, переключатель estop, переключатель зонда, обратно к нулю и другому устройству
10. 4 изолированный выходной интерфейс релейного привода общего назначения, может управлять четырьмя реле для управления запуском шпинделя, вращением вперед и обратным вращением, насосами и другим устройством
11. 1 светодиодный статус, укажите Статус подключения на плате
Размер: 8x7, 7 см/3.15x3.03iNchПосылка включает в себя:1 x карта контроллера USB CNC
1 х USB кабель
1 x CD










-
Вес логистики0.100
-
Каждая упаковка1
-
Минимальная единица измерения100000015
-
Название брендаНет
-
Номер моделиCNC mach3 usb motion card
-
Продано Вsell_by_piece
-
ПроисхождениеКитай
-
Размер логистики - высота (см)5
-
Размер логистики - длина (см)8
-
Размер логистики - ширина (см)8
-
СертификацияЕвропейский сертификат соответствия





