5-дюймовая ЖК-панель 480x27 2 с контроллером, порт TTL RS232 RS485, сенсорный экран, поддержка порта MCU STVI050WT-01
STONE Official Store - Надежность 96.75%
Более 750 подписчиков, дата открытия магазина 25.10.2010
- Положительные оценки: 97% (35)
- Соответствие описанию: 98%
- Отвечает на сообщения: 96%
- Скорость отправки: 96%
Последнее обновление: 08.03.2022

Модуль интеллектуального TFT-LCD
Модель
STWI050WT/N-01
5 дюймов 480x27 2 ЖК-панель с контроллером + TTL RS232 RS485 порт + сенсорный экран Поддержка порта любой MCU STVI050WT-01
ВSTWI050WT/N-01Была задумана какTFT мониторИСенсорный контроллер.Он включает в себя процессор, программу управления, драйвер, флэш-память, RS232/RS422 / RS485/ TTL / LAN порт, Wi-Fi/Bluetooth, Сенсорный экран, источник питания и т. Д., поэтому это целая система отображения, основанная на мощной и легкой операционной системе,Который может управляться любым MCU.
ВSTWI050WT/N-01Может использоваться для выполнения всех основных функций, таких как отображение текста, отображение изображения, отображение кривой, а также Функция касания,Функция видео и аудио и т. д. пользовательский интерфейс может быть более широким и разнообразным. И флэш-память может хранить ваши данные, файлы конфигурации, файл изображения, файл шрифта, видео файл и аудио файл и т. Д.



Технические параметры
Физический параметр
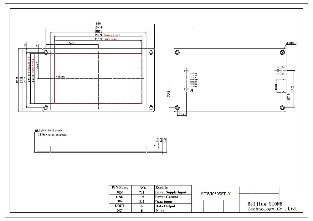
Размеры
5,0 дюймов
Разрешение
800 × rgb× 480
Расстояние между пикселями
0,045 (Ш) × 0,135 (В) мм
Цвет
262144Цвета (18 бит)
Область просмотра
108,0 (Ш) × 64,8 (В) мм
Размер дисплея
109,6 мм ×66,8 мм
Общий размер
140 мм × 80,9 мм × 15,1 мм(T)
(СтандартТип)
140 мм × 80,9 мм ×23,8 мм (T)
(СПорт Ethernet)
Вес нетто
200 г (T)
Дисплей
ПодсветкаТип
Светодиодный
Яркость
350cd/m2
(Яркость может бытьРегулируется на 100 уровней)
Контрастность
500:1
ПодсветкаЖизнь
30000 часов
ПросмотрУгол обзора
70 °/70 °/50 °/70 °(L/R/U/D)
Панель TFT
Промышленная панель класса А
Сенсорный экран
4 проводаСопротивление касания/Емкостное касание/без сенсорного экрана
ЭкранРежим:
Цифровой
Процессор
Процессор
Кортекс а8
Частота обновления
1 г Гц
Максимальная частота кадров
60 кадров в секунду
Память
Флэш-память
Стандартный 256 Мб, расширение 1 ГБ или 2 Гб
ПамятьКоличество для изображения
СогласноС возможностью изображения, предлагаем "PNG, BMP, JPG, SVG, GIF"Формат.
Технические параметры
Интерфейс
Серийный интерфейс
RS232 / RS422 / RS485 / TTL уровень
Интерфейс Ethernet
10 м/100 м (опционально)
Беспроводной интерфейс
Wi-Fi / Bluetooth (опционально)
Загрузка файла проекта
Порт USB2.0 или U диск для хранения
МощностьПоставка
Номинальное напряжение
+ 12 В постоянного тока или + 5 В постоянного тока
Допустимый диапазон напряжения
+ 7 В постоянного тока...+ 28 В постоянного тока или + 5 В постоянного тока
Макс. Допустимые переходные процессы
+ 28 в
Время между двумя переходными режимами
Минимум 50 сек
Внутренний предохранитель
2а Самовосстанавливающийся Предохранитель
Энергопотребление
2,4W
ЭлектрическиеХарактеристики
Параметр
Состояние
Мин
Тип
Макс.
ПоставкаТок
Вин = 12 В
(Макс.Яркость)
165мА
Вин = 12 В
(ЗакрытьЯркость)
75ма
БодСтавка
115200Bps
Сигнал
Технические параметры
ОкружающийУсловия
Макс. Допустимая температура окружающей среды
Управление
Хранение
-30℃ ~+ 80℃
-30℃ ~+ 80℃
Относительная влажность
Управление
Хранение
55℃, 85%
60℃, 90%
Ударная загрузка
Управление
Хранение
15g/11 msec
25 г/6 мс
Вибрация
Управление
Хранение
0,035 мм (10 - 58Гц)/ 1 г (58 - 500 Гц)
3,5 мм (5 - 8,5Гц)/ 1g (8,5-500 Гц)
Барометрическое давление
Управление
Хранение
706 до 1030 hPa
От 581 до 1030 hPa
ШумИммунитет
СтатическийРазряд
(КонтактРазряд/Воздушный разряд)
EN61000-4-2
6 кВ/8 кВ
RFОблучение
EN 61000-4-3
10V/m, 80% AM
1КГц
ПульсМодуляция
ENV 50204
900МГц±5 МГц
10V/meff., 50% ED, 200 Гц
RF проводимость
EN 61000-4-6
150 кГц-80 МГц
10 в, 80% AM, 1 кГц
ВзрывПомехи
Линии поставки
Технологические линии передачи данных
Сигнальные линии
EN 61000-4-4
2КВ
2КВ
1КВ
РадиоПомехи
Уровень радиопомехСоответствие
EN 55011
Класс А
ПоддержкаУстройство
Порт UART
Поддержка
RS232 / RS422 / RS485 / TTL
Сетевой порт
Поддержка
Порт Ethernet/Wi-Fi / Bluetooth
Флэш-память
Поддержка
Стандартный 256 Мб, расширение 1 ГБ или 2 Гб
Зуммер
Поддержка
RTC
Поддержка
USBПорт
Поддержка
Онлайн загрузка по USB кабелю
Интерфейс диска для хранения U
Поддержка.
Загрузка или копирование пользовательских данных в автономном режиме
Сенсорный экран
4 сопротивление провода/емкостный
Векторный шрифт
Стандартный формат TTF
Изображение
Поддержка формата PNG/JPG/BMP/SVG/GIF
АудиоИнтерфейс
ПоддержкаФормат WAV
ВДлина одного аудиофайла не ограничена, теоретически до 4096 аудиоФайлы, мощность динамика 8 Ом 2 Вт или 4 Ом 3 Вт
Набор команд
Унифицированные упрощенные наборы команд

-
Color65K
-
Display Scale16:9
-
Flash Memory128MB-1GB
-
InterfaceRS232/RS485/TTL
-
Resolution480*272
-
TFT LCDHMI TFT LCD
-
TFT LCD panel Dimension5.0 inch
-
TFT Screen ClassA Class industrial TFT Screen
-
Touch Screen TypeIndustry Level 4 wire Resistance
-
TypeIndustry Type
-
Typical ApplicationsCivil Electronic/Instrument/Machinery and Automobile
-
Вес логистики1.500
-
Индивидуальное изготовлениеДа
-
Каждая упаковка1
-
Минимальная единица измерения100000015
-
Название брендаSTONE
-
Номер моделиSTVI050WT-01
-
Продано Вsell_by_piece
-
ПроисхождениеКитай
-
Размер логистики - высота (см)8
-
Размер логистики - длина (см)26
-
Размер логистики - ширина (см)22
-
Режим отображения500:1
-
ТипНа тонкопленочных транзисторах на тонкоплёночных транзисторах





