Продукт посылка
1 х ЧПУ контроллер M3xx (3, 4, 5 оси опционально)
1 х USB удлинитель
1 х 4 Гб USB флэш-диск
Сетевой кабель-1 шт.

Описание продукта:
Эта система M3xx / M6xx является профессиональным 3-5 осевым контроллером движения на основе встроенной платформы, с 7/10,2 дюймовым полноцветным экраном,
Полный ввод клавиатуры, Настраиваемые Функциональные клавиши, делают работу пользователя более удобной, поддерживает мульти-процесс, прямой инструментальный журнал, дисковый инструмент журнальные функции
Интерфейс и структура используют основной метод на рынке, с простой операцией, легко узнать и понять, и удобной установкой. Система принимает расширенную адаптивную скорость
Перспективный алгоритм управления имеет характеристики высокой эффективности обработки и хорошего качества поверхности. Удовлетворить потребности различных гравировальных машин, гравировальных и фрезерных машин, режущих машин.

Контроллер эксплуатационных характеристик
Максимальное количество осей управления: M3xx Пять осей, M6xx четыре оси, 2-5 оси линейной интерполяции, произвольная 2 оси круговой интерполяции;
Operation режим работы: основная работа гравировальной машины;
Дисплей Размер: 7/10,2 дюйм (ов)
Разрешение дисплея: 1024*600;
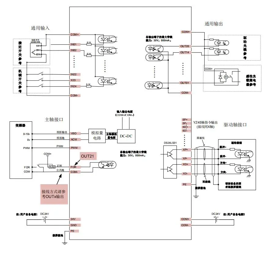
I / O: M6xx standard IO 20/21, M3xx standard IO 24/21; Analog Аналоговое Выходное напряжение: 0-10 В; PWM выход: только M3xxz
Tool Тип инструмента: мульти-процесс, прямой ряд, диск;
Режим настройки инструмента: поддерживает автоматическую и ручную настройку инструмента; Тип настройки инструмента: фиксированная Настройка инструмента, плавающая Настройка инструмента, первая Настройка инструмента/вторая Настройка инструмента; Compensation методы компенсации: компенсация зазора направления, компенсация радиуса, компенсация длины;
Algorithm алгоритм интерполяции: Тип S, дуговой жесткий алгоритм, дуговой мягкий алгоритм;
Язык: поддержка китайского и английского языков;
Сигнализация программного обеспечения с ЧПУ: ошибка программы, ошибка работы, ошибка перегрузки, сигнализация сервопривода и т. д. network Сеть: Поддержка обмена данными и Удаленная обработка файлов в режиме онлайн;
Выход открытого коллектора, максимальный выходной ток 500мА, может непосредственно управлять реле;
Направление импульса принимает дифференциальный выход, максимальная интерполяционная частота импульса составляет 1 МГц; Spindle режим управления шпинделем: многоступенчатая скорость (4 шага и 16 скоростей), аналоговый (0-10 В), сервошпиндель;
Совместим со стандартными g-кодами. Поддержка основного программного обеспечения CAD / CAM, таких как ArtCam, MasterCam, ProE и т. д. Users пользователи могут общаться с внешними файлами через u-диск и работать в автономном режиме;
Многоступенчатая предварительная обработка, адаптивный контроль скорости вперед траектории обработки, быстрая скорость обработки, высокая точность и хорошая непрерывность обработки;
Continuous непрерывная высокоскоростная обработка небольших линейных сегментов, автоматически выбирает наиболее эффективный алгоритм среди различных малых линейных сегментов управления;
Поддержка обработки файлов сверхбольшой емкости;
С памятью точки останова, функцией автоматической защиты отключения питания, функцией обработки близкой точки и выделенной линией обработки; support Поддержка функции блокировки времени;
Поддерживает четыре вида разрешения на работу (Гость, оператор, админ, супер админ); с автоматическим хомингом, хомингом, сохранением происхождения заготовки и загрузкой;