Зеленый лазерный диод LD Pulse 600 Нм 9,0 МВт мм GH05C10A9G 1 Вт
3 357,90₽
В наличии!
Laserlands Store - Надежность 95%
Более 1977 подписчиков, дата открытия магазина 25.03.2012
- Положительные оценки: 94% (160)
- Соответствие описанию: 94%
- Отвечает на сообщения: 96%
- Скорость отправки: 96%
Последнее обновление: 21.03.2022
Прозрачная силиконовая накладка на столы и стулья, накладка на ножк...
23,72₽ -35%
Последнее обновление: 28.05.2022
5 шт.кор. зубные Детские первичные молярные короны из нержавеющей с...
1 729,44₽
Последнее обновление: 25.03.2022
Последнее обновление: 21.03.2022
Новый 9 мм 1 Вт 1000 мВт многорежимный зеленый лазерный диод 520 нм...
17 020,06₽
Последнее обновление: 23.03.2022
638nm 1,2 w CW 1,5 Вт импульсный оригинальный красный лазерный диод...
5 912,80₽ -7.57%
Последнее обновление: 15.09.2024
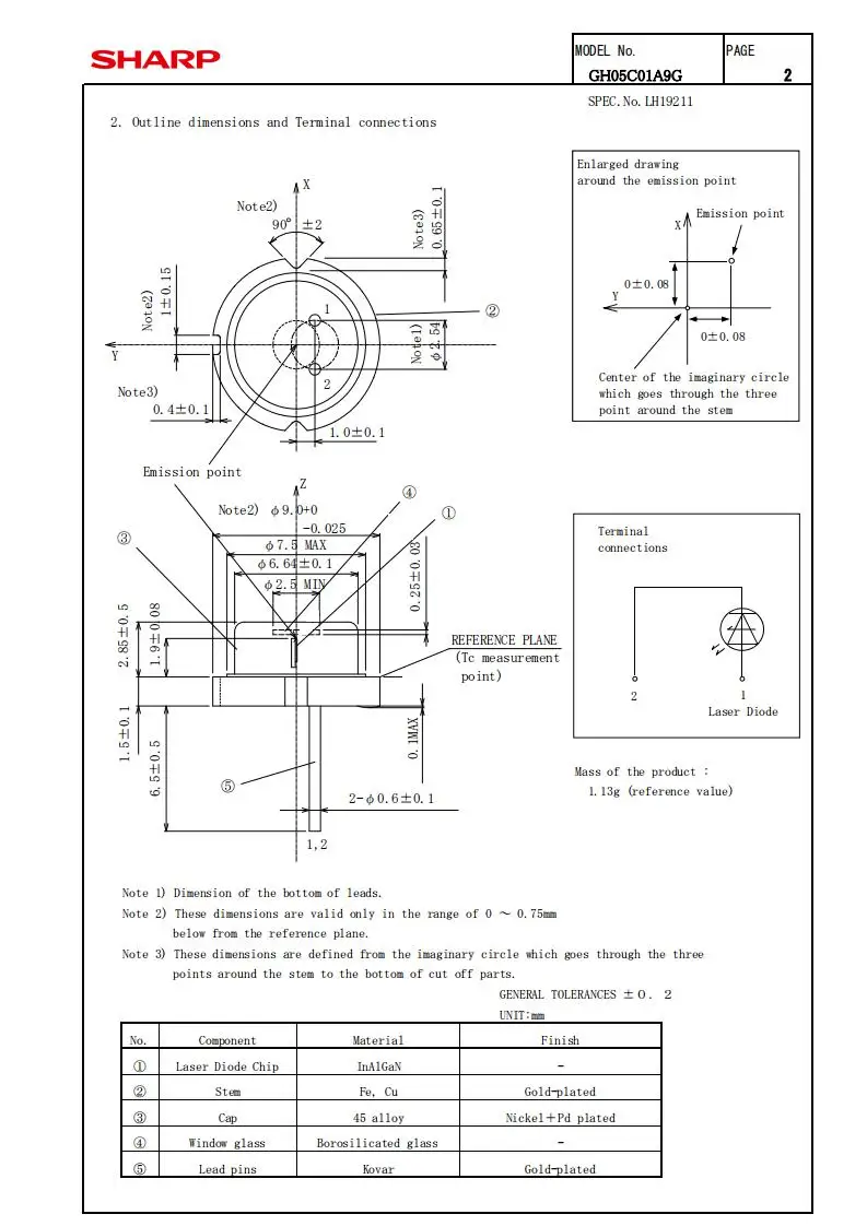
Sharp 520nm 600mw 9,0 мм GH05C10A9G

Sharp 520nm 600mw 9,0 мм GH05C10A9G
Вопросы еще не задавались...
-
Вес логистики0.100
-
Каждая упаковка1
-
МероприятиеДомашние развлечения
-
Минимальная единица измерения100000015
-
Мощность600mw
-
Название брендаlaserlands
-
Напряжение6 В
-
Номер моделиGH05C10A9G
-
Продано Вsell_by_piece
-
ПроисхождениеКитай
-
Размер логистики - высота (см)10
-
Размер логистики - длина (см)10
-
Размер логистики - ширина (см)10
-
СертификацияNONE
-
СтильМини

