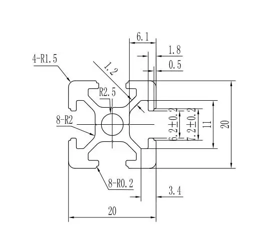
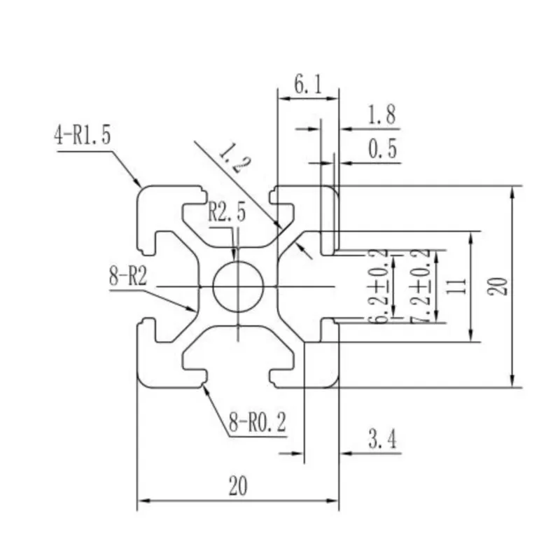
2020 1 шт. 2020 алюминиевый профиль 2020 экструзия Европейский стандарт анодированный линейный рельс алюминиевый профиль 2020 ЧПУ 3d части принтера
pmgn Official Store - Надежность 96.5%
Более 657 подписчиков, дата открытия магазина 26.03.2020
- Положительные оценки: 98% (1042)
- Соответствие описанию: 98%
- Отвечает на сообщения: 96%
- Скорость отправки: 94%
Последнее обновление: 03.06.2022
Отзывы покупателей
Страна: KE Length: 350mm Diameter: 2020 T-Slot Доставка: Cainiao Super Economy Global 17.07.2022
Товар хорошо получен, и детали точно соответствуют описанию, которое я дал продавцу. Доставка была быстрой, так как доставка. Я в целом доволен товаром и поэтому рекомендую продавцу.











