Независимое дроссельное устройство может работать как расширительный клапан, обводной клапан горячего газа, инжектор жидкости или регулятор испарителя
BOWA SOLUTION Official Store - Надежность 89.25%
Более 2354 подписчиков, дата открытия магазина 28.06.2014
- Положительные оценки: 89% (66)
- Соответствие описанию: 90%
- Отвечает на сообщения: 90%
- Скорость отправки: 88%
Последнее обновление: 17.09.2024
Важные Примечания перед заказом: о налогах
1. Импортные пошлины, налоги и сборы не включены в стоимость товара или стоимость доставки. Эти расходы являются обязанностью покупателя.
2. Вы можете проверить в таможне вашей страны эти дополнительные расходы перед покупкой.
Условия доставки:
1) Пожалуйста, обратите внимание, что мы не можем взять на себя ответственность за любые таможенные задержки или налоги.
2) Мы отправим ваш товар на основе вашего адреса Escrow, поэтому убедитесь, что он правильный.
3) перед заказом, пожалуйста, свяжитесь с нами, чтобы подтвердить предпочтительный способ доставки и стоимость доставки.
4) большая часть номера отслеживания, вы можете отследить его на www.17track.net.
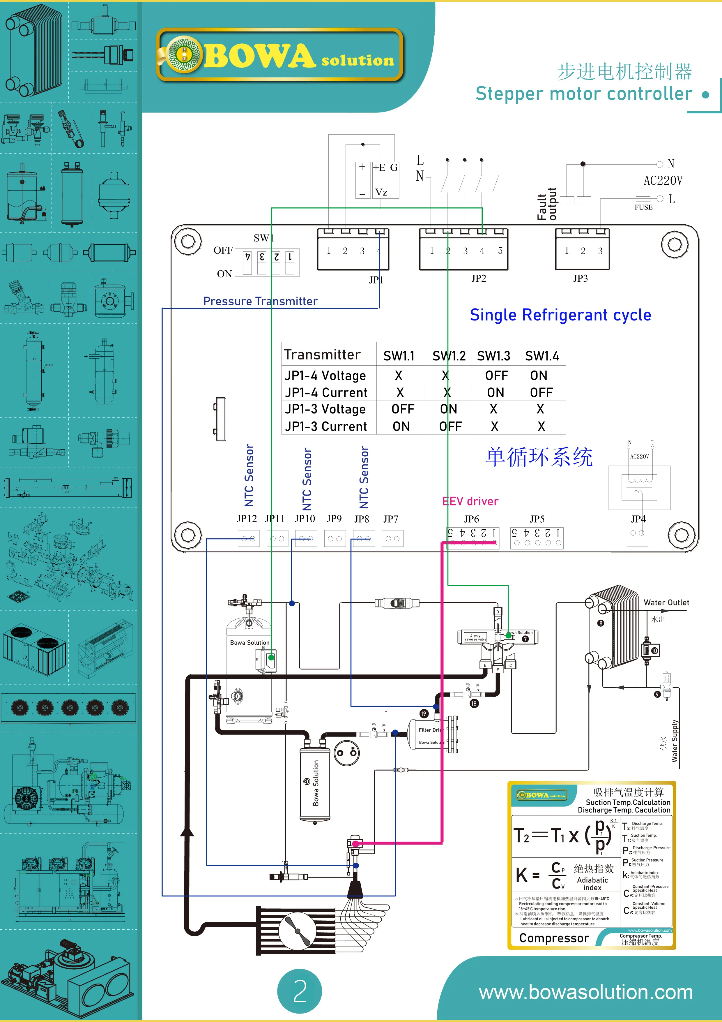
Универсальный и indepedent Электронный расширительный клапан для холодильника контроллер с 2 EEV драйверы, совместимые с 5-проводной EEV Danfoss, Sporlan, Fujikoki, Эмерсон, Saginomiy , Muller, Carel, и другие марки EEV. Он обеспечивает идеальные растворы для дросселирования в холодильнике, тепловом насосе и кондиционере.



Вопросы и ответы
Зачем использовать независимый контроллер супертепла EEV?
Независимый контроллер супертепла EEV обеспечивает отличное решение дроссельной заслонки для различных холодильных и тепловых насосов. Он обеспечивает незаметную работу EEV и не подходит к системному контроллеру. Он универсален для разных брендов и проще в наличии.
В чем преимущество контроллера?
Он обеспечивает холодильное или тепловое насосное оборудование высокого уровня автоматического управления и различных защитных растворов в зависимости от оборудования, таких как впрыска жидкости для охлаждения двигателя, эко или EVI.
-
Вес логистики1.500
-
Каждая упаковка1
-
Минимальная единица измерения100000017
-
Название брендаНет
-
Номер моделиEEV-C6
-
ПрименениеКоммерческий
-
Продано Вsell_by_piece
-
ПроисхождениеКитай
-
Размер логистики - высота (см)10
-
Размер логистики - длина (см)25
-
Размер логистики - ширина (см)15
-
СертификацияNA
-
ТипЧасти Кондиционера





