GM7123 VGA видео модуль подключения FPGA макетная плата с камерой Coms код отправки
Описание:
Примечание: цвет печатной платы черный!
Качество Функция:
В GM7123 представляет собой 330 МГЦ 3-канальный блок питания с 10-битная высокоскоростной видео DAC чип, которая совместима с RS-343A/RS-170 Стандартный дифференциальных выходов и обладает выходным током диапазон 2mA для 26mA. Входной совместим с TTL уровней, для внутреннего пользования, 1,23 V, а также одно-поставить 3,3 В питания в LQFP48 пакет. В GM7123 поставляется с 3 отдельных 10-bit data входными портами с видео сигналов Синхронизация и пустой для того чтобы контролировать синхронизации и штамповка, соответственно. Изготовлено в процессе CMOS. Функциональный и контактный Совместимость с ADV7123.
A) Коэффициент конверсии 330MSPS
B) для детей возрастом от 3 до 10 бит ЦАП
C) Входной совместимый уровень TTL
D) диапазон выходного тока DAC 2mA ~ 26mA
E) информация о интегрированных бандажах
F) LQFP48 пакет
Разница между GM7123 и ADV7123
Напряжение:
В adv7123's напряжение питания совместим с выходом 5V/3,3 V
В gm7123's напряжение питающей сети поддерживает только 3,3 V.
Ток питания в режиме ожидания:
Ток питания в режиме ожидания ADV7123 обычно составляет около 2 мА.
Ток питания в режиме ожидания gm7123. обычно составляет около 0,2ма.
Для подключения стандартного монитора VGA к выходному изображению VGA с помощью модуля ADV/GM7123 должны быть выполнены следующие точки:
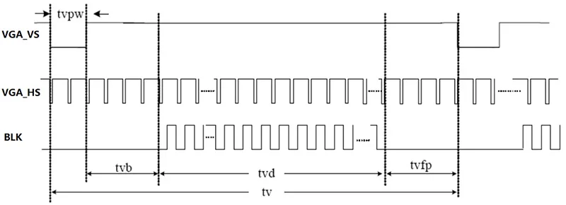
1, VGA_VS, VGA_HS отвечают различным стандартным стандартам синхронизации VGA. Стандартная синхронизация VGA, в дополнение к сегменту данных, есть пустые сегменты и сегменты синхронизации, поэтому эти два сигнала должны быть установлены, чтобы полностью соответствовать стандартному времени VGA. В противном случае дисплей не будет распознан и отображаться должным образом.
2. Сигнал часов должен соответствовать требованию частоты обновления 60 Гц. Например, для разрешения 800*600 @ 60 Гц сигнал часов должен быть около 40 МГц, что позволяет иметь очень небольшие отклонения, такие как 39,2 МГц, но не слишком много, например, подача сигнала на 30 МГц. Дисплей не будет распознан и отображаться.
3. Интерфейс VGA НЕ поддерживает различные другие нестандартные сроки, такие как 30 кадров, 20 кадров и другие ЖК-дисплеи, могут поддерживать скорость обновления. Для вывода изображений с более высоким разрешением некоторые MCUs имеют более низкую скорость обновления, а некоторые даже до 5 кадров. Таким образом, интерфейс RGB может быть поддерживается перед ЖК-дисплеем, но это невозможно для VGA интерфейса для отображения.
4. Сигнал BLK должен быть подключен. Для некоторых процессоров или MCUs с ЖК-драйверами Подключите этот сигнал к DE pin драйвера ЖК-дисплея процессора.
5. Если сигнал BLK не может быть сгенерирован, сигнал BLK может быть напрямую подключен к высокому уровню, и в течение пустого периода данные на линии передачи данных RGB контролируются до 0.
6. Если содержимое дисплея кажется частично цветущим, типичным явлением является то, что некоторые ненормальные цвета появляются на изображении, где Цветность сильно меняется. Это часто происходит из-за разницы в длине трассировки часов и линии передачи данных драйвера (MCU или FPGA). Больше, сигнал часов может быть перевернут (перевернут), или ограничение времени может быть использовано для регулировки задержки линии данных относительно сигнала часов.
Модуль вывода GM7123 VGA выполняет только функции цифрового сигнала-аналога. Он не может выполнять преобразование протокола связи и не может генерировать сигналы синхронизации и может использоваться без какой-либо конфигурации. Поэтому необходимо только разработать логику привода в соответствии с маркировкой времени VGA. Для дизайна драйвера VGA, пожалуйста, обратитесь к артикулу о Xiaomei.
(Примечание: названия сигналов, производных модулем, описаны в RGB[7 .. 0] ниже, а не названия чипов)
RGB888 подключение:При использовании синхронизации интерфейса RGB888 Подключите следующим образом.
RGB666 подключение:
При использовании синхронизации интерфейса RGB666 используется только R[7 .. 2], G[7 .. 2], B[7 .. 2] для подключения данных RGB666, И R[1 .. 0], G[1 .. 0], B[1 .. 0] подключен к GND (когда требование очень низкое, оно также приостановлено, это не влияет на функцию, но не рекомендуется). Он может быть подключен следующим образом
RGB565 подключение:
При использовании синхронизации интерфейса RGB565 используется только R[7 .. 3], G[7 .. 2], B[7 .. 3] для подключения данных RGB565, И R[2 .. 0], G[1 .. 0], B[2 .. 0] подключен к GND (когда требование очень низкое, оно также приостановлено, это не влияет на функцию, но не рекомендуется). Он может быть подключен следующим образом.
RGB555 подключение:
При использовании синхронизации интерфейса RGB555 используется только R[7 .. 3], G[7 .. 3], B[7 .. 3] для подключения данных RGB555, И R[2 .. 0], G[2 .. 0], B[2 .. 0] подключен к GND (когда требование очень низкое, оно также приостановлено, это не влияет на функцию, но не рекомендуется). Он может быть подключен следующим образом.
Модуль pin заголовка интерфейса заказа:
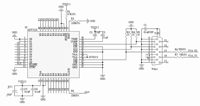
Модуль схема:
