Модуль радиочастотного приемника и передатчика 433 МГц с антенной DIY 433 МГц пульт дистанционного управления для комплекта Arduino uno
Diese Multi-function Remote Cotnrol Store - Надежность 97%
Более 9629 подписчиков, дата открытия магазина 06.03.2019
- Положительные оценки: 98% (4171)
- Соответствие описанию: 96%
- Отвечает на сообщения: 96%
- Скорость отправки: 98%
Последнее обновление: 07.03.2023

433 МГц RF приемник и модуль передатчика комплект с антенной DIY 433 МГц пульт дистанционного управления для Arduino uno kit

Широкая доступность
Пульт дистанционного управления, модуль приемника, мотоциклы, автомобильные противоугонные продукты, товары для домашней безопасности, электрические двери, двери затвора, окна, гнездо дистанционного управления, светодиодный пульт дистанционного управления, дистанционное аудио дистанционное управление электрические двери, гаражные двери с дистанционным управлением, выдвижные двери с дистанционным управлением, ворота с дистанционным громкостью, двери с панорамой, Пульт дистанционного управления открывалка двери, система управления закрывающим устройством двери, пульт дистанционного управления занавесками, Хост сигнализации, сигнализация, пульт дистанционного управления мотоцикла дистанционного управления электромобилями, пульт дистанционного управления MP3.

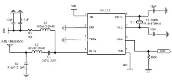
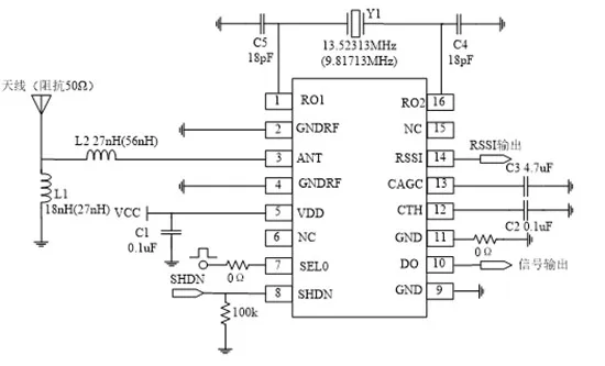
DAT -Волна входного сигнала
OUT -Антенны pin-код. Выход радиочастотного сигнала, может непосредственно подключаться к антенне.
RU -Включение Pin-код.Но этот продукт EN pin подключен к источнику питания, нет функции
- -Мощность-заземление. Заземляющий провод соединяет источник питания. x'x'
+ -Штырь источника питания. Мощность Вход
Посылка включает в себя
Количество, как показано на опции. Модуль передатчика (WL102-341) Модуль приемника (WL101) Антенна




-
Frequency band+/- 150KHz
-
Max current5mA
-
Quiescent Current1uA
-
Receiver Size30.25*8.5*6 (mm)
-
Receiver Working voltageDC 3.3~5V
-
Receiving Sensitivity-108dB
-
RF Operating modeASK /OOK superheterodyne wireless reception
-
transfer rate20KHz
-
Transmit deviation+/- 7. 5KHZ / narrow-band emission
-
Transmit Sensitivitylarger than 11dBm
-
Transmitter Size16* 12 * 6(mm)
-
Transmitter Working voltageDC 2-3.6V
-
Working temperature-30~+80 degrees
-
Вес логистики0.018
-
Каждая упаковка1
-
МатериалПВХ
-
Минимальная единица измерения100000017
-
Название брендаНет
-
Номер моделиWL102-341,WL101
-
Продано Вsell_by_piece
-
Размер логистики - высота (см)10
-
Размер логистики - длина (см)10
-
Размер логистики - ширина (см)10
Отзывы покупателей
Страна: RU Color: 1R 1T 1A Доставка: Cainiao Super Economy 11.11.2020
товар получен, в работе не проверял выглядит качественно
Страна: RU Color: 1R 1T 1A Доставка: Saver Shipping 09.11.2020
Все работает, супер
V***s
Страна: LV Color: 1R 1T 1A Доставка: Cainiao Super Economy 01.12.2020
Получено, все в порядке
D***r
Страна: US Color: 1R Доставка: Cainiao Super Economy 27.12.2020
Получил быстро. Ещё не проверял. Раньше у этого продавца покупал такой-же товар. Всё работало.
V***h
Страна: RU Color: 1R 1T 1A Доставка: Cainiao Super Economy 11.11.2020
товар дошел, выглядит качественно, в работе пока не проверял





