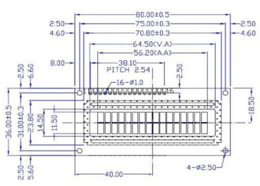
Опишите размеры продукта.


Классификация цветов
Желто-зеленый экран/синий экран/белый экран
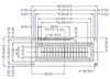
1602 использует стандартный 16-контактный интерфейс
1 Контакт: VSS-заземляющая мощность
2-контактный: VDD подключен к положительному источнику питания 5 В
3 контакта: V0-это конец регулировки контрастности ЖК-дисплея. При подключении положительного источника питания контраст становится самым слабым. Когда заземляющий источник питания наиболее высокий, контрастность слишком высока. Когда контраст слишком высок, возникает «ореол». При использовании вы можете настроить контрастность с помощью потенциометра 10K.
4-контактный: RS-это выбор регистра. Если выбран высокий уровень, выбирается регистр данных, а если выбран низкий уровень, выбирается регистр инструкций.
5 pin: R/W-это сигнальная линия чтения/записи, чтение операций на высоком уровне и работа записи на низком уровне. Когда RS и RW низки вместе, инструкцию или адрес дисплея можно написать. Когда RS низкий, RW может считывать сигнал занятия, а когда RS высокий, RW может быть записан в данные.
6 контактов: E-терминал-это разрешенная клемма. Когда терминал E меняется с высокого уровня на низкий, жидкокристаллический модуль выполняет команду.
От 7 до 14 контактов: от D0 до D7-8-битные двунаправленные линии передачи данных.
15-контактный: источник питания с положительной подсветкой
16-контактный: отрицательный источник питания подсветки
В: часто задаваемые вопросы
Добро пожаловать на покупку, прямые продажи с фабрики, большое количество товарных запасов, большое количество и отличная цена! Все материалы производятся для крупных компаний для обеспечения качества продукции.