В наличии и готовы к отправке с оригинальной фабрики!
Эти и избыточному току капсулыТокосъемник имеют небольшое компактное устройство с OD 22,00mm/15,5mm, стандарт, имеющегося в продаже. Цветные свинцовые провода используются как на статоре, так и на Роторе для упрощенных электрических соединений. С помощью кольцевого кольца с v-образной канавкой 90 ° для каждого кольца. Эти кольца скольжения идеально подходят для нашей свободы PMGs и PMAs.

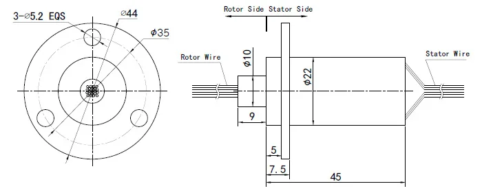
Параметры:
Скорость: 250 об/мин или по индивидуальному заказу Номер канала: 4-24 канала Номинальное напряжение: 240 В переменного тока/постоянного тока Номинальный ток: 30A Рабочая температура:-30 ℃ ~ + 80 ℃ Материал контакта: золото Размер провода: AWG12 # посеребренный тефлоновый UL Длина провода: стандартный 150 мм Прочность на сжатие: между двумя каналами Сопротивление изоляции: 300MΩ/300VDC Динамическое сопротивление колебания значение: минимум 10mΩ Материал корпуса: инженерный пластик Срок службы: ≥5 млн об/мин (в зависимости от рабочей среды и скорости) Посылка включает в себя:
1 * Кольцо для капсулы 






Ниже 3D чертеж для руководства по установке, например, установка кольца скольжения для робота:
1. Крепление Фланца к валу робота;
2. Подключите провода к оборудованию;
3. Закрепите статор к статической части оборудования с помощью винтов.
SenRing общие модели кольца скольжения применяются во многих применениях и оборудовании,Предоставляем системные решения по всему миру.
Включает в себя ветроэнергетику, контроллер и промышленный поворотный стол, робот, инженерное оборудование,CCTV видео mornitoring, медицинское оборудование, военный Радар и так далее...


