Основные параметры:
• Рабочее напряжение:AC220 в/AC110 в
• Допустимая нагрузка в пределах 1500 Вт
• Переключатель управления подходит для самоблокировки и самосброса
• Два нормально открытых защитных интерфейса, любой интерфейс закрыт, плата запуска перестает работать.
• Номинальный ток реле составляет 30 А, что выдерживает мощность менее 1500 Вт
• Печатная плата представляет собой высококачественную стекловолоконную доску толщиной 2 мм
• Медная фольга PCB составляет 2 унции
• Размер печатной платы составляет 77,5 мм * 88 мм,
• Расстояние между четырьмя симметричными отверстиями составляет 69x79,5 мм
Основные функции:
• Подавление импульсного тока при включении усилителя мощности.
• Когда температура радиатора платы усилителя мощности превышает 75 градусов, плата может немедленно отключить питание.
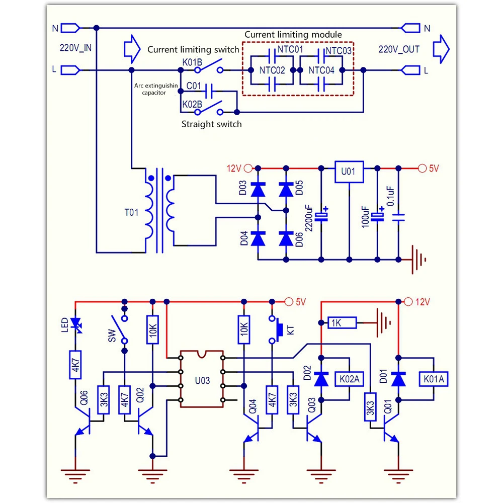
Схематическая схема: только для справки.
• При нажатии кнопки start switch KT, если защитный порт обычно открыт (Если порт закрыт, он не может быть запущен), запуск начинается, светодиодный индикатор работы мигает, реле ограничения тока закрыто (K01). Модуль ограничения тока подключен к цепи 220 В для ограничения тока, Задержка 3-4 секунды, сквозное реле (K02) закрыто, ограничение по току заканчивается, задержка 1 секунда, реле ограничения по току выключено, светодиодный всегда горит. Если плата запуска работает нормально, когда любой порт защиты SW закрыт, плата запуска отключается.
• Эта версия и другие версии платы плавного пуска имеют очевидные улучшения. Другие версии стартовой платы без задержек откроют ограничивающее ток реле, когда сквозное реле закрыто при запуске. Из-за механической задержки реле цепь 220 В появится короткая разомкнутая цепь вызовет небольшой импульсный ток нагрузки.
• Пусковой переключатель платы запуска автоматически адаптируется к переключателю самоблокировки и переключателю самосброса, нет необходимости менять настройки платы запуска
Вопросы от покупателей:
• Что такое самоблокирующийся переключатель и что такое переключатель самосброса
• Ответ: Нажмите, чтобы включить переключатель, отпустите переключатель, чтобы выключить, это переключатель самосброса; Нажмите, чтобы включить переключатель, независимо от того, выключен он или включен, нажмите еще раз и отпустите, чтобы выключить, это самоблокирующийся переключатель.
• Насколько большой пусковой переключатель?
• Ответ: Просто используйте один в пределах 1A
• Может ли пусковой переключатель платы запуска быть самоблокированным или самовосстанавливающимся?
• Ответ: все в порядке, панель запуска автоматически адаптируется к самоблокирующемуся переключателю или самоблокирующемуся переключателю выключатель для сброса.
• Если выходной терминал переменного тока 220 В не подключен к нагрузке (трансформатору), почему выходное напряжение 220 В, когда стартер не запускается?
• Ответ: поскольку конденсатор для тушения дуги подключен параллельно между контактами реле, его можно решить до тех пор, пока к нагрузке подключен выходной терминал 220 В.