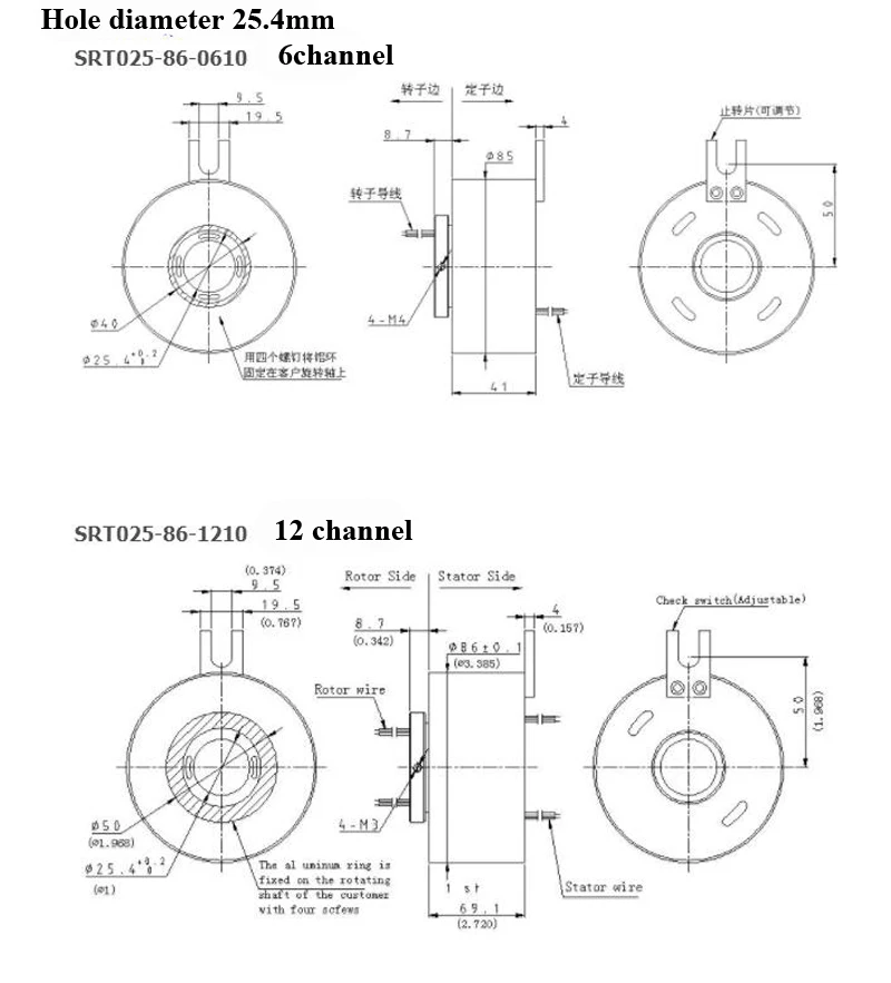
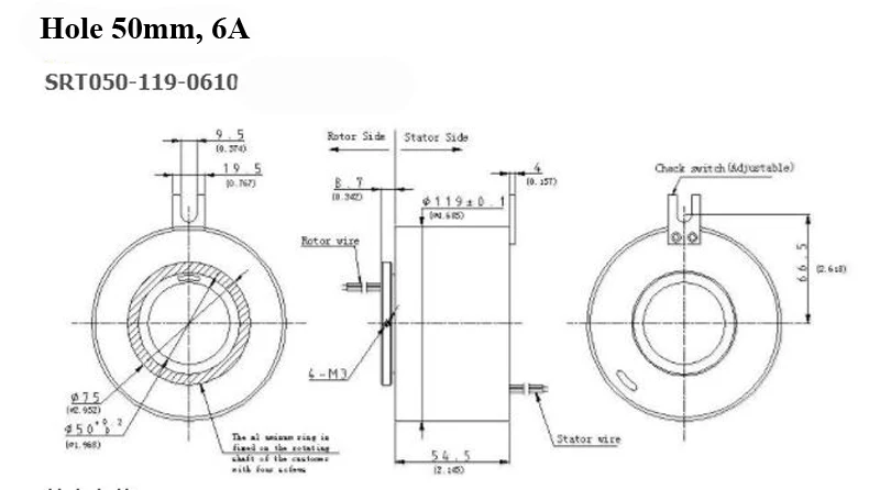
1 шт. 246812 канальное скользящее кольцо, диаметр 548699113 мм, сквозное отверстие, вращающийся электрический разъем, 10 А, скользящий проводящий шов
2 918,70₽
В наличии!
RC Hobby Warehouse - Надежность 96%
Более 1888 подписчиков, дата открытия магазина 16.08.2013
- Положительные оценки: 98% (881)
- Соответствие описанию: 96%
- Отвечает на сообщения: 96%
- Скорость отправки: 94%
Последнее обновление: 13.09.2024








