Черная стойка для 3D-принтера Wanhao D7 DLP SLA, Анодированная Алюминиевая смола, стальное кольцо, установленная металлическая пленка Photon FEF
FYSETC Official Store - Надежность 95.5%
Более 16063 подписчиков, дата открытия магазина 15.01.2018
- Положительные оценки: 96% (2753)
- Соответствие описанию: 96%
- Отвечает на сообщения: 96%
- Скорость отправки: 94%
Последнее обновление: 13.09.2024
Отзывы покупателей
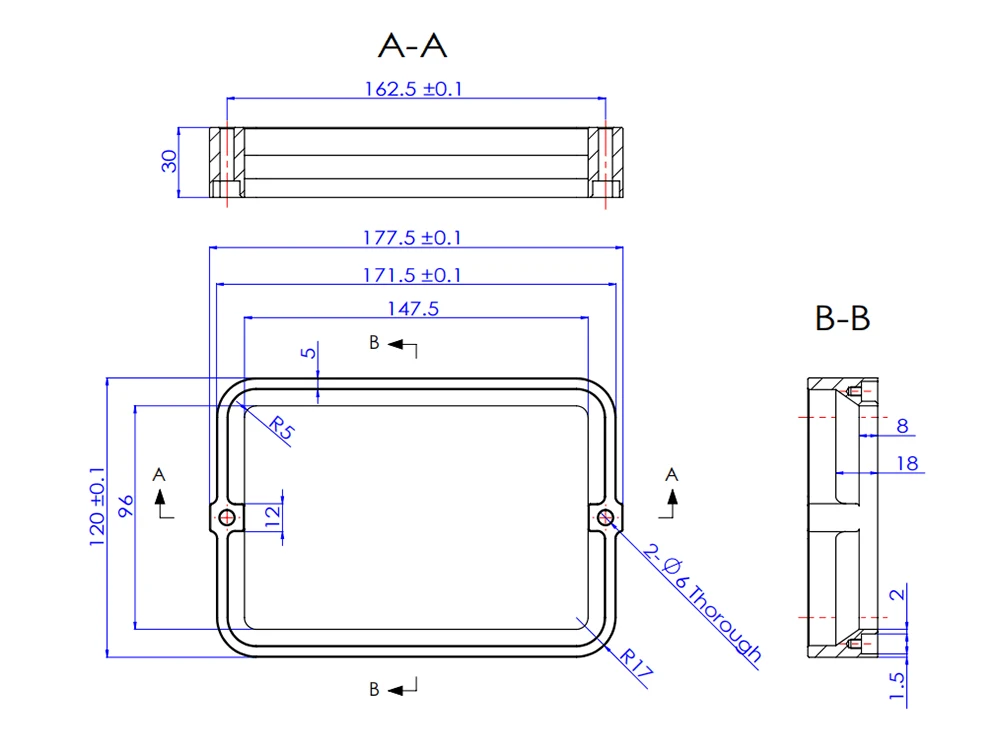
Страна: UA Size: 120x178x30mm Ships From: China Доставка: Standard Shipping 11.12.2021
Долго не отправлял, потом дал липовый трек номер который не отслеживался. Спустя месяц сказал что нет товара в наличии (хотя продажа идёт дальше) и анулировал сделку. Деньги вернули, но разница в конвертации и потерю времени вам никто не вернёт. С этим магазином сотрудничать не рекомендую, потеря денег и времени ((





