KKDD12V/24V Перистальтический водяной насос с двигателем постоянного тока

★Длительный срок службы★Высокая точность★Большой расход# Подходит для вязкой и невязкой транспортировки жидкости# Быстрая замена трубки насоса# Доступны различные трубчатые материалы насоса# Передача передач, высокая надежность
Двигатель: двигатель постоянного токаНапряжение: 12 В/24 ВМощность: 15 ВтТрубка насоса: PharMed BPT и силиконовая трубкаРасход: 12 В: ≤ 1240 мл/мин.; 24 В: ≤ 1300 мл/мин.Головка насоса опционально: одна или двойная головкаГоловка насоса: поликарбонат и инженерный пластикМонтажная пластина: фиксированная пластина износа или пластина LТемпература: 0 ~ 40 ℃Влажность: менее 80%
Различные приложения
# Консервированная жидкость# Laboratory# Food factory# Медицинское оборудование

Трубы
Материалы
Особенности
Срок службы трубопровода
S
Силикон
Низкая Адсорбция, хорошая термостойкость, не легко стареть, низкое количество осадков и т. д., химическая стойкость. Производительность коррозии уменьшается с увеличением температуры. Подходит для передачи различной низкой коррозии (10%) жидкости.
▲ Рабочая температура: -60 ℃ ~ 200 ℃
≥ 200 ч
B
Фармедбпт
Очень хорошая устойчивость к общим химическим веществам, а также Отличная устойчивость к кислотам, щелочям и оксидам. Продукт является прозрачным и устойчивым к ультрафиолетовому излучению, поэтому он помогает защитить чувствительные жидкости.
▲ Рабочая температура: -51 ℃ ~ 132 ℃
≥ 1000 ч
Материал
Силикон
Силикон
Силикон
Силикон
BPT
BPT
BPT
Код
S40
S25
S17
S18
В40
В25
В17
ID * OD
4,0 × 7,2
4,8 × 8,0
6,4 × 9,6
7,9 × 11,1
4,0 × 7,2
4,8 × 8,0
6,4 × 9,6
Расход потока
KKDD
Двигатель постоянного тока
24V; 0.6A
440
600
1000
1300
440
600
860
12V; 1.2A
440
570
900
1240
410
560
800
Примечание: Вышеуказанные параметры потока измеряются чистой водой без давления при комнатной температуре 20 ℃ и стандартном атмосферном давлении. На самом деле, в зависимости от различных сред, различного давления на выходе, ошибок скорости двигателя постоянного тока и т. д. поток будет иметь определенные ошибки. Данные приведены для справки.

Left слева-KKDD (двигатель постоянного тока)24: напряжениеN: материал17: размер трубкиL: Монтажная пластина (способ установки)A: одна/двойная головка


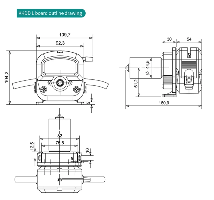
Технические размеры пластины KKDD L
KKDD прямые пластины технический Размер


Свяжитесь с нами, если возникнут какие-либо вопросы.
Мы всегда к вашим услугам!Жду вашего заказа.