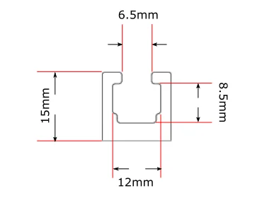
Набор из 2 Т-образных скользящих кронштейнов (красная серия), Т-образные треки не входят в комплект
903,36₽
В наличии!
Ruby's Store - Надежность 97.25%
Более 11794 подписчиков, дата открытия магазина 12.02.2014
- Положительные оценки: 99% (825)
- Соответствие описанию: 98%
- Отвечает на сообщения: 98%
- Скорость отправки: 94%
Последнее обновление: 02.06.2022
Отзывы покупателей
G***S
Страна: MX Color: 1x30mm 1x45mm Доставка: DHL 30.09.2022
Очень полезно.


























