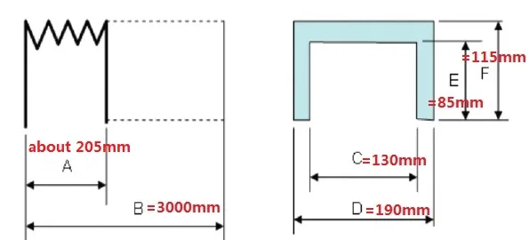
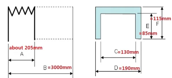
Защитная сильфонная Крышка для станков с ЧПУ, внутри: 130 мм x 85 мм, снаружи: 190 мм x 115 мм, Lmax = 3000 мм
BeiFute Official Store - Надежность 98%
Более 1361 подписчиков, дата открытия магазина 04.04.2014
- Положительные оценки: 100% (93)
- Соответствие описанию: 98%
- Отвечает на сообщения: 98%
- Скорость отправки: 96%
Последнее обновление: 03.05.2022
Размер изделия:

Другие базовые модели:




Особенности:
Изготовлен из тройной нейлоновой ткани и опорной пластины из ПВХ внутри, защищен от пыли, воды, масла/эмульсии и химических веществ.
1. Эти Типы экранов отличаются высокой устойчивостью к бегу. Простота в эксплуатации. Длинные
Срок службы, хорошая герметичность и отсутствие деформации при ударах твердыми предметами.
2. Эти экраны имеют большой Дальность хода. Что имеет очень мало сжатия. Соотношение длины 1:10.
3. Он не имеет внутренних металлических частей, которые могут вызвать серьезные поврежденияМашины,
4. Может достигать скорости до 200 Мбит/мин.
5. Устойчив к охлаждающим веществам, поскольку не имеет приклеенных частей.



-
Вес логистики2
-
Каждая упаковка1
-
Минимальная единица измерения100000015
-
Название брендаBeiFute
-
Наличие ЧПУCNC
-
Номер моделиbellows
-
Продано Вsell_by_piece
-
Размер логистики - высота (см)20
-
Размер логистики - длина (см)40
-
Размер логистики - ширина (см)30
-
СостояниеНовый
-
ТипДругое





