Индуктивный экран 5 мм и 8 мм PL08N и PL05N, металлический датчик датчика приближения NPN PNP NO NC AC DC
CINLINELE Tools Market Store - Надежность 96.25%
Более 44898 подписчиков, дата открытия магазина 01.08.2016
- Положительные оценки: 97% (3454)
- Соответствие описанию: 96%
- Отвечает на сообщения: 96%
- Скорость отправки: 96%
Последнее обновление: 04.09.2024







-
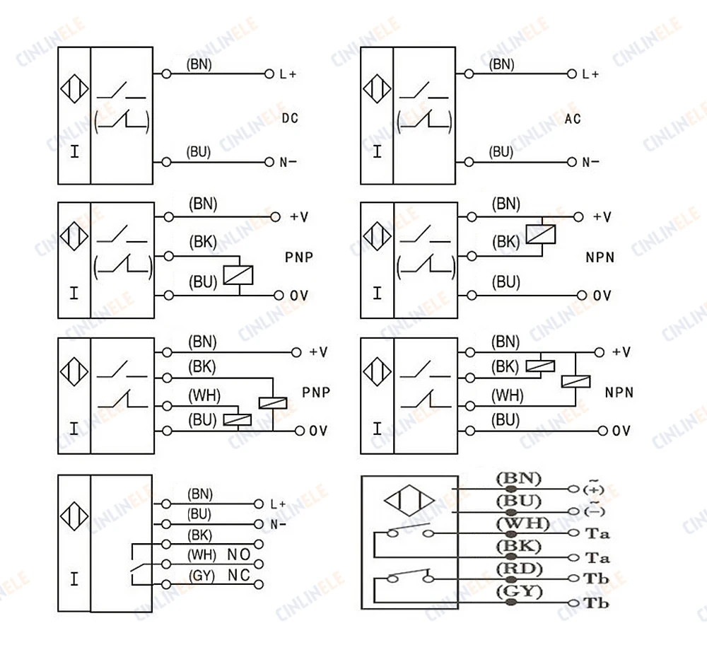
Detection distance5mm or 8mm
-
Reverse connection protectionYes
-
Sensing objectMagnetic metals
-
Setting distance0~4mm
-
Supply voltage6V-36V
-
TypeInductive proximity sensor
-
Вес логистики0.07
-
Гарантия1 Year
-
Каждая упаковка1
-
МатериалПластик
-
Минимальная единица измерения100000015
-
Название брендаCINLINELE
-
Продано Вsell_by_piece
-
Размер логистики - высота (см)1
-
Размер логистики - длина (см)1
-
Размер логистики - ширина (см)1
-
СертификацияОбязательный сертификат КНР
-
Тип переключенияБесконтактный переключатель
-
Тип товараПереключатели
-
ХарактеристикиCube shell
Отзывы покупателей
Страна: PL Color: 8mm Voltage: NPN Size: NC Доставка: Standard Shipping 14.09.2021
fast delivery ;)
Страна: US Color: 8mm Voltage: NPN Size: NO Доставка: Standard Shipping 20.10.2021
Я получил товар своевременно, и он прибыл неповрежденным и очень хорошо упакован. Хотя я не был в состоянии использовать его еще он выглядит как все остальные я купил и не беспокоился. Спасибо




