1000 Вт с внутренним ограничителем, MPPT pure sine wave Солнечный Grid-Tie Инвертор45-90Vрежим разряда батареи
CN Tricorpower Store - Надежность 94.5%
Более 901 подписчиков, дата открытия магазина 30.06.2016
- Положительные оценки: 96% (349)
- Соответствие описанию: 94%
- Отвечает на сообщения: 94%
- Скорость отправки: 94%
Последнее обновление: 07.04.2022


















G2 (поколение 2) SUN Series Grid Tie Power Inverter Концевая функция Руководство пользователя
Почему нашим инверторам сетки нужна ограниченная функция? --- Это в ответ на ошеломляющие требования наших клиентовДляФункция, которая может контролировать количество энергии, которое связывает сеткаИнверторы могут генерировать. С этой функцией инверторы будут простоГенерирует мощность, которая не больше мощности загрузки дажеИнверторы соединены с большим блоком солнечной панели, мы называем это"Ограничительная функция"
Потому что в некоторых странах производитель платит за избыточную мощность, которую он дает распределительной сети. Это потому, чтоВЭлектрический измеритель мощности (тот, который предоставляется поставщиком электроэнергии вОбласти) не знаю о направлении потока энергии. Другими словами,Только добавляет, даже если мощность экспортируется в сетку, таким образом, потребительБудет заряжен за питание, даже если он будет передан в сетку, и этоПроблема.
Наши инверторы сетки серии SUN G2 интегрированы с этой лимитирующей функцией, поэтому инверторы серии SUN G2 могут работать в ограниченном режимеИли обычный режим (без ограничений), вы можете сделать конфигурацию на ЖК-дисплее.

Концевой датчик должен быть закреплен на прямой линии в положении перед точками доступа загрузок, и инверторДоступТочка может быть в любом положении на одной и той же линии, см. Изображение 1.Инвертор с лимитированной функцией только генерирует меньше энергииЧем общее энергопотребление по нагрузкам, которые подключены послеПоложение, которое зажат датчик предела. Инвертор не будет измерятьМощность загрузки, которая подключается до точки концевого датчикаЗажат.
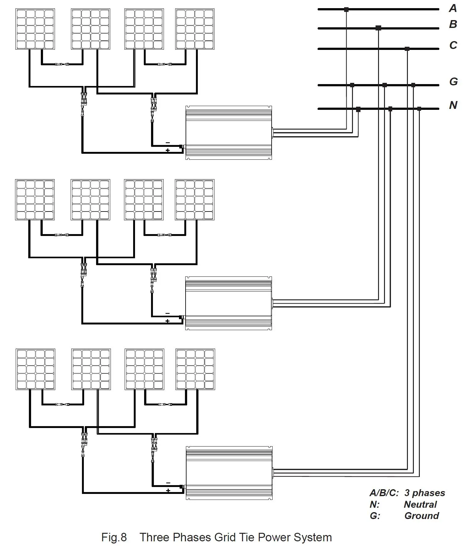
Метод подключения для трехфазной сетки переменного тока
Если ваша сетка переменного тока состоит из трех фаз сетки, и у вас есть больше инверторов сетки SUN G2, тогда вы
БанкаПодключите инверторы к трем фазам индивидуально. Пожалуйста, смотрите изображение 2.Эти три инвертора не будут влиять друг на друга. Gline будетПодключен как обычно, поэтому не показан на рисунке 2.

Подключение нескольких инверторов на линии onelive:
ЕслиВы хотите использовать больше инверторов на одной линии, чтобы генерировать больше энергииА также нужна ограничительная функция, вы можете подключить инверторы, такие как изображение3 (для двух инверторов). Два инвертора не будут производить одинаковую мощность,Но функция ограничения по-прежнему доступна. G линия будет подключена какНормально, поэтому не показано на картинке 3.

Ограничительная функция для США сплит-фазной сети переменного тока.
Первый метод подключения для SUN-2000G2 (рекомендуется)
ВИнвертор должен быть подключен, чтобы компенсировать нагрузки 240 В. Потому чтоИнвертор будет генерировать тот же Номинальный подающий ток при L1 и L2, и240 В нагрузки также потребляют такое же значение тока при L1 и L2, так что сОграниченная функция инвертора, инвертор будет производить только мощностьЭто то же самое, что и мощность нагрузки менее 240 в, больше не будетПодача в сетку переменного тока. Поэтому, если нагрузка 240 В былаСоединены при отдельной линии и не смешивать с 120V грузы, вы можетеПодключите инвертор и закрепите датчик предела в качестве изображения 4.

Изображение 4: метод подключения для компенсации мощности 240 В для отдельной линии
Второй способ подключения для SUN-2000G2 (предлагается)
Если 240 В нагрузки и 120 В нагрузки были соединены на тех же линиях, но 240 В нагрузки были подключены после120V грузы, самый лучший способ подключения зажимает предел датчика на Живая линия на положение после того, как120 В нагрузки и до 240 В нагрузки. Инвертор может быть подключен в любом положении на прямых линиях, см. Изображение 5.

Потому что инвертор будет производить такое же значение подачи тока при L1 и L2, и 240V нагрузки также потребляют то же самоеЗначениеТок на L1 и L2, поэтому с лимитирующей функцией инвертора,Инвертор просто производит мощность, которая такая же, как или менее 240 ВМощность загрузки, не будет дополнительной противотоковой подачи в переменный токСетка.
Третий способ подключения для SUN-2000G2 (можно использовать, но не рекомендуется)
Если 120V нагрузки и 240V нагрузки были смешаны, и 240V нагрузки были подключены до 120V нагрузки, инверторИ датчик предела может быть установлен как на картинке 6.

С этим методом подключения, потому что общее потребление нагрузки при L1 и L2 будет не то же самое, ноИнвертор будет производить то же значение питательного тока при L1 и L2, поэтому датчик предела должен зажимать наL1 или L2, мощность которых меньше, это предотвратит подачу дополнительного противотока в сетку переменного тока,В противном случае, если инвертор может производить достаточное количество токаКомпенсируйте больший ток при L1 или L2. Если вы подключаете такую систему, как изображение 3, мощность загрузки при L1 должна быть меньшеЧем мощность нагрузки при L2, в противном случае, датчик предела должен зажимать при L2.
Использование двух SUN-1000G2 инверторов для подключения к сети переменного тока с разделенной фазой США (Хорошее решение)

Использование двух SUN-1000G2 инверторов для компенсации нагрузки L1 и L2 индивидуально, с помощью этого метода,ИнверторыОграниченная функция может работать очень хорошо, больше не будетПодача в сетку переменного тока от L1and L2, см. Изображение 7. ВыТакже можно просто подключить один SUN-1000G2 блок с концевым датчиком на одном изЖивые линии.
Важная информация:
После подключения инверторов и концевых датчиков в качестве одного из способов, перечисленных выше, если вы хотите использоватьОграниченная функция, вам также нужно сделать ниже конфигурацию на ЖК-дисплее, вы должны выбрать «внутренний ограничитель»Как на картинке 8.

Если дисплей показан как на изображении 9, это означает, что датчик предела не подключен хорошо, или нет нагрузокПитание включено, вы можете проверить датчик предела и включить некоторые нагрузки. Если нет мощности нагрузки,Инвертор не производит мощность под лимитированной моделью.

ЕслиНа дисплее показано, как показано на рисунке 10, мощность сети переменного тока отрицательная, этоОзначает, что ориентация зажима датчика не является правильной

Если это так, вам нужно закрепить датчик предела в противоположном направлении, как показано на рисунке 11.

Если вы сделали все правильно, ЖК-дисплей должен отображаться как на картинке 12.

Инвертор только что производит почти такую же мощность, как мощность загрузки, поэтому AC сетка просто потребляет оченьНебольшая мощность, если инвертор может производить достаточно энергии, чтобы компенсировать нагрузку.
(Примечание: номера на ЖК-дисплее будут отличаться для разных инверторов и разных условий использования.)
Упаковочный лист:
2000 Вт сетевой инвертор ---- 1 шт.;
Кабель переменного тока ---- 1 шт.;
Датчик зажима с кабелем 2 м --- 1 шт.;(Опция, только для тех моделей с функцией ограничителя, кабель может быть увеличен с дополнительной стоимостью)
WIFI разъем --- 1 шт. (опционально, только для тех моделей с функцией WIFI)
Руководство на английском языке --- 1 шт.
-
Input Voltage22-60V/45-90V
-
Output Voltage95-140V/185-265V
-
Вес5.5KG
-
Вес логистики5.500
-
Выходная мощность1000W
-
Индивидуальное изготовлениеДа
-
Каждая упаковка1
-
Минимальная единица измерения100000015
-
Название брендаНет
-
Номер моделиSUN1000GTIL2-LCD
-
Продано Вsell_by_piece
-
ПроисхождениеКитай
-
Размер322*196*88mm
-
Размер логистики - высота (см)18
-
Размер логистики - длина (см)45
-
Размер логистики - ширина (см)30
-
СертификацияЕвропейский сертификат соответствия
-
ТипПреобразователи DC/AC
-
Тип выходаОдиночный
-
Частота на выходе47.5-51.5 for 50hz,59.3-60.5 for 60hz





