I90 мини биометрический считыватель отпечатков пальцев RFID автономный считыватель отпечатков пальцев поддержка sd-карты для открытого электрического дверного замка
Описание товара
Введение:
Это автономный контроллер доступа по отпечаткам пальцев, с водонепроницаемой головкой отпечатков пальцев, 2 режима для открытия двери: Проведите 125 кГц RFID карты и отпечатков пальцев. Поддержка sd-карты для загрузки/загрузки данных и поддержка пользователя 1000 шт.


Технические характеристики:
Отпечатков пальцев Ёмкость: 1000
Карта Ёмкость: 1000
Способ распознавания: отпечаток пальца, карта
Колокол Функция: есть
Синий светильник: есть
Красный светильник: есть
Рабочая Напряжение: DC12V
Рабочая температура: 0 ~ 45 градусов
Влажность: 20 ~ 80%
Размер: 155*66*28 мм
Карты управления винтами для устройства отпечатков пальцев
Packae напылением Упаковочный лист:
Устройство для считывания отпечатков пальцев * 1
Провода * 2
Винты сумка * 1
Карты управления * 2 (включая добавить карту и удалить карту)
Преимущества:
1. АБС-пластик высокого качества огнестойкий материал:
Используйте ABS промышленные пластмассы, жесткую пластификацию, формируя ударопрочность и стойкость к истиранию.
2, полностью герметичный водонепроницаемый коллектор отпечатков пальцев:
HD без пленки, определение отпечатка пальца, с зеленым светильник, точность идентификации, до 0,2 s.
3. Поддержка режима отпечатков пальцев:
Поддержка 1000 отпечатков пальцев, 1000 пользовательских карт, безопасность хранения данных не теряется.
4. Sd-карта может быть загружена и загружена:
Можно загрузить все данные посадки на sd-карту, найти более удобный и быстрый.
(Примечание: sd-карта должна быть куплена или куплена клиентом, этот контрольный аппарат не оснащен sd-картой.)
5. Высокоточные внутренние компоненты:
С помощью интеллектуального оригинального фирменного чипа, полностью функционального процессора.
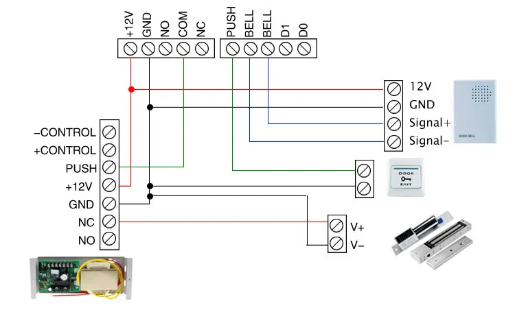
Показано на картинке
Проводов схема
Примечание:Чтобы обеспечить долгосрочную стабильную работу, 2 замка, пожалуйста, используйте мощность 5A.
Контроллер питания должен иметь доступ к 220 В, другие аксессуары могут быть подключены сетевым кабелем.