1. Введение
Универсальное напряжение питания 24-240 В переменного/постоянного тока
8 функций:
-2 функции времени, контролируемые напряжением питания
-6 функций времени, управляемых входом управления
Временной шкалой 0,6 s ~ 100 часов разделен на 7 диапазонов
Выходной контакт: 1 шт., 3 А
Выход Показания:
-Красный светодиодный, мигание по времени
-Зеленый светодиодный, горит как реле
Высокая точность, небольшой объем, высокая надежность.
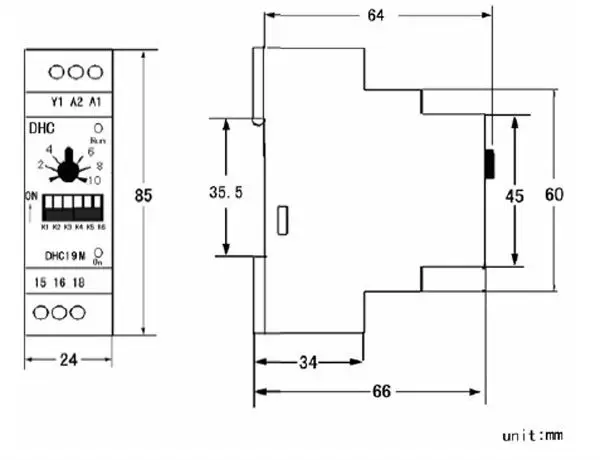
DIN-Размер 24 × 60 мм, DIN-рейка.
2. Параметры
1. Питающее напряжение: AC/DC 24-240V (50/60 Гц)
2. Импульсная Длина: мин. 25 мс/макс., неограниченная
3. Диапазон рабочего напряжения: Ue85 % ~ 110%
4. Время сброса: 150 мс
5. Напряжение питания Потребляемая мощность: переменного тока Макс: 0.6VA постоянного тока Макс: 0,6 W
6. Выходная мощность управления: 250 в перем. Тока, 10 А (резистивный)
7. Диапазон времени: 0,6 s ~ 100h
8. Механический срок службы ≤ 107
9. Электрический срок службы ≤ 105
10. Установка времени: поворотный переключатель
11. Разница во времени: ± 5% Механическая Настройка
12. Вес: 80 г
13. Точность повторения: ± 0.5% установленное значение, устойчивость
14. Размеры: размер DIN 24 × 60 мм
15. Переключатель на время отклика: 0,6 S-100h
16. Выключите время отклика: 0,6 S-100h
17. Монтаж: DIN-рейка
18. Температура окружающей среды: Рабочая:-10 ° Cto55 °C
3. Размеры и соединения

4. Диапазон времени

5. Функция

6. Описание и подключение
