[Xlmodel]-[фото]-[0000]
Серия TOMATECH K1 SERVOPACK
Набор сервопривода томатеха K1 серии высокого качества 750 Вт 2000 об/мин 3.5нм переменного тока
Этот сервопривод включает в себя один Серводвигатель (K1AS08AA)+ один Серводвигатель (90ST-M03520)+ 3 метра Серводвигатель (TAC-075-3)
Длина сервокабеля по умолчанию составляет 3 метра, если вам нужна другая длина, пожалуйста, свяжитесь с нами, чтобы оплатить дополнительные расходы (длина 5 м, 10 м по желанию)
Важные параметры будут заданы перед отправкой, если вам нужно установить соотношение eletronic gear и некоторые другие параметры, пожалуйста, свяжитесь с нами.
Этот сервопривод имеет очень хорошую производительность, высокую стабильность. Может использоваться для фрезерования, обработки, резки и т. д.
[Xlmodel]-[custom]-[50405]
Характеристики сервопривода tomech
[Xlmodel]-[custom]-[49803]
Особенности сервопривода
Размер серводвигателя:
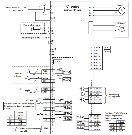
Проводка серводвигателя:
[Xlmodel]-[custom]-[49823]
Политика доставки
[Xlmodel]-[custom]-[49825]
О нас